Curso de Aptitud en Tecnologías de la información GATI 1

Description

Examen Curso de Aptitud en Tecnologías de la información -100 preguntas-
Eduardo Raposo Moreno
Quiz by Eduardo Raposo Moreno, updated more than 1 year ago
Eduardo Raposo Moreno
Created by Eduardo Raposo Moreno almost 10 years ago
2732
10

Resource summary

Question 1

Question
Informática y telecomunicaciones | Gráficas y funciones Variable dependiente es:
Answer
  • Es aquella que no puede tomar arbitrariamente cualquier valor comprendido dentro de su campo de variabilidad.
  • Aquella que no puede tomarse arbitrariamente, siendo sus valores dependientes de otra u otras variables independientes.
  • Es aquella que puede tomar arbitrariamente cualquier valor comprendido dentro de su campo de variabilidad.
  • Aquella que puede tomarse arbitrariamente, siendo sus valores dependientes de otra u otras variables independientes.

Question 2

Question
Informática y telecomunicaciones | Gráficas y funciones Constante es:
Answer
  • Aquella cantidad que tiene un valor fijo y determinado.
  • Aquella cantidad que tiene un valor fijo e indeterminado.
  • Aquella cantidad que tiene un valor comprendido dentro de un conjunto, que se llama campo de variabilidad.
  • Aquella cantidad que no tiene valor fijo ni determinado.

Question 3

Question
Informática y telecomunicaciones | Gráficas y funciones Variable independiente:
Answer
  • Es aquella cantidad que tiene un valor fijo y determinado.
  • Es aquella que no puede tomar arbitrariamente cualquier valor.
  • Es aquella que puede tomar arbitrariamente cualquier valor.
  • Es aquella que puede tomar arbitrariamente cualquier valor comprendido dentro de su campo de variabilidad.

Question 4

Question
Informática y telecomunicaciones | Logaritmos DECIBELIO es:
Answer
  • La unidad básica de transmisión, que no se representa mediante dB. Esta unidad representa una relación entre dos magnitudes, la que se estudia respecto de la que se referencia.
  • La unidad básica de medida del sonido, que se representa mediante dB. Esta unidad representa una relación entre dos magnitudes, la que se estudia respecto de la que se referencia.
  • La unidad básica de transmisión, que se representa mediante dB. Esta unidad representa una relación entre dos magnitudes, la que se estudia respecto de la que se referencia.
  • La unidad básica de transmisión, que se representa mediante Dbl. Esta unidad representa una relación entre dos magnitudes, la que se estudia respecto de la que se referencia.

Question 5

Question
Informática y telecomunicaciones | Logaritmos La fórmula de calcular los DECIBELIOS es:
Answer
  • dB = 10 log (P1/ P2) Donde si P1 es mayor que P2, los dB's serán positivos, y negativos si P1 es menor que P2, entendiéndose que en el primer caso existe una ganancia, y en el segundo una atenuación, expresando el signo tal calificación (signo negativo = atenuación; signo positivo = ganancia). Si la formula anterior se proyecta sobre un elemento, ya sea una vía de transmisión o un equipo específico, la identificación de las potencias será: la potencia P2 es la de entrada y la P1 de salida. En cualquier caso, el valor en decibelios siempre expresa una relación entre dos potencias y nunca el valor absoluto de ellas.
  • dB = 10 log (P2/ P1) Donde si P1 es mayor que P2, los dB's serán positivos, y negativos si P1 es menor que P2, entendiéndose que en el primer caso existe una ganancia, y en el segundo una atenuación, expresando el signo tal calificación (signo negativo = atenuación; signo positivo = ganancia). Si la formula anterior se proyecta sobre un elemento, ya sea una vía de transmisión o un equipo específico, la identificación de las potencias será: la potencia P2 es la de entrada y la P1 de salida. En cualquier caso, el valor en decibelios siempre expresa una relación entre dos potencias y nunca el valor absoluto de ellas.
  • dB = log (P1/ P2) Donde si P1 es mayor que P2, los dB's serán positivos, y negativos si P1 es menor que P2, entendiéndose que en el primer caso existe una ganancia, y en el segundo una atenuación, expresando el signo tal calificación (signo negativo = atenuación; signo positivo = ganancia). Si la formula anterior se proyecta sobre un elemento, ya sea una vía de transmisión o un equipo específico, la identificación de las potencias será: la potencia P2 es la de entrada y la P1 de salida. En cualquier caso, el valor en decibelios siempre expresa una relación entre dos potencias y nunca el valor absoluto de ellas.
  • dB = log * (P1/ P2) Donde si P1 es mayor que P2, los dB's serán positivos, y negativos si P1 es menor que P2, entendiéndose que en el primer caso existe una ganancia, y en el segundo una atenuación, expresando el signo tal calificación (signo negativo = atenuación; signo positivo = ganancia). Si la formula anterior se proyecta sobre un elemento, ya sea una vía de transmisión o un equipo específico, la identificación de las potencias será: la potencia P2 es la de entrada y la P1 de salida. En cualquier caso, el valor en decibelios siempre expresa una relación entre dos potencias y nunca el valor absoluto de ellas.

Question 6

Question
Informática y telecomunicaciones | Gráficas y funciones El eje horizontal se llama:
Answer
  • Eje de abscisas o eje de las x. Se representa por la letra X.
  • Eje de abscisas o eje de las y. Se representa por la letra Y.
  • Eje de ordenadas o eje de las y. Se representa con la letra Y.
  • Eje de ordenadas o eje de las x. Se representa con la letra X.

Question 7

Question
Informática y telecomunicaciones | Gráficas y funciones El eje vertical se llama:
Answer
  • Eje de ordenadas o eje de las x. Se representa con la letra X.
  • Eje de ordenadas o eje de las y. Se representa con la letra Y.
  • Eje de abscisas o eje de las x. Se representa por la letra X.
  • Eje de abscisas o eje de las y. Se representa por la letra Y.

Question 8

Question
Informática y telecomunicaciones | Equilibrio dinámico. Fuerza de inercia Coeficiente de rozamiento de un cuerpo sobre otro es:
Answer
  • Magnitud vectorial, de la misma dirección y sentido que la fuerza, y cuyo valor es el producto de la intensidad de la fuerza por el tiempo que dura su actuación.
  • La relación que existe entre la fuerza de rozamiento y la fuerza que actúa sobre el cuerpo perpendicularmente al plano de deslizamiento.
  • La magnitud vectorial, de la misma dirección y sentido que la velocidad, y cuyo valor es igual al producto de masa del móvil por la velocidad que posee.
  • Magnitud vectorial que actúa sobre el cuerpo perpendicularmente al plano de deslizamiento.

Question 9

Question
Informática y telecomunicaciones | Física del sonido, propagación y percepción Por sonido se entiende:
Answer
  • La sensación que se percibe al recoger nuestra vista los colores que produce una fuente luminosa.
  • La sensación que percibimos al recoger nuestro tímpano la vibración de una fuente sonora.
  • La sensación que se percibe al recoger nuestra piel la temperatura de una fuente calorífica.
  • La sensación que se percibe a través del sentido del olfato.

Question 10

Question
Informática y telecomunicaciones | Condensadores y Bobinas Que es un condensador:
Answer
  • Espiras enrolladas sobre un soporte cilíndrico y realizado con un hilo conductor, que se oponen a las variaciones de corriente.
  • Conjunto formado por dos placas metálicas paralelas, separadas entre sí por el aire o un aislante llamado dieléctrico, que se utiliza para almacenar electricidad.
  • Placa metálica que almacena el calor.
  • Dispositivo semiconductor que cierra o abre un circuito o amplifica una señal.

Question 11

Question
Informática y telecomunicaciones | Conceptos básicos de electricidad ¿La ley de Coulomb define?
Answer
  • La velocidad de propagación es directamente proporcional al ancho del canal.
  • La fuerza con la que se atraen o repelen dos cargas eléctricas es directamente proporcional al producto de sus cargas, e inversamente proporcional al cuadrado de la distancia que las separa.
  • La velocidad de propagación es inversamente proporcional al ancho del canal.
  • Todo cuerpo persevera en su estado de reposo o movimiento uniforme y rectilíneo a no ser que sea obligado a cambiar su estado por fuerzas impresas sobre él.

Question 12

Question
Informática y telecomunicaciones | Semiconductores ¿La formación de un Diodo se consigue…?
Answer
  • Mediante la unión de dos cristales tipo N.
  • Mediante la unión de dos cristales tipo P.
  • Mediante la unión de dos cristales, uno tipo P y otro tipo N.
  • Mediante la unión de dos cristales, uno tipo A y otro tipo B.

Question 13

Question
Informática y telecomunicaciones | Transformación energética ¿Cuál es la unidad de medida del calor?
Answer
  • El watio (w).
  • El Amperio (A).
  • El ohmio (Ω).
  • La caloría (cal).

Question 14

Question
Informática y telecomunicaciones | Familia de Protocolos TCP/IP ¿Qué es una máscara de subred?
Answer
  • Referente al medio físico por el cual se transmite la información.
  • Es el identificador de cada equipo (IPv4).
  • Es un número único e irrepetible con el cual se identifica una computadora conectada a una red.
  • Es aquella dirección que enmascarando nuestra dirección IP, nos indica si otra dirección IP pertenece a nuestra subred o no.

Question 15

Question
Informática y telecomunicaciones | Sistemas operativos Windows Windows 8 presenta múltiples novedades respecto a las anteriores versiones. Entre estas se encuentra la nueva interfaz Metro además de cambios en el escritorio. ¿Cuál es la nueva modificación en el escritorio?
Answer
  • Supresión de la papelera de reciclaje.
  • Supresión del panel de control.
  • Supresión del icono de inicio.
  • Supresión del icono de Equipo.

Question 16

Question
Informática y telecomunicaciones | Introducción a las Redes Informáticas ¿Cuál es la diferencia entre WAN y LAN?
Answer
  • WAN es una red de área metropolitana, mientras que LAN es una red de área local.
  • WAN es una red de área extensa, mientras que LAN es una red de área local.
  • WAN es una red de área metropolitana, mientras que LAN es una red de área extensa.
  • WAN es una red de área extensa, mientras que LAN es una red de área metropolitana.

Question 17

Question
Informática y telecomunicaciones | Legislación e información ¿Cual de las siguientes opciones satisface los objetivos de la Ley 11/1998 de Telecomunicaciones?
Answer
  • Promover las condiciones de competencia entre los operadores de servicios, con respecto al principio de igualdad de oportunidades mediante la supresión de los derechos especiales o exclusivos.
  • Beneficiar a Telefónica como empresa pública para lograr aumentar su competitividad.
  • Aumentar los precios de forma que se garanticen mejores márgenes de beneficio aunque esto implicase una disminución del número de usuarios.
  • Garantizar el incumplimiento de esas condiciones de competencia.

Question 18

Question
Informática y telecomunicaciones | Telefonía móvil ¿Cuál de las siguientes opciones caracteriza a la primera generación (1G) de telefonía móvil?
Answer
  • Es digital y permite la transmisión de datos y voz.
  • Es analógica y solo permite la transmisión de voz.
  • Es digital y solo permite la transmisión de voz.
  • Es analógica y permite la transmisión de datos y voz.

Question 19

Question
Informática y telecomunicaciones | Fundamentos de las Redes de Telecomunicaciones ¿En que se basa el control de flujo mediante parada y espera?
Answer
  • Las tramas pueden ser recibidas en desorden.
  • El emisor en varias tramas (desde 2 hasta n) sin esperar confirmación por parte del receptor (ventana deslizante).
  • El emisor envía la trama, a continuación –para y espera- a que el receptor le conteste confirmando que ha recibido la citada trama.
  • Para mantener conocimiento de qué tramas se han confirmado, cada una de ellas se etiqueta con un número de secuencia y cuando B confirme la recepción de una trama, incluirá en la confirmación el número de secuencia de la próxima trama que espera recibir (implícitamente también confirma que está dispuesto a recibir otras “n” tramas).

Question 20

Question
Informática y telecomunicaciones | Comandos básicos de Linux ¿Cuál de los siguientes permisos corresponde correctamente con su significado?
Answer
  • w: write, permiso de escritura.
  • r: remove, permiso de eliminar.
  • x: cut, permiso de cortar.
  • s: permiso de ejecución.

Question 21

Question
Informática y telecomunicaciones | Historia de la Informática ¿Cuál de las siguientes opciones caracteriza a la cuarta generación de ordenadores?
Answer
  • Los sistemas operativos FMS, IBSYS y el sistema operativo de IBM.
  • El procesamiento por lotes.
  • El sistema operativo Windows.
  • Los sistemas operativos MS-DOS y UNIX.

Question 22

Question
Informática y telecomunicaciones | Introducción a los Sistemas Operativos ¿Qué es el sistema operativo S.O?
Answer
  • Hardware que controla la ejecución de los programas de aplicación y que actúa como interfaz entre el usuario y el hardware de la misma. Administra: CPU, MP, periféricos y archivos.
  • Software que controla la ejecución de los programas de aplicación y que actúa como interfaz entre el usuario y el hardware de la misma. Administra: CPU, MP, periféricos y archivos.
  • Hardware que controla sola y exclusivamente los buses y que actúa como interfaz entre el usuario y el hardware de la misma. Administra solamente MP y periféricos.
  • Software que controla sola y exclusivamente los buses y que actúa como interfaz entre el usuario y el hardware de la misma. Administra solamente MP y periféricos.

Question 23

Question
Informática y telecomunicaciones | Puertas Lógicas ¿Cuáles son las familias lógicas más relevantes?
Answer
  • PNP
  • El cristal N
  • CMOS y TTL
  • El cristal P

Question 24

Question
Informática y telecomunicaciones | Telefonía móvil ¿Los sistemas de telefonía GSM fueron?
Answer
  • Es la tecnología de la tercera generación 3G.
  • Es la tecnología de la tercera generación 4G.
  • El paso de los sistemas analógicos a digitales, contrarrestando las limitaciones en cuanto a capacidad del número de usuarios. Además de mejorar y ampliar la gama de servicios.
  • Es la primera generación de telefonía completamente digital.

Question 25

Question
Informática y telecomunicaciones | Conceptos básicos de telefonía ¿Qué sentido tiene en la arquitectura de la red telefónica la jerarquía?
Answer
  • La jerarquía se basa en que el conjunto de centrales automáticas que pudiendo estar conectadas entre sí, dependen cada una de ellas de una central de categoría superior. Así se permite que el tráfico circule por rutas determinadas y reencamine el tráfico cuando haya desbordamiento.
  • La jerarquía es la zona geográfica donde, nórmamele, están situados los terminales telefónicos.
  • La jerarquía se entiende como el grupo de centrales secundarias que son controladas por una central terciaria o de nivel nacional.
  • La jerarquía se entiende como el grupo de centrales secundarias que son controladas por una central secundaria o de nivel internacional.

Question 26

Question
Informática y telecomunicaciones | Arquitectura de Ordenadores ¿La memoria principal o cache…?
Answer
  • Almacena los datos y las instrucciones que deberá ejecutar el procesador sobre ellos. Es de tipo volátil, y por tanto, la información se pierde sin alimentación eléctrica.
  • Controla la operación coordinada de todos los elementos del sistema y lleva a cabo las funciones de procesamiento de datos.
  • Almacena los datos y las instrucciones que deberá ejecutar el procesador sobre ellos. Es de tipo NO volátil, es decir, la información queda almacenada sin alimentación eléctrica.
  • Almacena los datos y las instrucciones que deberá ejecutar el procesador sobre ellos. Es de tipo NO volátil, y por tanto, la información se pierde sin alimentación eléctrica.

Question 27

Question
Informática y telecomunicaciones | Dinámica ¿Primer principio o principio de inercia?
Answer
  • Si sobre un cuerpo actúa una fuerza el cuerpo permanece indefinidamente en su estado de reposo.
  • Si sobre un cuerpo no actúa fuerza alguna, o la resultante de las que actúan sobre el es nula, el cuerpo permanece indefinidamente en su estado de reposo o de movimiento rectilíneo y uniforme.
  • Si sobre un cuerpo no actúa fuerza alguna, o la resultante de las que actúan sobre el es nula, el cuerpo permanece indefinidamente en su estado de movimiento aumentado su velocidad uniformemente.
  • Si sobre un cuerpo actúa una fuerza el cuerpo permanece indefinidamente en su estado de movimiento aumentado su velocidad uniformemente.

Question 28

Question
Informática y telecomunicaciones | Física del sonido El nivel de intensidad / potencia viene dada en:
Answer
  • Vatios (W)
  • Amperios (A)
  • Decibelios (dB)
  • Julios (J)

Question 29

Question
Informática y telecomunicaciones | Teoría de la información ¿Cuál de las siguientes opciones define a una señal analógica?
Answer
  • Una señal analógica se caracteriza porque puede tomar solo un conjunto de valores finito.
  • Una señal analógica se caracteriza porque puede tomar solo dos valores.
  • Una señal analógica se caracteriza porque la señal puede tomar infinitos valores dentro de su rango de frecuencia.
  • Una señal analógica se caracteriza porque puede tomar valores infinitos.

Question 30

Question
Informática y telecomunicaciones | Mac OS ¿Cuál es el nombre del diseñador del Apple I?
Answer
  • Mike Markkula.
  • Andy Betchtolsheim.
  • Steve Wozniak.
  • Steve Jobs.

Question 31

Question
Informática y telecomunicaciones | Legislación sobre protección de datos personales y sistemas de información ¿Ampara la LOPD el derecho a la intimidad de las personas jurídicas?
Answer
  • Ampara el derecho al honor de las personas jurídicas, que habrán de defenderlos utilizando esta vía.
  • No ampara el derecho a la intimidad, sino a la protección de los datos de contacto.
  • Si, si refiere a cualquier información concerniente a personas pudiendo ser tanto físicas como jurídicas.
  • Cualquier información concerniente a personas físicas identificadas o identificables. La Ley no ampara el derecho al honor o la intimidad de las personas jurídicas, que habrán de defenderlos utilizando otras vías.

Question 32

Question
Informática y telecomunicaciones | Microsoft Office ¿Qué es Microsoft Word?
Answer
  • Herramienta enfocada para la creación de presentaciones visuales.
  • Es el procesador de textos del paquete Office.
  • Es una plantilla u hoja de cálculo.
  • Herramienta enfocada para la creación de bases de datos.

Question 33

Question
Informática y telecomunicaciones | Transformación energética ¿Para qué se usan los hornos solares?
Answer
  • Para investigaciones que requieran temperaturas altas en entornos libres de contaminantes.
  • Puede usarse en los ciclos convencionales de las plantas de energía y generar electricidad.
  • Para investigaciones que requieran la conversión de un átomo en eléctricamente neutro.
  • Para mantener una corriente eléctrica en el interior del conductor

Question 34

Question
Informática y telecomunicaciones | Transformación energética ¿Cuáles son las escalas termométricas?
Answer
  • Escala centígrada o Celsius y escala Fahrenheit.
  • Escala Fahrenheit.
  • Escala absoluta o Kelvin.
  • Escala centígrada o Celsius, escala Fahrenheit y escala absoluta o Kelvin.

Question 35

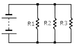
Question
Informática y telecomunicaciones | Conceptos básicos de electricidad Dibujo de un circuito en serie

Question 36

Question
Informática y telecomunicaciones | Conceptos básicos de electricidad ¿De que se compone un transformador?
Answer
  • Está formado por varios acumuladores.
  • Está formado por un cristal semi conductor dopado de tal manera que una mitad es tipo "p" y la otra "n", constituyendo una unión “pn”.
  • Se compone de dos bobinas, una llamada primaria y otra llamada secundaria.
  • Se compone de un cable (generalmente cobre) o conjunto de ellos recubierto de un material aislante.

Question 37

Question
Informática y telecomunicaciones | Filtros ¿Cuantos tipos de filtros existen?
Answer
  • Existen cinco Paso-Bajo, Paso-Alto, Paso-Banda, Elimina-Banda, Paso-Todo.
  • Existen tres Paso-Bajo, Paso-Alto, Paso-Banda.
  • Existen dos Paso-Bajo, Paso-Alto.
  • Existen cuatro Paso-Bajo, Paso-Alto, Paso-Banda, Paso-Todo.

Question 38

Question
Informática y telecomunicaciones | Corriente Continua y Corriente Alterna ¿Qué es corriente continua?
Answer
  • Corriente Continua (CC o DC). Es cuando la corriente circula en ambos sentidos y varía la cantidad de electrones que circulan a cada instante. Éste tipo de corriente la producen los alternadores y osciladores.
  • Corriente Continua (CC o DC). Es cuando la corriente circula siempre en el mismo sentido y tiene un flujo constante en el tiempo. Esta clase de corriente la generan los alternadores y osciladores.
  • Corriente Continua (CC o DC). Es cuando la corriente circula siempre en el mismo sentido y tiene un flujo constante en el tiempo. Esta clase de corriente la generan las pilas, dinamos y baterías.
  • Corriente Continua (CC o DC). Es cuando la corriente circula en ambos sentidos y varía la cantidad de electrones que circulan a cada instante. Éste tipo de corriente la generan las pilas, dinamos y baterías.

Question 39

Question
Informática y telecomunicaciones | Lógica Digital Conversión de Binario a Decimal:
Answer
  • Para realizar esta conversión hay que multiplicar el valor del binario en la posición n, por 3·n.
  • Para realizar esta conversión hay que multiplicar el valor del binario en la posición n, por 3^n.
  • Para realizar esta conversión hay que multiplicar el valor del binario en la posición n, por 2^n.
  • Para realizar esta conversión hay que multiplicar el valor del binario en la posición n, por 2·n.

Question 40

Question
Informática y telecomunicaciones | Puertas Lógicas Fanin:
Answer
  • Es el máximo número de salidas que puede tener una puerta lógica.
  • Indica la cantidad de carga que se puede conectar a la salida de una puerta lógica. Es decir, el número máximo de puertas que se pueden conectar a una salida.
  • Es el máximo número de entradas que puede tener una puerta lógica.
  • Indica la cantidad de carga que se puede conectar a la entrada de una puerta lógica. Es decir, el número máximo de puertas que se pueden conectar a una entrada.

Question 41

Question
Informática y telecomunicaciones | Medios de transmisión Ancho de banda del canal, marca la respuesta correcta
Answer
  • Las señales de una determinada frecuencia, son transportadas sin degradación, que las hace reconocibles en el receptor, mientras que a otra frecuencia pueden ser tan atenuadas o distorsionadas, que sea posible su recuperación.
  • Las señales de una determinada frecuencia, son transportadas con una degradación limitada, que las hace reconocibles en el receptor, mientras que a otra frecuencia pueden ser tan atenuadas o distorsionadas, que sea posible su recuperación.
  • Las señales de una determinada frecuencia, son transportadas sin degradación, que las hace reconocibles en el receptor, mientras que a otra frecuencia pueden ser tan atenuadas o distorsionadas, que sea imposible su recuperación.
  • Las señales de una determinada frecuencia, son transportadas con una degradación limitada, que las hace reconocibles en el receptor, mientras que a otra frecuencia pueden ser tan atenuadas o distorsionadas, que sea imposible su recuperación.

Question 42

Question
Informática y telecomunicaciones | Medios de transmisión Tipos de líneas de transmisión:
Answer
  • Línea de dos conductores paralelos (abierta), Dos conductores paralelos (blindados), Par de conductores trenzados, Línea coaxial y Fibra óptica
  • Conductores paralelos (blindados), Par de conductores trenzados, Línea coaxial y Fibra óptica
  • Línea de dos conductores paralelos (abierta), Par de conductores trenzados, Línea coaxial y Fibra óptica
  • Línea de dos conductores paralelos (abierta), Par de conductores trenzados y Fibra óptica

Question 43

Question
Informática y telecomunicaciones | MATEMATICAS - FISICA ¿Qué nombre recibe la representación grafica de la función Y = X²?
Answer
  • Circunferencia
  • Elipse
  • Hiperbola
  • Parabola

Question 44

Question
Informática y telecomunicaciones | Rectificadores ¿Cual es la mision del rectificador?
Answer
  • Su misión es la de preparar una señal de corriente alterna para que se convierta en corriente continua. Esto lo realiza mediante la conmutación o no de los semiciclos de la señal de c.a., dejando pasar solo los que nos interesen.
  • Su misión es la de preparar una señal de corriente continua para que se convierta en corriente alterna. Esto lo realiza mediante la conmutación o no de los semiciclos de la señal de c.c., dejando pasar solo los que nos interesen.
  • Su misión es la de preparar una señal de corriente alterna para que se convierta en corriente continua. Esto lo realiza mediante la conmutación de los semiciclos de la señal de c.a., dejando pasar solo los que nos interesen.
  • Su misión es la de preparar una señal de corriente continua para que se convierta en corriente alterna. Esto lo realiza mediante la conmutación de los semiciclos de la señal de c.c., dejando pasar solo los que nos interesen.

Question 45

Question
Informática y telecomunicaciones | Física del sonido (propagación y percepción) Clasificación de las ondas acústicas según el frente de onda.
Answer
  • Ondas planas, Ondas esféricas y Ondas cilíndricas.
  • Sin obstáculos y Con obstáculos.
  • Ondas Longitudinales, Ondas Transversales.
  • Progresiva y Regresiva.

Question 46

Question
Informática y telecomunicaciones | Física del sonido (propagación y percepción) Tipos de ruido.
Answer
  • Ruido blanco, Ruido rosa y Ruido azulado.
  • Ruido blanco.
  • Ruido rosa.
  • Ruido azulado.

Question 47

Question
Informática y telecomunicaciones | Física del sonido (propagación y percepción) ¿Qué es el transductor?
Answer
  • Dispositivo que realiza la transformación de magnitud física a una magnitud eléctrica. Los transductores más típicos micrófonos, altavoces y cápsula de tocadiscos.
  • Dispositivo que realiza la transformación de magnitud eléctrica a una magnitud física. Los transductores más típicos micrófonos, altavoces y cápsula de tocadiscos.
  • Dispositivo que realiza la transformación de magnitud física a una magnitud eléctrica.
  • Dispositivo que realiza la transformación de magnitud eléctrica a una magnitud física.

Question 48

Question
Informática y telecomunicaciones | Física del sonido (propagación y percepción) Tipos de altavoces:
Answer
  • Según su principio de funcionamiento: El altavoz dinámico, electrostático y de cinta. Otros tipos de altavoz piezoeléctricos y de panel. Según su acoplo con el medio de radiación sistemas de radiación directa y sistemas de radiación indirecta. Sistemas de radiación directa son: caja cerrada, Bass Reflex y Activo-Pasivo. Sistemas de radiación indirecta: bocinas, anillos de radiación, motores de compresión, etc. Según su banda de trabajo de baja frecuencia, de frecuencias medias y de alta frecuencia. De baja frecuencia: subwoofers, woofers. De frecuencias medias: midrange. De alta frecuencia: tweeters, ultrahigh.
  • Según su principio de funcionamiento: El altavoz dinámico, electrostático y de cinta. Otros tipos de altavoz piezoeléctricos y de panel. Sistemas de radiación directa son: caja cerrada, Bass Reflex y Activo-Pasivo. Sistemas de radiación indirecta: bocinas, anillos de radiación, motores de compresión, etc. Según su banda de trabajo de baja frecuencia, de frecuencias medias y de alta frecuencia. De baja frecuencia: subwoofers, woofers. De frecuencias medias: midrange. De alta frecuencia: tweeters, ultrahigh.
  • Según su principio de funcionamiento: El altavoz dinámico, electrostático y de cinta. Otros tipos de altavoz piezoeléctricos y de panel. Según su acoplo con el medio de radiación sistemas de radiación directa y sistemas de radiación indirecta. Sistemas de radiación indirecta: bocinas, anillos de radiación, motores de compresión, etc. Según su banda de trabajo de baja frecuencia, de frecuencias medias y de alta frecuencia. De baja frecuencia: subwoofers, woofers. De frecuencias medias: midrange. De alta frecuencia: tweeters, ultrahigh.
  • Según su principio de funcionamiento: El altavoz dinámico, electrostático y de cinta. Otros tipos de altavoz piezoeléctricos y de panel. Según su acoplo con el medio de radiación sistemas de radiación directa y sistemas de radiación indirecta. Sistemas de radiación directa son: caja cerrada, Bass Reflex y Activo-Pasivo. Según su banda de trabajo de baja frecuencia, de frecuencias medias y de alta frecuencia. De baja frecuencia: subwoofers, woofers. De frecuencias medias: midrange. De alta frecuencia: tweeters, ultrahigh.

Question 49

Question
Informática y telecomunicaciones | Física del sonido (propagación y percepción) Configuraciones básicas de altavoces
Answer
  • Altavoz en pantalla infinita. Sistemas de refuerzo de graves: bass-reflex, altavoz pasivo, paso-banda.
  • Altavoz en caja cerrada. Sistemas de varías vías: filtros de cruce de alto y bajo nivel.
  • Altavoz en pantalla infinita y altavoz en caja cerrada.
  • Altavoz en pantalla infinita y altavoz en caja cerrada. Sistemas de refuerzo de graves: bass-reflex, altavoz pasivo, paso-banda. Sistemas de varías vías: filtros de cruce de alto y bajo nivel.

Question 50

Question
Informática y telecomunicaciones | El transductor (altavoces y micrófonos) El transductor tipos de averías:
Answer
  • Térmicas.
  • Mecánicas.
  • De movimiento.
  • Térmicas y mecánicas.

Question 51

Question
Informática y telecomunicaciones | Efectos de sonido De que depende la calidad del sonido digital
Answer
  • La calidad del sonido depende de la frecuencia del muestreo y a la resolución.
  • La calidad del sonido depende de la frecuencia del muestreo.
  • La calidad del sonido depende de la resolución.
  • De la velocidad del medio utilizado.

Question 52

Question
Informática y telecomunicaciones | Conceptos básicos de telefonía Que son las centrales de área primaria.
Answer
  • Es el conjunto de centrales locales dependiente de una central primaria. También son llamadas de nivel sectorial. Dentro de esta categoría existen distintos tipos de central: • Central tándem urbana: Dependen de ella única y exclusivamente centrales urbanas de la misma población. • Central tándem interurbana: Hace simultáneamente las funciones de una central tándem urbana para determinadas centrales urbanas de su mismo área metropolitana, y de central de sector para determinadas centrales terminales.
  • Es el conjunto de centrales dependiente de una central secundaria, también se le puede llamar de nivel provincial. Dentro de esta categoría existe la: • Central interurbana: Cursa el tráfico destinado a, o procedente de, centrales secundarias.
  • Se entiende como el grupo de centrales que son controladas por una central terciaria o de nivel nacional. Dentro de esta categoría está la: • Central nodal: Se encarga del tráfico entre regiones, por lo que se considera una central de tránsito, se ubica normalmente en una población importante, por lo que las centrales interurbanas deben conectarse a ella obligatoriamente.
  • Aparte de controlar un grupo de centrales terciarias, se encargan del tránsito internacional.

Question 53

Question
Informática y telecomunicaciones | El bucle de abonado ¿Que es el bucle de abonado?
Answer
  • El teléfono está conectado a la central telefónica por medio de dos hilos de cobre llamados par telefónico, formando así la línea de abonado o bucle de abonado. conjunto de que forman la parte de la red pública telefónica fija y que, haciendo uso de pares de cobre, permiten conectar a un abonado al servicio de telefonía disponible al público con la central local de la que depende.
  • Se divide en distintos tramos desde que parte del repartidor principal de la central, hasta que llega al aparato telefónico.
  • Es la parte de la línea de abonado que se extiende desde la central hasta una caja llamada terminal o exterior.
  • Es el cable individual que une la caja terminal con el conector situado en el domicilio del abonado, llamado punto de terminación de red.

Question 54

Question
Informática y telecomunicaciones | La línea de abonado ¿Qué condiciones debe cumplir para que garanticen su correcta utilización y funcionamiento?
Answer
  • Suficiente, Elástica, Flexible, Económica y Con suficiente calidad de transmisión.
  • Suficiente, Elástica, Flexible y Con suficiente calidad de transmisión.
  • Suficiente, Flexible, Económica y Con suficiente calidad de transmisión.
  • Suficiente, Elástica, Flexible y Económica.

Question 55

Question
Informática y telecomunicaciones | División de la línea de abonado La línea de abonado se divide en distintos tramos desde que parte del repartidor principal de la central, hasta que llega al aparato telefónico. ¿Cuales son esos tramos?
Answer
  • Línea exterior, cables de alimentación, línea de acometida, el punto de terminación de red (PTR) y línea de hilo interior o de acometida interior.
  • Línea exterior, línea de acometida, el punto de terminación de red (PTR) y línea de hilo interior o de acometida interior.
  • Línea exterior, cables de alimentación, línea de acometida y línea de hilo interior o de acometida interior.
  • Línea exterior, cables de alimentación, línea de acometida, el punto de terminación de red (PTR).

Question 56

Question
Informática y telecomunicaciones | Línea exterior ¿Qué es la Línea exterior?
Answer
  • Es la parte de la línea de abonado que se extiende desde la central hasta una caja llamada terminal o exterior, que como su nombre indica está ubicado en la fachada exterior de los edificios. A su vez se subdivide en dos secciones Cables de alimentación y Cables de distribución.
  • Es la parte de la línea de abonado que se extiende desde la central hasta una caja llamada terminal o interior, que está ubicada en el interior de los edificios. A su vez se subdivide en dos secciones Cables de alimentación y Cables de distribución.
  • Es el cable individual que une la caja terminal con el conector situado en el domicilio del abonado, llamado punto de terminación de red.
  • Es el cable donde termina la línea. Su misión es proteger a los equipos de las sobretensiones. Además, establece los límites entre las responsabilidades del usuario y de la compañía.

Question 57

Question
Informática y telecomunicaciones | Línea de acometida ¿Qué es la Línea de acometida?
Answer
  • Es el cable individual que une la caja terminal con el conector situado en el domicilio del abonado, llamado punto de terminación de red. Este cable es de plástico especial y soporta muy bien los cambios de temperatura y humedad sin perder sus características eléctricas del aislamiento. También soporta muy bien los esfuerzos mecánicos, ya que posee, además del par telefónico, un tercer cable de hierro acerado que le confiere gran fortaleza.
  • Es la parte de la línea de abonado que se extiende desde la central hasta una caja llamada terminal o exterior, que como su nombre indica está ubicado en la fachada exterior de los edificios. A su vez se subdivide en dos secciones Cables de alimentación y Cables de distribución.
  • Es el lugar donde termina la línea. La misión del PTR es protege a los equipos de las sobretensiones. Además, establece los límites entre las responsabilidades del usuario y de la compañía.
  • Está constituida por dos conductores en paralelo con una cubierta de plástico (normalmente color crema), que une el PTR con la roseta telefónica, y termina en un conector RJ-11.

Question 58

Question
Informática y telecomunicaciones | Línea de acometida ¿Qué es el punto de terminación de red (PTR)?
Answer
  • Es el lugar donde termina la línea. La misión del PTR es protege a los equipos de las sobretensiones. Además, establece los límites entre las responsabilidades del usuario y de la compañía.
  • Es el cable individual que une la caja terminal con el conector situado en el domicilio del abonado, llamado punto de terminación de red. Este cable es de plástico especial y soporta muy bien los cambios de temperatura y humedad sin perder sus características eléctricas del aislamiento. También soporta muy bien los esfuerzos mecánicos, ya que posee, además del par telefónico, un tercer cable de hierro acerado que le confiere gran fortaleza.
  • Es la parte de la línea de abonado que se extiende desde la central hasta una caja llamada terminal o interior, que está ubicada en el interior de los edificios. A su vez se subdivide en dos secciones Cables de alimentación y Cables de distribución.
  • Está constituido por dos conductores en paralelo con una cubierta de plástico (normalmente color crema), que une el PTR con la roseta telefónica, y termina en un conector RJ-11.

Question 59

Question
Informática y telecomunicaciones | Acometida interior ¿Qué es línea de hilo interior o de acometida interior?
Answer
  • Está constituida por dos conductores en paralelo con una cubierta de plástico (normalmente color crema), que une el PTR con la roseta telefónica, y termina en un conector RJ-11.
  • Es el lugar donde termina la línea. La misión del PTR es protege a los equipos de las sobretensiones. Además, establece los límites entre las responsabilidades del usuario y de la compañía.
  • Es el cable individual que une la caja terminal con el conector situado en el domicilio del abonado, llamado punto de terminación de red. Este cable es de plástico especial y soporta muy bien los cambios de temperatura y humedad sin perder sus características eléctricas del aislamiento. También soporta muy bien los esfuerzos mecánicos, ya que posee, además del par telefónico, un tercer cable de hierro acerado que le confiere gran fortaleza.
  • Es la parte de la línea de abonado que se extiende desde la central hasta una caja llamada terminal o interior, que está ubicada en el interior de los edificios. A su vez se subdivide en dos secciones Cables de alimentación y Cables de distribución.

Question 60

Question
Informática y telecomunicaciones | Telefonía móvil ¿Cuáles son las ventajas de GPRS con respecto de GSM?
Answer
  • • Agrupación de datos en paquetes. Cada paquete es enviado de forma independientes por distintos canales GPRS hasta una misma IP final (envíos en paralelo). • Tarificación por volumen de datos descargados en vez de por tiempo de conexión. • Asignación dinámica de los recursos de la red en GPRS. Estos se asignan únicamente cuando enviamos o recibimos datos. • Acceso desde la red GPRS a otras redes como: Internet, redes privadas, Intranets...
  • • Tarificación por volumen de datos descargados en vez de por tiempo de conexión. • Asignación dinámica de los recursos de la red en GPRS. Estos se asignan únicamente cuando enviamos o recibimos datos. • Acceso desde la red GPRS a otras redes como: Internet, redes privadas, Intranets...
  • • Agrupación de datos en paquetes. Cada paquete es enviado de forma independientes por distintos canales GPRS hasta una misma IP final (envíos en paralelo). • Asignación dinámica de los recursos de la red en GPRS. Estos se asignan únicamente cuando enviamos o recibimos datos. • Acceso desde la red GPRS a otras redes como: Internet, redes privadas, Intranets...
  • • Agrupación de datos en paquetes. Cada paquete es enviado de forma independientes por distintos canales GPRS hasta una misma IP final (envíos en paralelo). • Tarificación por volumen de datos descargados en vez de por tiempo de conexión. • Acceso desde la red GPRS a otras redes como: Internet, redes privadas, Intranets...

Question 61

Question
Informática y telecomunicaciones | Redes Públicas en Explotación ¿Las centrales telefónicas…?
Answer
  • Interconectan a los abonados de un área determinada y, a su vez, están enlazadas con otras centrales.
  • Regulan el acceso indirecto al bucle de abonado.
  • Forman el conjunto de medios de transmisión.
  • Dan soporte al servicio telefónico, es decir, por los elementos de transmisión y conmutación capaces de transportar señales eléctricas.

Question 62

Question
Informática y telecomunicaciones | MATEMATICAS-FISICA ¿Cuál de estas ecuaciones expresa el Teorema del seno en un triángulo?
Answer
  • A / senA = B / senB = C / senC
  • A / senB = B / senC = C / senA
  • A / senC = C / senB = B / senA
  • A / senD = B / send = C / senD

Question 63

Question
Hallar el valor de X en el siguiente logaritmo log a ª = X
Answer
  • X = 0
  • X = 1
  • X = 2
  • X = 10

Question 64

Question
Informática y telecomunicaciones | ELECTRICIDAD ¿Potencia máxima que podrá suministrar un transformador con las siguientes características: E= 220 v , I = 0.5 A?
Answer
  • 220 w
  • 30 w
  • 110 w
  • 60 w

Question 65

Question
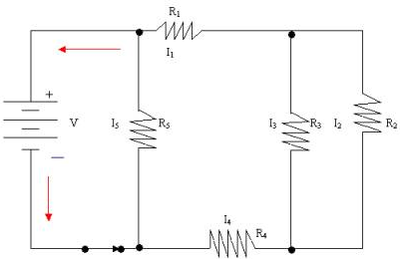
Informática y telecomunicaciones | ELECTRICIDAD Calcular la tensión del siguiente esquema eléctrico.
Answer
  • V = 3 voltios
  • V = 8 voltios
  • V = 12 voltios
  • V = 10 voltios

Question 66

Question
Informática y telecomunicaciones | ELECTRICIDAD Definiciones básicas Todo átomo tiende a quedar en un estado eléctricamente ...... Para ello cederá o absorberá electrones, según le sobren o le falten, de los átomos situados a su alrededor.
Answer
  • positivo
  • negativo
  • alterno
  • neutro

Question 67

Question
Informática y telecomunicaciones | ELECTRICIDAD Definiciones básicas ¿Cual es la unidad de medida de las bobinas?
Answer
  • Julio.
  • Faradio.
  • Henrio.
  • Culombio.

Question 68

Question
Informática y telecomunicaciones | El Transistor y los Circuitos Integrados ¿En qué se diferencian los transistores PNP y NPN?
Answer
  • El primero se forma con dos cristales N y uno P, y el segundo con dos cristales P y uno N. Tienen las mismas configuraciones cambiando únicamente los sentidos de sus corrientes y las polaridades de sus tensiones. Aunque los sentidos de las corrientes son puestos en estos dos tipos de transistores, para ambos se cumple la ley de Kirchhoff: IE = IC + IB
  • El primero se forma con tres cristales P, y el segundo con tres cristales N. Tienen las mismas configuraciones cambiando únicamente los sentidos de sus corrientes y las polaridades de sus tensiones. Aunque los sentidos de las corrientes son puestos en estos dos tipos de transistores, para ambos se cumple la ley de Kirchhoff: IE = IC + IB
  • El primero se forma con dos cristales P y uno N, y el segundo con dos cristales N y uno P. Tienen las mismas configuraciones cambiando únicamente los sentidos de sus corrientes y las polaridades de sus tensiones. Aunque los sentidos de las corrientes son puestos en estos dos tipos de transistores, para ambos se cumple la ley de Kirchhoff: IE = IC + IB
  • El primero se forma con tres cristales N, y el segundo con tres cristales P. Tienen las mismas configuraciones cambiando únicamente los sentidos de sus corrientes y las polaridades de sus tensiones. Aunque los sentidos de las corrientes son puestos en estos dos tipos de transistores, para ambos se cumple la ley de Kirchhoff: IE = IC + IB

Question 69

Question
Informática y telecomunicaciones | Efectos de sonido ¿Cuál es la misión del Filtro dinámico?
Answer
  • Consiste en tomar la señal que nos proporciona el circuito rectificador y eliminar las variaciones dejándola lo más constante posible en el tiempo.
  • Preparar una señal de corriente alterna para que se convierta en corriente continua.
  • Preparar una señal de corriente continua para que se convierta en corriente alterna.
  • Atenuar los agudos a medida que la señal está más baja de nivel. Esto contribuye a un puerteo más natural, puesto que las voces y los instrumentos tienden a tener menos harmónicos a medida que se habla o toca más bajo.

Question 70

Question
Informática y telecomunicaciones | Lógica Digital Convierte a decimal el siguiente número en binario 1010
Answer
  • 101
  • 11
  • 1
  • 10

Question 71

Question
Informática y telecomunicaciones | TELEFONIA ¿Cuál es la función principal de la central telefónica?
Answer
  • Tener todos los cables recogidos y que no estorben en casa.
  • Poder comunicarnos con el extranjero.
  • Establecer el enlace entre dos abonados (llamante y llamado).
  • Ahorrar en cable.

Question 72

Question
Informática y telecomunicaciones | TELEFONIA ¿Cuál es el objetivo principal del modem semáforo?
Answer
  • Convertir las señales digitales en analógicas.
  • Proporcionar un modo de conexión de un terminal hombre-máquina mediante un método fiable y seguro, que proteja contra intrusos.
  • Convertir las señales analógicas en digitales.
  • Proporcionarnos una conexión segura con el terminal hombre-máquina mediante una conexión a internet.

Question 73

Question
Informática y telecomunicaciones | El transductor acústico-eléctrico (el micrófono) Los tipos de micrófonos según el elemento transductor son:
Answer
  • De condensador y de cinta. Son dispositivos que realizan la conversión de una magnitud eléctrica en una física o viceversa. Son capaces de convertir una onda sonora en una magnitud eléctrica.
  • De caja cerrada y de pantalla infinita. Son dispositivos que realizan la conversión de una magnitud eléctrica en una física o viceversa. Son capaces de convertir una onda sonora en una magnitud eléctrica.
  • De condensador y de pantalla infinita. Son dispositivos que realizan la conversión de una magnitud eléctrica en una física o viceversa. Son capaces de convertir una onda sonora en una magnitud eléctrica.
  • De condensador y de caja cerrada. Son dispositivos que realizan la conversión de una magnitud eléctrica en una física o viceversa. Son capaces de convertir una onda sonora en una magnitud eléctrica.

Question 74

Question
Informática y telecomunicaciones | TELEFONIA La función del auricular es:
Answer
  • Convertir los sonidos en variaciones de corriente.
  • Convertir las variaciones de corriente en sonidos.
  • Aislar mecánicamente el bucle de abonado de la central.
  • Aislar eléctricamente el bucle de abonado de la central.

Question 75

Question
Informática y telecomunicaciones | TELEFONIA El conjunto que forman la parte de la red pública telefónica fija y que, haciendo uso de pares de cobre, permiten conectar a un abonado al servicio de telefonía disponible al público con la central local de la que depende, se denomina.
Answer
  • Enlace de centrales locales.
  • Enlace de centrales tándem.
  • El bucle de abonado.
  • El bucle entre centrales.

Question 76

Question
Informática y telecomunicaciones | El enlace Los Radioenlaces se caracterizan por:
Answer
  • Estar en la banda de las VHF y sus equipos son los mismos que los empleados para la fibra óptica, solo cambian los transmisores, y por supuesto el medio de transmisión.
  • Estar en la banda de las UHF y sus equipos son los mismos que los empleados para la fibra óptica, solo cambian los transmisores, y por supuesto el medio de transmisión.
  • Estar en la banda de las HF y sus equipos son los mismos que los empleados para la fibra óptica, solo cambian los transmisores, y por supuesto el medio de transmisión.
  • Están en la banda de las microondas y sus equipos son los mismos que los empleados para la fibra óptica, solo cambian los transmisores, y por supuesto el medio de transmisión. La velocidad máxima con la que pueden transmitir es de 155 Mbps a una distancia máxima de 45 Km aproximadamente.

Question 77

Question
Informática y telecomunicaciones | La señalización de abonado y de enlace El proceso de realizar una llamada tiene los siguientes pasos:
Answer
  • Inicio de la llamada, Invitación a marcar, Marcación del número de destino, Corriente de llamada, Tonos de confirmación de llamada en curso y Fin de la llamada.
  • Invitación a marcar, Marcación del número de destino, Corriente de llamada, Tonos de confirmación de llamada en curso y Fin de la llamada.
  • Inicio de la llamada, Marcación del número de destino, Corriente de llamada, Tonos de confirmación de llamada en curso y Fin de la llamada.
  • Inicio de la llamada, Invitación a marcar, Marcación del número de destino, Corriente de llamada y Fin de la llamada.

Question 78

Question
Informática y telecomunicaciones | La señalización de abonado y de enlace El canal asociado:
Answer
  • Es el empleado tradicionalmente y se basa en que la voz viaja por los mismos circuitos que las señales de control, pudiendo ser la señalización por corriente continua (señalización DC en banda), por tonos de frecuencia (fuera de la banda audible) y digital (en el intervalo 16 de una trama PCM).
  • Se está empezando a implantar en las modernas redes digitales, donde la señalización se realiza por un canal específico, dentro de los disponibles, constituyendo ellos una red de señalización en si misma. Es una señalización más potente que la del canal asociado porque permite atender miles de llamadas (son canales de 56 o 64 Kbps). Permite, además, ofertar otro tipo de servicios a los usuarios de telefonía.
  • No se emplea en la actualidad y se basa en que la voz viaja por los mismos circuitos que las señales de datos, pudiendo ser la señalización por corriente continua (señalización DC en banda), por tonos de frecuencia (fuera de la banda audible) y digital (en el intervalo 16 de una trama PCM).
  • Se está empezando a implantar en las antiguas redes analógicas, donde la señalización se realizaba por un canal específico, dentro de los disponibles, constituyendo ellos una red de señalización en si misma.

Question 79

Question
Informática y telecomunicaciones | La señalización de abonado y de enlace El canal común:
Answer
  • Es el empleado tradicionalmente y se basa en que la voz viaja por los mismos circuitos que las señales de control, pudiendo ser la señalización por corriente continua (señalización DC en banda), por tonos de frecuencia (fuera de la banda audible) y digital (en el intervalo 16 de una trama PCM).
  • Se está empezando a implantar en las modernas redes digitales, donde la señalización se realiza por un canal específico, dentro de los disponibles, constituyendo ellos una red de señalización en si misma. Es una señalización más potente que la del canal asociado porque permite atender miles de llamadas (son canales de 56 o 64 Kbps). Permite, además, ofertar otro tipo de servicios a los usuarios de telefonía.
  • No se emplea en la actualidad y se basa en que la voz viaja por los mismos circuitos que las señales de datos, pudiendo ser la señalización por corriente continua (señalización DC en banda), por tonos de frecuencia (fuera de la banda audible) y digital (en el intervalo 16 de una trama PCM).
  • Se está empezando a implantar en las antiguas redes analógicas, donde la señalización se realizaba por un canal específico, dentro de los disponibles, constituyendo ellos una red de señalización en si misma.

Question 80

Question
Informática y telecomunicaciones | Corriente Continua y Corriente Alterna ¿Qué es corriente Alterna?
Answer
  • Corriente Alterna (CA o AC). Es cuando la corriente circula en ambos sentidos y varía la cantidad de electrones que circulan a cada instante. Éste tipo de corriente la producen los alternadores y osciladores. Suele utilizarse como fuente de energía eléctrica tanto en aplicaciones industriales como en el hogar.
  • Corriente Alterna (CA o AC). Es cuando la corriente circula siempre en el mismo sentido y tiene un flujo constante en el tiempo. Esta clase de corriente la generan los alternadores y osciladores.
  • Corriente Alterna (CA o AC). Es cuando la corriente circula siempre en el mismo sentido y tiene un flujo constante en el tiempo. Esta clase de corriente la generan las pilas, dinamos y baterías.
  • Corriente Alterna (CA o AC). Es cuando la corriente circula en ambos sentidos y varía la cantidad de electrones que circulan a cada instante. Éste tipo de corriente la generan las pilas, dinamos y baterías. Suele utilizarse como fuente de energía eléctrica tanto en aplicaciones industriales como en el hogar.

Question 81

Question
Informática y telecomunicaciones | Física del sonido (propagación y percepción) Clasificación de las ondas acústicas según la existencia de obstáculos.
Answer
  • Sin obstáculos y Con obstáculos.
  • Ondas Longitudinales y Ondas Transversales.
  • Progresiva y Regresiva.
  • Ondas planas, ondas esféricas y ondas cilíndricas.

Question 82

Question
Informática y telecomunicaciones | Física del sonido (propagación y percepción) Clasificación de las ondas acústicas según el modo de propagación.
Answer
  • Ondas planas, ondas esféricas y ondas cilíndricas.
  • Sin obstáculos y con obstáculos.
  • Ondas longitudinales y ondas transversales.
  • Progresiva y regresiva.

Question 83

Question
Informática y telecomunicaciones | Física del sonido (propagación y percepción) Clasificación de las ondas acústicas según dirección y sentido de propagación.
Answer
  • Ondas planas, ondas esféricas y ondas cilíndricas.
  • Sin obstáculos y con obstáculos.
  • Ondas longitudinales y ondas transversales.
  • Progresiva y regresiva.

Question 84

Question
Informática y telecomunicaciones | TELECOMUNICACIONES. El margen de frecuencias que pueden ser transportadas a través de un canal, con distorsión y atenuación limitadas, se llama:
Answer
  • Ancho de banda Hz.
  • Frecuencia de corte (Inferior y Superior en las que la señal se atenúa 3 dB).
  • Parámetro característico del medio.
  • Todas son ciertas.

Question 85

Question
Informática y telecomunicaciones | Medios de transmisión Si la banda del medio de transmisión no incluye las bajas frecuencias, y no está diseñado para el transporte de señales digitales, siendo necesario un proceso de adaptación de la señal para su transporte, se conoce como:
Answer
  • Transmisión en banda base.
  • Transmisión en banda ancha.
  • Transmisión sin banda.
  • Transmisión de doble banda.

Question 86

Question
Informática y telecomunicaciones | Modulación. La modulación QAM, es:
Answer
  • Una modulación en frecuencia.
  • Una modulación de fase.
  • Una modulación de frecuencia y fase en cuadratura.
  • Una modulación de amplitud en cuadratura.

Question 87

Question
Informática y telecomunicaciones | Propagación de ondas Acceso múltiple o multiplexación por división de frecuencia (FDMA)
Answer
  • Varias señales, normalmente analógicas, coexisten en el soporte gracias a que se les hace ocupar zonas de frecuencia iguales.
  • Cada intervalo de tiempo, un solo canal es el que hace uso en exclusiva de toda la capacidad de transmisión del soporte.
  • Varias señales, normalmente analógicas, coexisten en el soporte gracias a que se les hace ocupar zonas de frecuencia diferentes.
  • Varias señales, normalmente digitales, coexisten en el soporte gracias a que se les hace ocupar zonas de frecuencia iguales.

Question 88

Question
Informática y telecomunicaciones | Propagación de ondas En las comunicaciones vía satélite:
Answer
  • La órbita geoestacionaria está a 36.000 Km sobre el Ecuador o una vuelta cada 24 horas.
  • Se usa la técnica FDMA, que es un caso particular de la técnica de FM.
  • También se usa la técnica TDMA, que es un caso particular de AM.
  • Se usan las mismas frecuencias para comunicarse en sentido ascendente (uplink) o para hacerlo en sentido descendente (downlink).

Question 89

Question
Informática y telecomunicaciones | Modulación La técnica MIC se realiza en tres fases:
Answer
  • Muestreo, cuantificación y codificación.
  • Cuantificación, muestreo y codificación.
  • Codificación, cuantificación y muestreo.
  • Todas son falsas.

Question 90

Question
Informática y telecomunicaciones | Modulación El ancho de banda en doble banda lateral:
Answer
  • Es el doble que el que presenta el mensaje en banda base.
  • Es el triple que el que presenta el mensaje en banda base.
  • Es la mitad que el que representa el mensaje en banda base.
  • Todas son falsas.

Question 91

Question
Informática y telecomunicaciones | Física del sonido (propagación y percepción) Las ondas sonoras u onda acústica, son:
Answer
  • Vibraciones y variaciones de presión que se propagan en un medio rígido.
  • Vibraciones y variaciones de presión que se propagan en un medio elástico.
  • Vibraciones y variaciones de presión que se propagan en un medio estático.
  • Vibraciones y variaciones de tensión que se propagan en un medio elástico.

Question 92

Question
Informática y telecomunicaciones | Física del sonido (propagación y percepción) Un medio elástico es aquel que posee:
Answer
  • La capacidad de restaurar la posición de equilibrio de sus moléculas cuando estas experimentan un pequeño desplazamiento respecto a dicha posición.
  • La capacidad de no restaurar la posición de equilibrio de sus moléculas cuando estas experimentan un pequeño desplazamiento respecto a dicha posición.
  • La capacidad de restaurar la posición de desequilibrio de sus moléculas cuando estas experimentan un pequeño desplazamiento respecto a dicha posición.
  • La capacidad de restaurar la posición de equilibrio de sus electrones cuando estas experimentan un pequeño desplazamiento respecto a dicha posición.

Question 93

Question
Informática y telecomunicaciones | Física del sonido (propagación y percepción) Frente de onda se define como:
Answer
  • La superficie que no contiene puntos que se encuentran en la misma fase de vibración.
  • La superficie que contiene puntos que se encuentran en el mismo desfase de vibración.
  • La superficie que contiene puntos que no se encuentran en la misma fase de vibración.
  • La superficie que contiene puntos que se encuentran en la misma fase de vibración.

Question 94

Question
Informática y telecomunicaciones | Física del sonido (propagación y percepción) El sonido se produce por:
Answer
  • La vibración de los cuerpos, la cual se transmite en forma de ondas eléctricas a través del aire que los rodea y llega hasta nuestros oídos, que pueden así percibir el sonido original.
  • La vibración de los cuerpos, la cual se transmite en forma de ondas sonoras a través del vacío que los rodea y llega hasta nuestros oídos, que pueden así percibir el sonido original.
  • La vibración de los cuerpos, la cual se transmite en forma de ondas sonoras a través del aire que los rodea y llega hasta nuestros oídos, que pueden así percibir el sonido original.
  • La separación de los cuerpos, la cual se transmite en forma de ondas sonoras a través del aire que los rodea y llega hasta nuestros oídos, que pueden así percibir el sonido original.

Question 95

Question
Informática y telecomunicaciones | Física del sonido (propagación y percepción) Las cualidades que caracterizan el sonido son:
Answer
  • La intensidad de la corriente, su altura o tono y su timbre.
  • La intensidad, su altura o tono y su timbre.
  • La tensión, su altura o tono y su timbre.
  • La intensidad, su bajura o tino y su timbre.

Question 96

Question
Informática y telecomunicaciones | Física del sonido (propagación y percepción) El eco se produce cuando:
Answer
  • Una onda sonora o electromagnética incide sobre un obstáculo y es reflejada por éste.
  • Una onda sonora o electromagnética incide sobre un obstáculo y es no reflejada por éste.
  • Una onda sonora o electromagnética no incide sobre un obstáculo y es reflejada por éste.
  • Una onda sonora incide sobre un obstáculo y es no reflejada por éste.

Question 97

Question
Informática y telecomunicaciones | Física del sonido (propagación y percepción) Resonancias se puede interpretar como:
Answer
  • Una onda que avanza más que otra que no retrocede. Pero si ambas son de igual amplitud también se puede interpretar como una onda estacionaria.
  • Una onda que no avanza más que otra que retrocede. Pero si ambas son de igual amplitud también se puede interpretar como una onda estacionaria.
  • Una onda que retrocede más que otra que avanza. Pero si ambas son de igual amplitud también se puede interpretar como una onda estacionaria.
  • Una onda que avanza más que otra que retrocede. Pero si ambas son de igual amplitud también se puede interpretar como una onda estacionaria.

Question 98

Question
Informática y telecomunicaciones | Física del sonido (propagación y percepción) El análisis por trazado de rayos es una técnica de gran valor para detectar problemas en grandes locales como por ejemplo teatros o salas de conciertos. Se realiza utilizando:
Answer
  • La misma técnica que se utiliza con la Luz, esto es, suponiendo que las reflexiones que ocurren son especulares.
  • La misma técnica que se utiliza con la onda electromagnética, esto es, suponiendo que las reflexiones que ocurren son especulares.
  • La misma técnica que se utiliza con la Luz, esto es, suponiendo que las reflexiones que ocurren no son especulares.
  • La misma técnica que se utiliza con la Luz, esto es, suponiendo que las reflexiones que ocurren son espectaculares.

Question 99

Question
Informática y telecomunicaciones | Física del sonido (propagación y percepción) ¿Qué es la absorción?
Answer
  • Para definir la absorción a se establece como 1 el máximo de esta cantidad y es igual al comportamiento de una pared perfectamente reflectora, mientras que se establece que su mínimo es igual a la absorción que tendría una ventana abierta de un metro cuadrado. Los valores intermedios corresponden a materiales que, de alguna manera, transforman la energía de las ondas sonoras en algún otro tipo, por ejemplo energía térmica, vibraciones, etc.
  • Para definir la absorción a se establece como 10 el máximo de esta cantidad y es igual a la absorción que tendría una ventana abierta de un metro cuadrado, mientras que se establece que su mínimo es igual al comportamiento de una pared perfectamente reflectora. Los valores intermedios corresponden a materiales que, de alguna manera, transforman la energía de las ondas sonoras en algún otro tipo, por ejemplo energía térmica, vibraciones, etc.
  • Para definir la absorción a se establece como 100 el máximo de esta cantidad y es igual a la absorción que tendría una ventana abierta de un metro cuadrado, mientras que se establece que su mínimo es igual al comportamiento de una pared perfectamente reflectora. Los valores intermedios corresponden a materiales que, de alguna manera, transforman la energía de las ondas sonoras en algún otro tipo, por ejemplo energía térmica, vibraciones, etc.
  • Para definir la absorción a se establece como 1 el máximo de esta cantidad y es igual a la absorción que tendría una ventana abierta de un metro cuadrado, mientras que se establece que su mínimo es igual al comportamiento de una pared perfectamente reflectora. Los valores intermedios corresponden a materiales que, de alguna manera, transforman la energía de las ondas sonoras en algún otro tipo, por ejemplo energía térmica, vibraciones, etc

Question 100

Question
Informática y telecomunicaciones | Física del sonido (propagación y percepción) El Tiempo de Reverberación se define como:
Answer
  • El tiempo de reverberación o tiempo de atenuación es el tiempo que tarda la señal sonora desde su punto de inicio hasta su disminución en 60dB, o el espacio de tiempo necesario que ha de trascurrir para que la intensidad del sonido se reduzca en una millonésima parte de su valor.
  • El tiempo de reverberación o tiempo de atenuación es el tiempo que tarda la señal sonora desde su punto de inicio hasta su disminución en 600dB, o el espacio de tiempo necesario que ha de trascurrir para que la intensidad del sonido se reduzca en una millonésima parte de su valor.
  • El tiempo de reverberación o tiempo de atenuación es el tiempo que tarda la señal sonora desde su punto de inicio hasta su disminución en 6dB, o el espacio de tiempo necesario que ha de trascurrir para que la intensidad del sonido se reduzca en una millonésima parte de su valor.
  • El tiempo de reverberación o tiempo de atenuación es el tiempo que tarda la señal sonora desde su punto de inicio hasta su disminución en 0’6dB, o el espacio de tiempo necesario que ha de trascurrir para que la intensidad del sonido se reduzca en una millonésima parte de su valor.
Show full summary Hide full summary

Similar