Dispositivos Electronicos

Description

ejercicios
ebr.ibez
Quiz by ebr.ibez, updated more than 1 year ago
ebr.ibez
Created by ebr.ibez over 9 years ago
1410
1

Resource summary

Question 1

Question
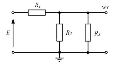
Para el circuito de la figura, calcular la potencia disipada en la resistencia R3. Para calcular asuma: E = 15V, R1 = k5, R2 = 4k7, R3 = 1k.
Answer
  • 7268 W
  • 7000 W
  • 6500 W
  • 6268 W

Question 2

Question
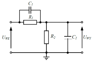
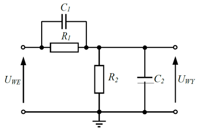
Para el circuito de la figura atenuador compensador, calcular el valor de: Resistencia R2 con: R1 = 3,6k, C1 = 30p, C2 = 100p
Answer
  • 1,08 K
  • 1 K
  • 1,05 K
  • 1,95 K

Question 3

Question
Para el circuito de la figura atenuador compensador, calcular el valor de: Condensador C1 con: R1 = 9,1M, R2 = 1M, C2 = 100p.
Answer
  • 10,898 p
  • 11.098 p
  • 10,989 p
  • 9,989 p

Question 4

Question
Suponiendo que la caída de tensión en el diodo es UD = 0,7V, en el circuito de la figura calcular el punto de funcionamiento del diodo (asuma R = 6,8k, RL = 1k, E = 2V),
Answer
  • (0,2mA ; 0,7V)
  • (0,25 mA ; 0,7V)
  • (0,16 mA ; 0,7V)
  • (0,2mA ; 2V)

Question 5

Question
Ocupando los datos anteriores, obtener la Resistencia dinámica del diodo
Answer
  • 14,44 K
  • 13,44 K
  • 12,44 K
  • 15,44 K

Question 6

Question
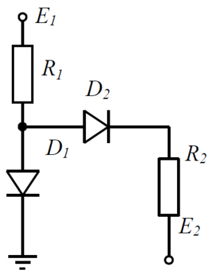
En el circuitos de la figura determinar el punto de operación en el diodo 1, usando: modelo de diodo con caída de tensión UD = 0,7V. Para los cálculos use: E1 = 15V, E2 = –5V, R1 = 3k3, R2 = 5k1.
Answer
  • (3,35mA ; 0,7V)
  • (2,30mA ; 0,7V)
  • (3,30mA ; 0,7V)
  • (4,35mA ; 0,7V)

Question 7

Question
El diodo de la figura es ideal. Obtener el valor de VA.
Answer
  • 12V
  • -8V
  • 20V
  • 4V

Question 8

Question
Suponer que D1 y D2 en la figura son diodos ideales de GaAs con una tensión de codo de 1,2 V. Hallar el valor de la corriente de entrada cuando: Vi = 12 V
Answer
  • Ii = 3,4 mA
  • Ii = 6,4 mA
  • Ii = 3,45 mA
  • Ii = 5,4 mA

Question 9

Question
Encuentre el valor de I3 del circuito de la figura
Answer
  • 8/15 A
  • 12/15 A
  • 4/15 A
  • 11/15 A

Question 10

Question
En el circuito indicado en la figura, las baterías tienen una resistencia interna despreciable. Hallar la corriente en cada resistencia.
Answer
  • I1=2/3 A ; I2=17/9 A ; I3=-8/15 A
  • I1=8/9 A; I2=14/9 A ; I3=2/3 A
  • I1=2/3 A ; I2=14/9 A ; I3=-8/9 A
  • I1=1/3 A ; I2=14/9 A ; I3=-4/9 A

Question 11

Question
En el circuito de la figura V=300 V., VZ=220 V.. La corriente del zener vale 15 mA. Y la de la carga 25 mA. Responder las sgtes. preguntas: a)Calcular el valor de R que debe emplearse.
Answer
  • 2K
  • 3K
  • 2,5K
  • 3,5K

Question 12

Question
b)Si la corriente I decrece 5 mA. ¿ Cuál será la corriente del zener?.
Answer
  • -5 mA
  • 15 mA
  • 10 mA
  • 20 mA

Question 13

Question
c) Si con la misma carga que en el apartado "a)" la tensión de suministro pasa a 340V. ¿cuánto valdrá IZ?
Answer
  • 45 mA
  • 40 mA
  • 35 mA
  • Ninguna de las anteriores

Question 14

Question
d) El campo de trabajo del diodo zener va de 3 a 50 mA. Sí R=1,5 K. y V=340 V. ¿dentro de que valores de corriente se puede variar la carga ?.
Answer
  • ILmax = 77 mA. ILmin = 30 mA.
  • ILmax = 77 mA. ILmin = 35 mA.
  • ILmax = 67 mA. ILmin = 25 mA.
  • ILmax = 67 mA. ILmin = 35 mA.

Question 15

Question
Los parámetros de un diodo zener de 6,3 V para el circuito regulador de la figura son: VZ = 6.3 V con IZT = 40 mA y RZ =2 W. La tensión de alimentación es de VS puede variar entre 12 y 18 V. La corriente de carga mínima es de 0 mA. La corriente del diodo zener mínima iZ(mínima) es de 1 mA. La disipación de potencia PZ(máx) del diodo zener no debe exceder de 750 mW a 25º C. Determine: a)el valor máximo permisible de la corriente zener iz(máx).
Answer
  • 11,9 mA
  • 1,19 mA
  • 120 mA
  • 119 mA

Question 16

Question
b) El valor de Rs que limita la corriente zener iz(máx).
Answer
  • 0,077 K
  • 0,067 K
  • 0,097 K
  • 0,087 K

Question 17

Question
c) La disipación de potencia máxima PR de RS.
Answer
  • 1543 mW
  • 1342 mW
  • 1422 mW
  • 1374 mW

Question 18

Question
d) La corriente de carga máxima iL(máx).
Answer
  • 119,62 mA.
  • 117,62 mA.
  • 119,32 mA.
  • 118,62 mA.

Question 19

Question
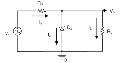
Calcular la potencia nominal mínima del diodo zener de la figura, para que el circuito estabilice correctamente, si la entrada del circuito puede variar entre 10 y 15 Voltios y RL entre 1 KW y 10 KW. El diodo zener tiene una tensión zener de 5V y la resistencia Rs del circuito un valor de 100W
Answer
  • 225 mW
  • 218 mW
  • 200 mW
  • 220 mW

Question 20

Question
Utilizar el modelo de Zener de la figura para hallar los valores máximo y mínimo de RL del circuito regulador de la figura cuando R3 = 48,7 Ω y VBB = 15 V. El Zener de 5 V tiene una corriente inversa mínima de 10 mA, y su disipación de potencia máxima es 1 W.
Answer
  • RL(min) = 28,6 Ω, RL(max) = 2 kΩ
  • RL(min) = 25,6 Ω, RL(max) = 2 kΩ
  • RL(min) = 25,6 Ω, RL(max) = 1 kΩ
  • RL(min) = 20,6 Ω, RL(max) = 1 kΩ
Show full summary Hide full summary

Similar

DISPOSITIVOS DE ENTRADA, SALIDA Y ALMACENAMIENTO
Daniel Ochoa Hernández
CUESTIONARIO DE INFORMÁTICA BÁSICA
ELIZABETH CASCO FUNES
Dispositivos Periféricos
Guadalupe Rguez
DISPOSITIVOS MIXTOS
Fernanda Gomez
Arquitectura Tecnológica del Sistema Información
carlos eduardo lozano miranda
DISPOSITIVOS DE ENTRADA ,SALIDA Y ALMACENAMIENTO DE LA COMPUTADORA
Arely Herrera
DISPOSITIVOS BASICOS Y ESTILOS DE APRENDIZAJE
marlenymartinezs
Dispositivos de Almacenamiento Secundario: Disquete, CD, DVD, Disco Duro y Memoria USB
Luis Angel Reyes Sánchez
ARQUITECTURA DEL COMPUTADOR
natividadlliquin
DISPOSITIVOS DE SALIDA
Fernanda Gomez