The following image is not a block diagram.
A circuit diagram displays...?
components in their correct positions.
the general stages of a system.
components not in their correct positions.
exactly how a system is wired up.
Select all of the common ratios that is used in electrical installations?
1:40
1:20
1: 500
1: 100
A site plan is a scope of the building landscape and it's surrounding services.
Select the following features of what a Gantt chart would display in BSE.
Start and finish dates of work activities.
Contact details of employees.
Description of work activities.
Conductors of cables.
Which of the following does a specification document not outline?
Materials to be used within the job.
Design details of the job.
The wiring of the system to be installed.
A breakdown of the building construction.
A wiring diagram would indicate the correct positioning of all components.
A schematic diagram displays the theoretical representation of a circuit.
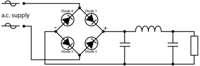
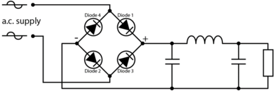
What type of diagram is represented in the following image?
Schematic Diagram
Layout Diagram
Circuit Diagram
Block Diagram
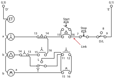
The following image represents a?
Wiring Diagram
Site Plan