Each question in this quiz is timed.
Como elemento Histórico Menciona el nombre del creador del primer circuito integrado.
Jack delbie
Jack Kilby
Jack Dowson
Un circuito Integrado es :
Un circuito formado por elementos tales como diodos, transistores, resistencias y condensadores, los cuales están interconectados y ubicados en una pastilla de silicio monocristalino
Un grupo de Compuertas lógicas Interconectadas y ubicados en una pastilla de silicio monocristalino cuya función depende de la tabla de verdad
Forman parte de la integración de circuitos en los procesos de la electrónica básica, suelen clasificarse en NOT OR AND
La característica más notable de una placa grabadora de PICS es su tamaño; ya que puede contener 275 mil instrucciones , además de una multitud de otros componentes que llegan a medir menos de un centímetro a poco más de tres centímetros.
La imagen mostrada representa una compuerta :
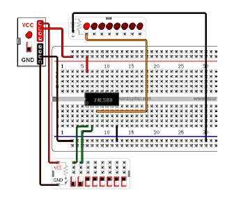
AND lógico y cuyo DIP es 74LS08
OR Iogico y cuyo DIP es 187f877a
NOT Ilogico y cuyo DIP es 77L89B
Cual es el enunciado que describe mejor a la gráfica lateral
El siguiente diagrama muestra que se debe de emplear para el buen funcionamiento del CI. Donde el pin 6 está conectado a tierra (cable negro) y el pin 14 a voltaje (cable rojo). Los pines 3 y 4 debido a que son entradas están conectados al módulo de interruptores (cables verdes). El pin 2 debido a que es salida está conectado al módulo de LED`s (cable naranja). En este caso hay una salida en alto debido a que están activadas las dos entradas.
El siguiente diagrama muestra el conexionado que se debe de emplear para el buen funcionamiento de la compuerta NAND Donde el pin 8 está conectado a tierra (cable negro) y el pin7 a voltaje (cable rojo). Los pines 3 y 4 debido a que son entradas están conectados al módulo de interruptores (cables verdes). El pin 3 debido a que es salida está conectado al módulo de LED`s (cable naranja). En este caso hay una salida en alto debido a que están activadas las dos entradas.
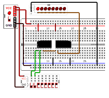
El siguiente diagrama muestra la conexión que se debe de emplear para el buen funcionamiento del CI. Donde el pin 7 está conectado a tierra (cable negro) y el pin 14 a voltaje (cable rojo). Los pines 1 y 2 debido a que son entradas están conectados al módulo de interruptores (cables verdes). El pin 3 debido a que es salida está conectado al módulo de LED`s (cable naranja). En este caso hay una salida en alto debido a que están activadas las dos entradas.
cierto o falso El CI 74LS32 cuenta con 14 pines: • Pin 7: Toma de tierra • Pin 14: Toma de voltaje CI 73H32 cuenta con 4 compuertas lógicas
Los están determinados por el programa almacenado en su memoria y su caracteristica principal es que puden reprogramarse repetidas veces
Los son agrupados de acuerdo a su gama base 12bits 14 bits y 16 bits
El número de puertos en los PIC y es de 3 (28 pines) y el número de puertos en los PIC y es de 5 (40 pines).
En un se producen los códigos más eficientes en cuanto a tamaño, numero de instrucciones y manejo de recursos del microprocesador
Cual es la mejor descripción para el siguiente diagrama
Demuestra el cableado que se debe de emplear, Donde el pin 7 está conectado a tierra (cable negro) y el pin 14 a voltaje (cable rojo). El pin 1 debido a que es una entrada está conectado al módulo de interruptores (cable verde). El pin 2 debido a que es salida está conectado al módulo de LED`s (cable naranja).
En este caso hay una salida en alto debido a que esta desactivada la entrada.Circuito Integrado 74LS04 que lo convierte en una compuerta logica NOT que ademas, tiene la función de cambiar los valores de entrada (invertir).
La compuerta lógica NOT, tiene la función de invertir sus valores de salida, esta sólo necesita una salida en bajo para tener una entrada en alto. En el diagrama se muestra una salida en bajo debido a que hay una entrada en alto
Cual elemento puede describir mejor a la tabla presente.
La compuerta lógica NOR, tiene la función de una compuerta lógica OR invertida.
Debido a que la compuerta lógica tiene la función de invertir los valores de salida de la operación aritmética suma, esta necesita forzosamente las entradas en bajo para tener una salida en alto. Debido a que 0 sumado por 0 es igual a 0 pero ya que se invierte el resultado nos da un 1 de salida. En el diagrama se muestra una salida en alto debido a que sus entradas están en bajo.
El pin 7 debe está conectado a tierra (cable negro) y el pin 14 a voltaje (cable rojo). Los pines 2 y 3 debido a que son entradas están conectados al módulo de interruptores (cable verde). El pin 1 debido a que es salida está conectado al módulo de LED`s (cable naranja). En este caso hay una salida en alto debido a que están desactivadas las entradas.
El siguiente esquema representa la funcionalidad incorporada de una compuerta ?
XNOR
XOR
NAND
La imagen mostrada representa?
La compuerta lógica XNOR, también llamada “Or exclusiva” representa la función de desigualdad
La compuerta lógica XOR, también llamada “Or exclusiva” representa la función de desigualdad
La compuerta lógica OR, también llamada “XNOR exclusiva” representa la función de desigualdad
Que conjunto de Dip representaria la función de un elemento XNOR segun el esquema
Circuito Integrado 74LS266 74LS86
DIP CI74LS04 DIP 74LS86
CI74LS86 debido a que es salida está conectado al pin 1 del CI74LS04
Es almacenado en el archivo fuente, este archivo está escrito con el for Information Interchange (ASCII) y contiene y comentarios (utilizados para que los humanos puedan entender lo que el programa está ejecutando).
En sí es una mezcla de lenguaje de programación y de lenguaje natural. La idea del consiste en aprovechar la y poder expresivo del por un lado, y las reglas de composición de los lenguajes de programación de por el otro
Un es un diagrama que utiliza y que tiene los pasos del escritos en esas cajas unidas por flechas, denominadas , que indican la secuencia en que se deben ejecutar.
La escritura del exige normalmente la indentación () de diferentes líneas.
Los principales tipos de lenguajes utilizados en la actualidad
Lenguaje maquina Lenguaje de bajo nivel (ensamblador) Lenguajes de alto nivel
Lenguaje pseudocodigo Lenguaje v9 (ensamblador) Lenguajes de alto nivel Arduino
Se llama a las instrucciones que se dan directamente a la computadora, utilizando una serie de dígitos binarios o bits, representados por los números 0 y 1 que especifican una operación.
El por excelencia es el (assembler lenguaje). Las instrucciones en son conocidas como mnemotécnicos.
El bloque representa : IF (Condición) {Bloque de sentencias 1} ELSE {Bloque de sentencias 2}
Las estructuras de control permiten modificar el flujo de ejecución de las instrucciones de un programa.
Las estructuras de diagrama de flujo y pseudocodigo permiten modificar el flujo de ejecución de las instrucciones de un programa.
codifica el siguiente mensaje y valida la información con la ayuda de la tabla ASCII en valores decimal 84-79-68-79-95-69-83-80-79-83-73-66-76-69-95-69-78-95-76-65-95-77-69-68-73-68-65-95-81-85-69-84-85-67-82-65-83-69-83-95-80-79-83-73-66-76-69
EL EXITO ES LA LLAVE A LA FELICIDAD
TODO EL AMOR DEL MUNDO, PLASMADO EN UN GRANITO DE ARENA
TODO ES POSIBLE EN LA MEDIDA QUE TU LO CREAS QUE ES POSIBLE
con la ayuda de un convertidor de texto a binario decifra el codigo 01000101 01110011 00101101 01110000 01101111 01110011 01101001 01100010 01101100 01100101 00100000 00100000
sera que sera
Es-posible
En- cambio no
La estructura general de la programación esta relacionada con :
Inicio -- Proceso--- variables -- condicion -- fin
Variables -- proceso--- condición -- fin
Inicio-- variables-- proceso-- decision -- proceso -- fin
el codigo en binario 10011011 corresponde al numero 155
el codigo en binario 10101 corresponde al numero 11
el codigo en binario 1010010 corresponde al 82
el codigo 00110011 corresponde a 51
el codigo 100010100001 corresponde a 2209
el numero 21 tiene una longitud de 5 bits
el numero 512 tiene una longitud de 10 bits
1 KB equivale a 2 a la 10
1 GB EQUIVALE 2 A LA 30
UN TB EQUIVALE 2 A LA 50
1 MB EQUIVALE 2 A LA 60
El siguiente esquema puede representar al conjunto de :
La Compuerta Lógica NAND esta conformada por una Compuerta AND y una Compuerta NOT.
La Compuerta Lógica XOR esta conformada por una Compuerta AND y una Compuerta NOT.
La Compuerta Lógica NOT esta conformada por una Compuerta AND y una Compuerta XOR
LA SIGUIENTE TABLA DE VERDAD REPRESENTA BIEN A :
UNA COMPUERTA NOR
UNA COMPUERTA XOR
UNA COMPUERTA OR
EL SIGUIENTE ESQUEMA REPRESENTA BIEN A :
UNA COMPUERTA AND DE 3 ENTRADAS
UNA COMPUERTA OR DE 2 ENTRADAS
UNA COMPUERTA NAND DE 3 ENTRADAS