En la conversión de lógica de disparo D a JK se cumple que D=Qt'J+QtK'
Los biestables son capaces de adoptar dos estados estables, que perduran en el tiempo de modo indefinido aunque haya desaparecido la excitación que los originó
Un biestable RS con sincronismo por nivel alto oscilará mientras R=S=Clk=1
Los biestables M/S eliminan el problema de la captación de unos
Los biestables D maestro/esclavo eliminan el problema de las carreras y el de la captación de unos
En los biestables síncronos las entradas asíncronas son mas prioritarias que las entradas de la lógica de disparo, pero menos que la señal de reloj
La ecuacion del biestable JK es: Qt+1=Qt'J+QtK'
La ecuacion del biestable T es Qt+q=T(+)Qt
Para un biestable JK M/S con transmisión por flanco de subida es correcto el siguiente cronograma
El numero de estados de un sistema secuencial sincrono es funcion del numero de entradas del mismo
Sobre un mismo registro de desplazamiento no se podrían implementar las dos modalidades de carga paralelo (síncrona y asíncrona)
En los registros de desplazamiento con carga paralelo sincrona, cuando se realiza la carga es necesario habilitar la carga paralelo y deshabilitar la señal de reloj
El tiempo de establecimiento (setup) no influye en la frecuencia de funcionamiento de los contadores asincronos
El tiempo de mantenimiento (hold) no influye en la frecuencia de funcionamiento de los contadores asíncronos
En los contadores asíncronos la frecuencia máxima de funcionamiento es directamente proporcional al numero de biestables
En todos los biestables el próximo estado depende del estado actual y de las entradas de la lógica de disparo
La siguiente expresión se corresponde con la ecuación de un biestable JK: Qt+1:(Q't+K')(J+Qt)
Los biestables T solo se pueden sincronizar por flanco
La siguiente tabla de excitación corresponde a un biestable JK
En la conversión lógica de disparo T a D se cumple que T=Qt(+)D
En un biestable M/S síncrono por flanco de subida, el biestable maestro realiza la captación en el nivel bajo
El siguiente cronograma es correcto en el caso que un biestable RS-NOR síncrono por nivel alto:
En un registro paralelo/serie, con carga asíncrona, se puede implementar un registro serie/serie sin coste circuital
Para implementar un contador módulo K se deben utilizar n biestables, de forma que cumpla la siguiente condición: n= Int(log2K), donde int(x), es la función parte entera de x.
En la salida de mayor peso de un contador asíncrono módulo N, podremos encontrar una señal de frecuencia F/N, siendo F la frecuencia de la señal de reloj
En los contadores síncronos con acarreo paralelo no aparecen estados indeseados entre cuentas sucesivas
En los contadores síncronos con acarreo serie aparecen estados indeseados entre cuentas sucesivas
En un biestable RS NOR asíncrono, si ponemos simultáneamente R y S a uno lógico, no podremos saber qué valores toman las salidas Q y Q'
En un biestable RS-NAND asíncrono, la entrada R' está en la misma puerta NAND que la salida Q
Un biestable JK asíncrono con la combinación J=K=1 tendrá la salida Q oscilando entre cero y uno lógico. El problema de las oscilaciones no existe si el sincronismo del biestable es por nivel
Los biestables maestro-esclavo, independientemente de la lógica de disparo, solucionan el problema de las carreras, aunque presentan el inconveniente de la captación de unos
Con una puerta or-exclusiva podemos conseguir una lógica de disparo T a partir de un biestable D y viceversa
Para implementar un divisor de frecuencia por 32, se necesitan al menos 5 biestables
En los biestables sincronos con entradas asíncronas de preset y clear, se pueden producir indeterminaciones independientemente de la lógica de disparo del biestable y de su tipo de sincronismo
En un biestable con sincronismo por nivel, el tiempo de mantenimiento(hold time) es un tiempo mínimo que deben permanecer invariables las entradas de la lógica de disparo después del nivel activo de la señal de reloj
Un registro serie/paralelo se puede utilizar también como registro de desplazamiento serie/serie
Los registros de desplazamiento con carga paralelo, se implementan necesariamente con biestables síncronos con entradas asíncronas
Supóngase un contador asíncrono módulo 16 con reset activo por nivel alto, si se conecta a la salida de peso 2^3 a la entrada de reset, tendremos un contador binario natural módulo 8
El siguiente cronograma es correcto para el caso de un biestable RS maestro/esclavo con transmisión por flanco de bajada
Todos los biestables maestro/esclavo con cierre de datos están libres del problema de la captación de unos y de las carreras
En la figura se muestra el diagrama lógico de un biestable RS NAND con sincronismo por nivel alto y entradas asíncronas de preset y clear activas a nivel bajo
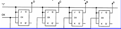
Suponiendo biestables JK con sincronismo por nivel alto, en la salida DCBA del siguiente circuito se estabiliza un numero aleatorio en binario natural coincidiendo con el flanco de bajada de la señal de reloj
El procedimiento para modificar la lógica de disparo de un biestable no interfiere con el tipo de sincronismo del biestable de partida
En los contadores asíncronos para modificar la lógica de disparo de un biestable no interfiere con el tipo de sincronismo del biestable de partida
En los contadores asíncronos la frecuencia máxima de operación es independiente de su módulo
En los contadores asíncronos se producen salidas transitorias indeseadas en todas las transiciones entre dos cuentas válidas
En un sistema secuencial sincrono, correctamente diseñado, las variables de estado pueden tomar más de un valor en el mismo periodo de la señal de reloj
Una característica positiva de los biestables maestro esclavo es que son capaces de captar el proximo estado manteniendo en la salida el estado presente.
Los parametros temporales Tsetup y Thold no son aplicables a biestables con sincronismo por nivel
En la conversion de la lógica de disparo RS y JK se cumple que R=KQ y S=JQ'
En los biestables JK solamente se debe emplear el sincronismo por flanco
En los registros de desplazamiento solamente se utilizan biestables con sincronismo por flanco de tipo maestro-esclavo
Un biestable RS maestro-esclavo solamente puede cambiar de estado una vez en cada periodo de la señal de reloj
Dos sistemas secuenciales con distinto numero de estados no puden tener el mismo numero de variables de estado
En un sistema secuencial con n variables de entrada, desde cada estado, se pueden producir un máximo de 2^n transiciones de estado
En los registros de desplazamiento no se puede implementar una carga paralela sincrona ya que la lógica de disparo de cada biestable está ocupada en la implementacion del desplazamiento
En cualquier contador binario natural, independientemente de que sea síncrono o asíncrono, en la salida de peso 2^n (n es un entero mayor o igual que cero) se tiene una onda cuadrada de la frecuencia de la señal de reloj dividida por 2^(n-1)
En un contador asíncrono la frecuencia máxima de operación es independiente del módulo del contador
Un contador síncrono que cuente según la secuencia 2,4,7,9,12,0,2,4,7,9,12,0,... no se puede implementar con menos de 4 biestables
En un contador síncrono la frecuencia máxima de operacion depende entre otros factores del Tsetup de los biestables
En un contador sincrono, en el que todos los estados prohibidos tienen como estado siguiente o otro estado prohibido, se puede producir lockout
Para implementar con biestables JK un contador síncrono binario natural módulo 2^n con acarreo serie, son precisos n biestables y n-2 puertas AND de dos entradas
El estado de alta impedancia en las patillas de salida de una memoria posibilita la interconexión de varios c.i. de éstas para formar memorias mayores.
En una memoria dinámica, la aplicación de una dirección de fila provoca que todas las celdas de la fila correspondiente se lean y se restauren (“refresquen”).
Con una memoria PROM de 2m x n bits se puede implementar cualquier sistema combinacional con n variables y m funciones.
El tiempo de acceso de lectura o escritura para la mayor parte de las memorias supera al tiempo de ciclo
Internamente en las memorias con organización 2D a cada palabra se accede con una sola línea de selección y en las 3D con dos líneas.
La señal de control Output Enable (OE) deshabilita los circuitos de salida de la memoria, independientemente del estado de las líneas de control de lectura/escritura y selección de pastilla(CS).
La extensión de la longitud de palabra utilizando memorias de longitud de palabra menor, se basa en la utilización de las patillas CS (Chip Select) que permite la selección en cada instante de sólo uno de los módulos de memoria.
El ancho de banda de una memoria (bandwidth) representa la “anchura” (longitud) de su palabra
En las memorias estáticas, la información se almacena como una carga parásita asociada a un transistor de efecto de campo MOS que se pierde por efecto de la descarga del condensador.
De la misma forma que un PLD se puede utilizar para implementar funciones lógicas como utilizando una memoria PROM, también puede sustituir a éstas en cualquier otro tipo de aplicación como memoria.
En una PLA pueden programarse la parte decodificadora (AND) de la memoria.
En una PAL la matriz OR es fija.
En una PAL las salidas pueden compartir términos producto