PARA EL SIGUIENTE ENUNCIADO REALICE EL CIRCUITO DE LAZO DE CONTROL, LUEGO COMPARE Y SELECCIONE LA RESPUESTA QUE CONSIDERE SEA LA CORRECTA
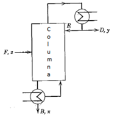
La columna de destilación que se muestra a continuación se utiliza para destilar una mezcla binaria. Los símbolos X, Y, y Z denotan fracciones molares del componente más volátil, mientras que B, D, R y F representan caudales molares. Se desea controlar la composición del destilado a pesar de las perturbaciones en la tasa de flujo de alimentación F. Todas las velocidades de flujo pueden ser medidas y manipuladas con la excepción de F, que sólo se puede medir. Un analizador de composición proporciona mediciones de Y.
Proponga un lazo de control de retroalimentación para controlar la composición de Y.
Select one of the following: