Sources of Technical Information

Description

Sources of Technical Information OB
Oliver Balay
Flashcards by Oliver Balay, updated more than 1 year ago
Oliver Balay
Created by Oliver Balay about 11 years ago
1324
1

Resource summary

Question Answer
Specifications A detailed description of the design and materials used to make something.
Scaled drawings A scale uses a ratio to show how the size of a real object compares to the size of the same object when it is drawn or made as a model. Common scales used within electrical installations are: 1:20, 1:50, 1:100
Block Diagram These are designed to give a general arrangement of the components/stages of a system.
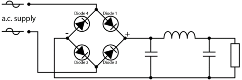
Circuit Diagram This type of diagram shows a simplified representation of an electrical circuit. It shows how the system works but not necessarily in their CORRECT position.
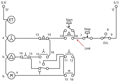
Wiring Diagram This shows how a system is to be wired, which means all the components should be shown in there position.
Schematic Diagram A drawing showing all significant components, parts, or tasks (and their interconnections) of a circuit. It gives a theoretical picture of a circuit.
Bar Charts A Gantt chart is a bar chart used to illustrate a project schedule, including start and finish dates of activities and a summary of activities of a project. These activities form what is usually called the work breakdown structure of a specific construction project.
Layout Diagram These are scale drawings prepared under supervision of an electrical consultant. These drawings show the required position of all equipment and control gear that is to be installed.
Site Plan An architectural plan of the building landscape of intended work, together with it's surroundings and services.
Show full summary Hide full summary

Similar

Unit 203 Revision: Installation Technology Question Bank No.1
Oliver Balay
Unit 202 Revision: Electrical Science Question Bank 1
Oliver Balay
Unit 203 Mock Installation Technology Questions
Oliver Balay
Unit 203 Revision Question Bank No.2
Oliver Balay
Health and Safety Quiz
lynseyrogers23
Area and Circumference of a Circle Quiz
Oliver Balay
Business Marketing
s1500782
Health & Safety Signs
Oliver Balay
Unit 203 Mock Installation Technology Questions
Jamie Parslow-Williams
Unit 203 Revision: Installation Technology Question Bank No.1
Jamie Parslow-Williams
Unit 308 Careeer's Awareness Revision
Oliver Balay