| Question | Answer |
| Elements of Design | Point, Line, Color, Value, Shape, Form, Space, Texture |
| Principles of Design | Balance, Emphasis, Contrast, Rhythm, Proportion, Unity, Economey |
|
Image:
download (image/jpg)
|
Element Line: Many vertical lines were used to give the cabinet some nobility. Principle Balance: Formal symmetry is used to give stability. |
|
Image:
dowload (image/jpg)
|
Principle Unity: All the dolls are the same shape, and color. Everything fits together Principle Rhythm: Graduated rhythm (repetition) |
|
Image:
pro (image/jpg)
|
Element Shape: Mechanical shape used with curved lines to make a shape. Principle Economey: The design is very simple, but still catches your eye. |
|
Image:
download (image/jpg)
|
Element Texture: The gate has a rough texture. Principle Economey: The gate is a simple wood gate. |
|
Image:
download (image/jpg)
|
Element value: The color of the dress fades from dark pink (the bottom) to light pink to white (the top). Principle rhythm: The decrease of bold color is visible as you move up the dress. |
|
Image:
dowload (image/jpg)
|
Element shape: Organic shapes used for branches; curved lines used to make these shapes. Principle balance: Informal balance used with unidentical branches. |
|
Image:
pro (image/jpg)
|
Element line: Curved and Vertical line used give building a sense of stability, nobility, and freedom. Principle Emphasis: Focal point = curve that grabs attention. |
|
Image:
pro (image/jpg)
|
Principle Proportion: Random proportion used to attract attention. Principle Unity: Consistent use of trees and bushes. |
|
Image:
download (image/jpg)
|
Principle Proportion: The size of a barbie is not scaled correctly, if she was actually a real human. The second doll is a different version, showing the correct scale. |
|
Image:
download (image/jpg)
|
Element Unity: The rocks fit good together; they have very similar size, color, and shape. Principle Rhythm: Graduated rythm (repeated use of rocks) |
|
Image:
pro (image/jpg)
|
Element Space: Between stars and backround behind design (- space) and The bowls themselves (+ space); depth seen Principle Rhythm: Gradated Rhythm (repeated use of stars in design) and Gradated Rhythm (stars closer than farther) |
|
Image:
pro (image/jpg)
|
Principle Proportion: Size of face compared to forehead not scaled correctly Principle Emphasis: Focal point = pinched, middle part of face |
|
Image:
smile (image/jpg)
|
Element Space: Backround of blue faces (- space) and yellow face (+ space) Principle Emphasis: Focal point = yellow smiley face stands out |
|
Image:
dowload.jpg (image/png)
|
Element Form: 3D solid Principle Contrast: The red contrasts with the surrounding green structures. |
| Vertical Line | Used in design to characterize nobility, stability, and durability. |
| Horazontal Line | Used in a design to characterize relaxation and peace. |
| Diagonal Lines | Used to define a design with activity, movement, and direction. |
| Curved Lines | Used to give an impression of freedom. |
| Cool Colors | Colors like blue, purple, and green. |
| Warm Colors | Colors like red, orange, and yellow. |
| Value | - Relative lightness or darkness of a color, object, or shape - Allows us to see 3D shapes in 2D |
| Geometric | Shapes like a square, circle, triangle |
| Mechanical | Simple shapes made of straight and curved lines like gears |
| Organic | Natural shapes simulating nature |
| Form | A 3D volume or solid |
| Symmetrical (Formal) Balance | Visual balance with mirror images on each side of an imaginary axis |
| Asymmetrical (Informal) Balance | A balanced design that doesn't use symmetry |
| Radial Balance | A circle design with a center and even distribution of elements |
| Focal Point | Emphasisning one part of a design with one feature that stands out from the entire design |
| Contrast | The degree of difference used |
| Random Rhythm | The repetition of the element is random or situated at irregular intervals |
| Graduated Rhythm | Repeated element / one detail increasing or decreasing gradually with each repetition |
| Gradated Rhythm | One element that comes closer or father apart |
|
What type of cut it this?
Image:
Capture.PNG (image/PNG)
|
Fillet - The edge of the block is cut off and is ROUNDED. |
|
What type of cut it this?
Image:
chamfer.PNG (image/PNG)
|
Chamfer - The edge of the block is cut off and is FLAT. |
| Degrees of Freedom | The number of directions in which independent motions can occur. * More Constraints = less degrees of freedom |
| Translational Motion |
Movement by which a body shifts from one point in space to another on the X, Y, and Z axises (DEGREES OF FREEDOM).
Image:
chamfer.PNG (image/PNG)
|
| Rotational Motion |
Rotating a rigid body on an axis (DEGREES OF FREEDOM).
Image:
chamfer.PNG (image/PNG)
|
| Additive Modeling | Adding additional peices to model |
| Subractive Modeling | Getting rid of peices from the model |
|
Image:
Capture.PNG (image/PNG)
|
1. Measures the exterior width/length 2. Measures the interior width 3. More accurate scale 4. Locks in place 5. Adjust the movement 6. Scale: # of centimeters 7. Measures the interior depth |
|
Image:
download (image/jpg)
|
Reads 24.54 |
|
Image:
download (image/jpg)
|
Exploded View |
|
Image:
chamfer.PNG (image/PNG)
|
Auxiliary View (at angle) |
|
Image:
chamfer.PNG (image/PNG)
|
Counterbore hole |
|
Image:
download.PNG (image/PNG)
|
Threaded hole |
|
Image:
download.PNG (image/PNG)
|
Multiview sketch left = orthographic right = isometric) |
|
Image:
chamfer.PNG (image/PNG)
|
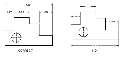
1. Avoid crossing dimensions 2. Largest dimensions must be farther than shorter dimensions |
|
Image:
chamfer.PNG (image/PNG)
|
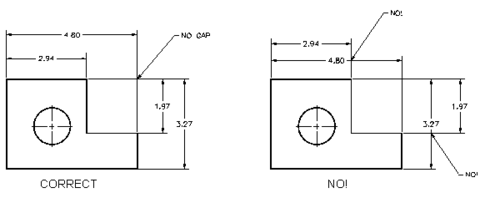
1. Do not repeat demensions |
Want to create your own Flashcards for free with GoConqr? Learn more.