Memorias ROM

Description

Mind Map on Memorias ROM, created by Carlos Seb Ma Ro on 04/10/2014.
Carlos Seb Ma Ro
Mind Map by Carlos Seb Ma Ro, updated more than 1 year ago
Carlos Seb Ma Ro
Created by Carlos Seb Ma Ro about 11 years ago
21
0

Resource summary

Memorias ROM
  1. Antecedentes
    1. Read Only Memory
      1. "Memoria de sólo lectura"
      2. Diseñada para retener datos de manera permanente
        1. Sus características varían dependiendo del tipo de ROM
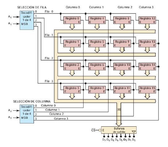
      3. Arquitectura
        1. Diagrama simplificado
          1. Decodificadores de dirección
            1. El código de dirección alimenta dos decodificadores
              1. A1 y A0
                1. Decodificador 1 a 4
                  1. Selección de fila
                2. A2 y A3
                  1. Decodificador 1 a 4
                    1. Selección de columna
              2. Arreglo de registros
                1. Almacena los datos programados en la ROM
                  1. Cada registro, una palabra de ocho bits
                  2. Ubicación de cada registro especificada por una fila y una columna
                  3. Búferes de salida
                    1. El registro habilitado coloca sus datos en el bus de datos
                      1. Del bus de datos pasan a los búferes
                        1. CS' ALTO
                          1. Salidas flotando
                          2. CS'BAJO
                            1. Se permite el paso de datos
                  4. Operación de lectura
                    1. Entradas de dirección
                      1. Se selecciona la ubicación que desea leerse (0011, por ejemplo)
                      2. Entradas de control
                        1. CS'
                          1. Nivel BAJO para activar operación de lectura
                            1. Nivel ALTO para deshabilitar las salidas
                        2. Programación de la memoria ROM
                          1. EPROM
                            1. Utiliza un transistor MOS y una compuerta de silicio
                              1. Mismo modo de programación que la PROM
                                1. En carga normal da 1 lógico
                                  1. Para programar un 0 se usa un pulso de voltaje
                                    1. Se deja una carga neta
                                      1. Atrapada en la compuerta flotante
                                        1. Sin poder salir, la carga se guarda
                                      2. Para regresar a estado normal (1), se neutraliza la carga
                                          1. Se expone el silicio a luz UV de gran intensidad durante cierto tiempo
                                  2. PROM
                                    1. "ROMs programables una sola vez"
                                      1. Utiliza fusibles
                                        1. Mediante la quema de estos, el dato se guarda permanentemente
                                          1. En terminal base de un transistor
                                          2. Se selecciona una fila
                                            1. Se ingresan los datos deseados en las terminales de datos
                                              1. Se aplica un pulso para quemar los fusibles que conecten con un 0 lógico
                                                1. ¡Datos guardados!
                                        2. EEPROM
                                          1. Misma estructura que la EPROM
                                            1. +pequeña región de óxido por
                                              1. Permite la posibilidad de borrarse electricamente
                                                1. Ya no es necesaria la luz UV
                                                  1. Mediante la aplicación de un voltaje alto
                                                    1. 21v
                                                      1. Entre compuerta y colector
                                            2. Datos del alumno
                                              1. Maya Rojina Carlos Sebastián
                                                1. 5IM3
                                                Show full summary Hide full summary

                                                Similar

                                                SISTEMAS DE NUMERACIÓN Y CODIFICACIÓN
                                                Ignacio Navarro Mora
                                                Test de electrónica digital
                                                Darío Jácome
                                                SISTEMAS Y PROCESOS
                                                Carlos FZ
                                                SISTEMAS DE NUMERACIÓN Y CODIFICACIÓN
                                                Ignacio Navarro Mora
                                                La Electrónica
                                                Efrén Lozano
                                                SISTEMAS Y PROCESOS
                                                Carlos FZ
                                                Estudios Sociales
                                                Noelia Varela Rubí