ADC Y DAC

Description

Trabajo para material de interfaces
Miguel Angel Nativitas Ponce
Mind Map by Miguel Angel Nativitas Ponce, updated more than 1 year ago More Less
María Guadalupe Sotomayor Cumplido
Created by María Guadalupe Sotomayor Cumplido about 9 years ago
Miguel Angel Nativitas Ponce
Copied by Miguel Angel Nativitas Ponce over 5 years ago
12
0

Resource summary

ADC Y DAC
  1. DAC (Convertidor digital a analógico)
    1. Es el circuito esencial de los sistemas digitales y los dispositivos analógicos.
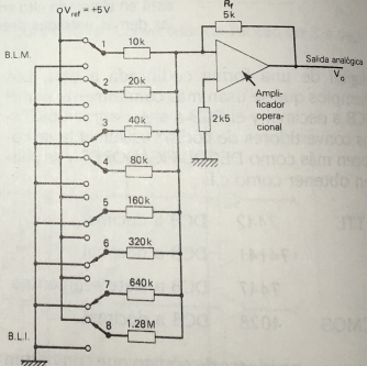
      1. El método de construcción mas simple, utiliza una red ponderada de resistores y un amplificador operacional sumador.
        1. Otro método es el de la escalera R2-R, el voltaje se genera cambiando la conexión de secciones de la escalera a 0V, que corresponde a 0 o 1 de la entrada digital.
          1. Método de transistores complementarios como interruptores.
        2. Toma la señal de entrada digital, y por medio de resistores, transistores, amplificadores y más la modifica a una señal analógica.
          1. Los parámetros importantes que se especifican para una aplicación en particular, son: Resolución, linealidad, monotonicidad y tiempo de asentamiento.
          2. Aplicaciones: Generador de pendiente.
          3. ADC (convertidor analógico a digital)
            1. Es el enlace esencial entre las partes analógicas y digitales.
              1. Toma la señal de entrada, luego la muestrea y despues produce una palabra en codigo digital que corresponde a la señal analógica.
                1. La salida en digital puede estar en serie (1 bit a la vez) o en paralelo con todos los bits.
              2. Los tipos del ADC son de:
                1. Sistemas de lazo abierto
                  1. Voltaje a frecuencia: Se usa cuando no se necesita una alta exactitud.
                    1. Voltaje a ancho pulso: Se usa el voltaje de entrada analógica para controlar el ancho del pulso de salida.
                      1. Conversión simultánea: La entrada analógica se aplica a un banco en paralelo de comparadores de voltaje, y cada uno corresponde a un nivel discreto de voltaje de entrada.
                  2. Sistemas de lazo cerrado
                    1. Una rampa y contador: El voltaje de la entrada analógica se compara con una rampa lineal.
                      1. Rampa dual: Las no-linealidades se corrigen automáticamente y no se necesita un generador de reloj.
                        1. Aproximación sucesiva: Utiliza un convertidor de digital a analógico. Se aplica el bit mas significativo al convertidor D a A.
                  3. Aplicaciones: Voltímetros digitales,
                  Show full summary Hide full summary

                  Similar

                  INGENIERIA DE MATERIALES
                  Ricardo Álvarez
                  Elementos Básicos de Ingeniería Ambiental
                  Evilus Rada
                  Historia de la Ingeniería
                  Camila González
                  Introducción a la Ingeniería de Software
                  David Pacheco Ji
                  UNIDAD II DIBUJO PROYECTIVO
                  anyimartinezrued
                  GENERALIDADES DE LAS EDIFICACIONES
                  yessi.marenco17
                  MAPA MENTAL SOFTWARE APLICADOS EN INGENIERÍA CIVIL
                  Ruben Dario Acosta P
                  Examen Ingeniería Electromecánica II
                  Jorge Cabrera7516
                  Normas que Rigen la Ingenieria Mecanica
                  Francisco Balderas Garcia
                  Estado de la ingenería mecánica y su perspectiva a futuro
                  Roberto Martinez
                  MAPA CONCEPTUAL SOBRE LA INICIATIVA CDIO
                  Victor Antonio Rodriguez Castañeda