MEDICIÓN DE RESISTENCIAS

Description

Se describe las diferentes maneras de medir resistencias eléctricas
Alejandra30
Mind Map by Alejandra30, updated more than 1 year ago
Alejandra30
Created by Alejandra30 about 10 years ago
89
0

Resource summary

MEDICIÓN DE RESISTENCIAS
  1. Puente de Impedancia
    1. Son instrumentos que pueden medir más de un parámetro. O sea que se pueden realizar modificaciones circuitales de forma tal de poder obtener las distintas configuraciones de puentes ya vistos.
      1. Cuando se seleccciona en el instrumento el tipo de elemento a medir y el alcance, automáticamente se está adoptando el tipo de puente más apto.
        1. Los medidores de impedancia se aplican tanto a la caracterización de materiales y componentes, como al análisis de redes. A una frecuencia dada, cualquier impedancia puede ser descrita mediante elementos de circuito ideales.
          1. Se pueden considerar una extensión del puente de Wheatstone, pero con impedancias en sus ramas, en vez de resistencias, y alimentados por un oscilador en vez de una fuente de tensión continua. En el equilibrio, las tensiones en los nudos centrales son iguales en amplitud y fase
            1. Utiliza un oscilador L-C el cual se acopla al puente mediante un transformador, siendo el primario del transformador el inductor que se utiliza para sintonizar el oscilador. El secundario se realiza de forma tal que la impedancia de carga dada por el puente no afecte al oscilador
                1. Si Z4/Z1 es real entonces se compara Z3 con una impedancia similar se tratará de un Puente de Comparación. Si Z2Z4 es real se comparará Z3 con una admitancia Y1, se tratará de un Puente de inversión.
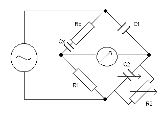
                  1. Una configuración que todavía se emplea para medir las fugas en condensadores de alta tensión es el Puente de Schering. Ajustando R2 y C2 , el indicador de la rama central señala que se ha obtenido el equilibrio, se cumple:
                      1. En principio, la medición se basa en la condición de equilibrio del puente, la cual se cumple cuando entre los puntos b y d no circula corriente y por lo tanto se debe cumplir que:
                        1. I1*Z1 = I2*Z2 ...... I1*Z4 = I2*Z3 => I1 = (I2*Z2) / Z1 => (I2*Z1*Z4) / Z1 = I2*Z3 Por lo que: Z1*Z3 = Z2*Z4
                          1. Siendo las Z resistencias, capacitores o inductores (bobinas), por lo tanto conociendo tres elementos es posible calcular el cuarto elemento.
    2. Puente de Wheatstone
      1. Uno de los procedimientos más utilizados para medir resistencias con gran exactitud es el puente de Wheatstone
        1. Las resistencias R1 y R2 son resistencias de precisión, R3 es una resistencia variable calibrada, R4 es la resistencia bajo medición y G es un galvanómetro de gran sensibilidad.
          1. La corriente del galvanómetro depende de la diferencia de potencial entre los puntos c y d.
            1. Si la corriente del galvanómetro es cero, la siguiente condición también se cumple: Vcb = (R3 / R3+R1) × E Vdb = (R4 / R4+R2) × E
              1. Donde: R3 / R3+R1 = R4 / R4+R2 De aquí se puede deducir: R3 / R1 = R4 / R2 Por lo tanto: R1*R4 = R2*R3
                1. Esta es la expresión conocida para el equilibrio del Puende de Wheaston. Si tres de las resistencias tienen valores conocidos la cuarta puede establecerse a partir de esta ecuación.
                  1. De aquí, si R4 es la resistencia desconocida, y su valor Rx puede expresarse en términos de las resistencias restantes: Rx = (R2 / R1) × R3
            2. Se dice que el puente esta balanceado (o en equilibrio) cuando la diferencia de potencial a través del galvanometro es 0v, de forma que no hay paso de corriente a través de él.
              1. Si variamos R3 hasta que el galvanómetro indique cero corriente, se cumplirá que: Vcb=Vdb
                1. La principal fuente de errores de medición se encuentra en los errores límites de las 3 resistencias conocidas. Otros errores pueden ser los siguientes:
                  1. a) Sensibilidad insuficiente ene l detector de cero b) Cambio en las resistencias de las ramas del puente debido a los efectos del calentamiento por la corriente e través de los resistores c) Las fem térmicas en el circuito del puente o del circuito del galvanómetro pueden causar problemas cuando se miden resistencias de bajo valor.
            3. El primero que diseñó un circuito como éste fue S. Hunter Chistie en 1833, pero su uso no se generalizó hasta que Charles Wheatstone lo empleó para medir resistencias en 1843.
              1. La sensibilidad del puente de Wheatstone se define como el número de divisiones que deflecta el galvanómetro cuando se produce una variación en la resistencia incógnita (R4) o en la resistencia de ajuste (R3).
                1. La sensibilidad del puente viene dada por: Sp = Nº de divisiones / ΔR4
                  1. Para hallar experimentalmente la sensibilidad del puente se produce una variación de R4, se observa el número de divisiones que deflecta el galvanómetro y se calcula Sp aplicando la fórmula anterior.
          2. Medición de Resistencia de Alto Valor
            1. Las resistencias de alto valor son elementos resistivos fijos que pueden constituir un elemento único por cada valor disponible, o constituir una caja de resistencias o calibrador cuando se conjuntan varios de estos valores.
              1. Los valores se encuentran en la medida: - 100MΩ (10V a 100V) - 1GΩ (10V a 1000V) - 10GΩ (10V a 1000V) - 100GΩ (10V a 1000V) - 1TΩ (10V a 1000V) - 10TΩ (10V a 1000V) - 100TΩ (10V a 1000V)
                  1. Rmedida= lectura de voltímetro / lectura de amperímetro Rmedida= Vrx+Vra / irx . Despejando para resistencias se obtendrá que: Rmedida= Rx+RA
                    1. Entonces, se concluye que para esta posición la medición es el equivalente serie entre la resistencia desconocida y la del amperímetro. A lo que para obtener el mejor resultado de esta posición Rx>>RA para que así RA no intervenga en la medición deseada; es decir que Rx posea un alto valor Óhmico.
                      1. En este tipo de conexión, los bornes del voltímetro se conectan directamente a los bornes de la resistencia a medir. Las referencias de las figuras son: Rx = resistencia a medir Rv = resistencia interna del voltímetro RA = resistencia interna del amperímetro Im = corriente medida por el amperímetro Ix = corriente que circula por la resistencia a medir Iv = corriente de consumo del voltímetro Vm = tensión leída en el voltímetro.
                        1. Ahora bien, Vm = V es realmente la caída de tensión en los bornes de la resistencia, pero: Im = I + IV . El valor real de la resistencia es: R = V / I . Y por aplicación directa de las lecturas se obtiene: Rm = Vm / Im => V / (I + Iv)
                          1. En consecuencia, Rm < R (la resistencia obtenida por cociente de las lecturas es menor que el valor real de R); y el error cometido es: ∆R = Rm – R => Vm/Im - V/I . Pero Vm = V e Im = I+Iv
                            1. ∆R = V/(I + Iv) – V/I => V*( I – I – Iv ) / I*( I + Iv ) => ∆R = -V*Iv / I*(I + Iv)
                              1. Pero V/I = Rv => Iv = V/Rv ...... ( I + Iv ) => Im = V/Rm. Reemplazando resulta ∆R = (-R*V/Rv) / (V/Rm) => -R*Rm / Rv
                                1. Entonces el error relativo es e = ∆R / Re => -Rm / Rv ... El signo negativo del error nos indica que cometemos un error por defecto y que disminuye en relación inversa a Rv, lo cual nos indica que la resistencia interna del voltímetro debe tener un valor elevado.
                                  1. O sea que este método debe utilizarse para medir resistencias de alto valor.
                1. MARÍA ASTUDILLO 25.234.229 ESCUELA: 44 INGENIERÍA ELECTRÓNICA
                  Show full summary Hide full summary

                  Similar

                  Mediciones eléctricas
                  Yovani FR
                  INSTALACIONES ELECTRICAS
                  Guillermo Santos6695
                  Evaluación Sistema Internacional de Unidades
                  Freddy Sanjuan Salcedo
                  Evaluación micrómetro
                  Freddy Sanjuan Salcedo
                  fichas de estudio sobre medición
                  Diego ParamoCano
                  Medidores Eléctricos y Electrónicos
                  Mauricio Zr
                  Puentes
                  Javier Cabrera
                  El Chipset y los Puentes
                  Juan AlvarezDiaz
                  Fuerzas intermoleculares
                  Cesar Cubito
                  estimaciones de los errores cometidos en las mediciones
                  juliana monje
                  NORMA NFPA 70E
                  gynn xd