Transformadores trifasicos

Description

mapa mental de transformadores trifasicos. materia: maquinas
Alfredo D'luyz
Mind Map by Alfredo D'luyz, updated more than 1 year ago
Alfredo D'luyz
Created by Alfredo D'luyz about 10 years ago
559
0

Resource summary

Transformadores trifasicos
  1. Generalidades
      1. Tres pares ctos electricos acoplados magneticamente
        1. Reversibilidad
          1. Diferentes forma de construcción y conexion
        2. Construcción
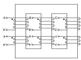
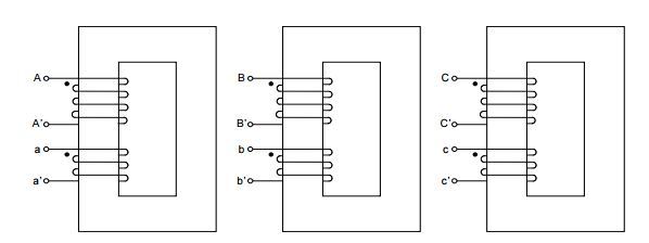
          1. Banco de transformadores monofasicos
            1. Transformador de tres columnas
            2. Conexiones devanados
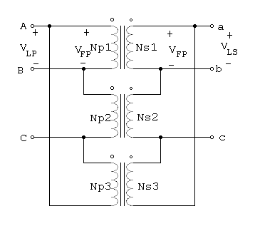
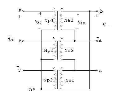
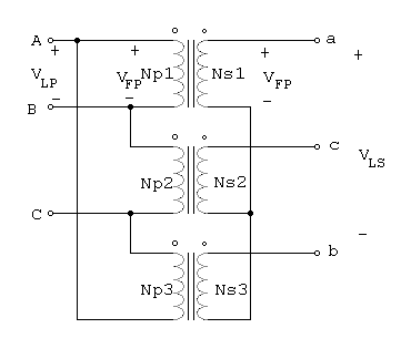
              1. Y
                  1. Conexiones devanados primario-secundario
                    1. Y - ∆
                      1. Y - Y
                        1. ∆ - ∆
                          1. ∆- Y
                        2. Neutro accesible
                          1. Corriente de linea = corriente c/d devanado
                              1. No hay neutro
                                1. Corriente cada devanado = √3 corriente de linea
                              2. Relacion de transformación
                                1. Annotations:

                                  • Y-Y
                                    1. No soporta desequilibrios en las cargas
                                    2. Annotations:

                                      • Y-D
                                        1. Conexion Y permite redistrubiur desequilibrios parcialmente
                                        2. Annotations:

                                          • D-D
                                            1. Buen funcionamiento ante cargas desequilibradas
                                            2. Annotations:

                                              • D-Y
                                              Show full summary Hide full summary

                                              Similar

                                              ÁFRICA
                                              Ulises Yo
                                              CIUDADES I...
                                              JL Cadenas
                                              CIUDADES II...
                                              JL Cadenas
                                              Mapa Conceptual
                                              Laura Laguna
                                              Mapa Conceptual
                                              Laura Perez6723
                                              La diversidad y el juego
                                              nicolesanchezand
                                              "MAPA CONCEPTUAL"
                                              Bertha Castillo
                                              Mapa de navegación UNIMINUTO
                                              Alejandro Dueñas
                                              Estructura Celular
                                              Vero Lara
                                              Enlaces Químicos
                                              Camila Barbosa
                                              Mapa Conceptual
                                              Javierr