UNIDAD 3. Dibujo de conjunto

Description

este mapa mental compila los contenidos de la unidad 3
Daniel Martinez
Mind Map by Daniel Martinez, updated more than 1 year ago
Daniel Martinez
Created by Daniel Martinez about 10 years ago
1234
0

Resource summary

UNIDAD 3. Dibujo de conjunto
  1. Busca mostrar una visión general del elemento que se quiere construir, pero prestando especial atencion en detalle cada pieza en el diseño de un objeto de producción
    1. Para hacer posible el montaje final del elemento a contruir
      1. Deben verse claramente todas las piezas, con las vistas, cortes y roturas que permitan interpretar el funcionamiento del conjunto
        1. Cuando sea necesario, se debe añadir un detalle a mayor escala para que se consiga mas claridad
          1. Se debe garantizar el cumplimiento de las normas establecidas (formatos, lineas, escalas, disposición de vistas, etc...)
            1. Se debe incluir una lista de componente en donde este la información que no se incluya en el dibujo
    2. Revisión del dibujo
      1. Es responsabilidad del dibujante, supervisor y demás personas calificadas encargadas, inspeccionar que el dibujo cumpla con todos los requerimientos
        1. Proceso de revisión: se recomienda tener en cuenta los siguientes temas para realizar la revisión del dibujo
          1. Consideraciones de revisión: se debe tener presente todos los aspectos a revisar en el dibujo
            1. Consideraciones de dibujo: se debe tener en cuenta que cumpla con todas las normas de dibujo (dimensiones, estándares, escala, etc...)
              1. Consideraciones de fabricación: se debe tener presente que tenga todos los datos requeridos para la fabricación de las piezas
                1. Consideraciones de instalación: debe tener todas las instrucciones de instalación
            2. Dibujo Funcional: Por medio de este se busca transmitir la información suficiente para producir y/o ensamblar en la forma mas económica posible.
              1. Atajos en el procedimiento: se aplican buscando acortar el ciclo de preparación del dibujo
                1. Aprobaciones secuenciales
                  1. eliminación de supervisión
                    1. Uso de dibujos estándares
                      1. Equipo de trabajo de dibujo
                        1. Maquinas copiadoras
                          1. Procesos de capacitación
                          2. Atajos en reproducción: Uso apropiado de técnicas de reproducción podría reducir tiempo de preparación
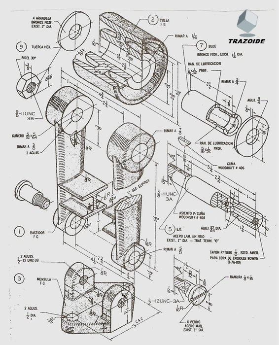
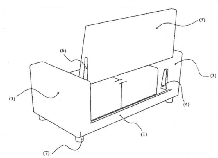
                          3. Dibujo de Ensamble: este dibujo muestra el producto en su estado final
                            1. Dibujo de ensamble explosivo: En este se alinean las partes en su posición final, se utiliza en donde las personas encargadas del ensamble tiene poco conocimiento en el dibujo de ingenieria
                              1. Dibujo de ensamble detallado: es utilizado para objetos muy simples como mobiliario, cuando son pocas piezas y su ensamble no es muy complejo
                                1. Dibujos de subensambles: básicamente se trata de componentes ensamblados que forman parte del producto final, por ejemplo el motor de un carro
                                2. Normas icontec
                                  1. NTC 2025: lista de itemes
                                    1. NTC 2099: Referencia de itemes
                                      1. NTC 2084: Orificios de centrado
                                      Show full summary Hide full summary

                                      Similar

                                      Unidad 3: Dibujo de Conjunto
                                      Luis Alejandro Sierra Guarnizo
                                      Unidad III - Dibujo de Conjunto
                                      Mariana Cardozo
                                      DIBUJO DE CONJUNTO
                                      SELVEL VELASQUEZ
                                      UNIDAD III - DIBUJO DE CONJUNTO
                                      Liliana Bastidas
                                      UNIDAD 3 DIBUJO DEL CONJUNTO
                                      Miguel Angel Pulgarin Giron
                                      UNIDAD DE DIBUJO 3
                                      Andres Lopez9596
                                      Unidad 3 Etica y Ciudadanía
                                      Diana Marcela Murcia Rivera
                                      Levantamiento de información Momento 3
                                      Jesus Rojas
                                      UNIDAD 3. DIBUJO DE CONJUNTO
                                      Norman Abril
                                      Unidad 3: Seguimiento y evaluación de la acción psicosocial
                                      Alejandra Canole