DIBUJO DE CONJUNTO

Description

HHSGHHSG
Mayra Lizeth Bernal Molina
Mind Map by Mayra Lizeth Bernal Molina, updated more than 1 year ago
Mayra Lizeth Bernal Molina
Created by Mayra Lizeth Bernal Molina almost 10 years ago
1115
0

Resource summary

DIBUJO DE CONJUNTO
  1. DIBUJO TÉCNICO- LISTA DE ÍTEMS
    1. La NTC 2058 (Primera actualización) fue ratificada por el consejo directivo el 2002-05-29
      1. Esta norma esta sujeta a ser actualizada constantemente con el objeto de que corresponda en todo momento a las necesidades y exigencias actuales.
        1. A continuación algunas de las empresas que colaboran con el estudio de esta norma.
          1. ACERÍAS PAZ DEL RÍO S.A - ASOCIACIÓN COLOMBIANA DE INGENIEROS - CODENSA - CONSULTORÍA COLOMBIANA S.A - GAS NATURAL E.S.P
            1. DIBUJO TÉCNICO- LISTA DE ÍTEMES: La lista de ítemes es una lista detallada de los ítemes que constituyen un ensamblaje o sub - ensamblaje o de partes individuales, que figuran en un dibujo técnico.
              1. Sobre la base de una lista de ítemes , pueden establecerse otras listas necesarias para otros fines, como por ejemplo: Control del tiempo, recepción de existencias Estas listas adicionales no deben incluirse en, ni formar parte de, los dibujos de productos finales.
                1. Esta norma especifica las reglas generales y las recomendaciones para el establecimiento de la lista de ítemes que se utiliza en los dibujos técnicos.
                  1. REQUISITOS GENERALES - DISPOSICIÓN
                    1. La lista de ítemes puede estar incluida en el propio dibujo o en un documento separado.
                      1. Cuando se incluye en el dibujo, la posición de la lista de ítemes debe ser tal que pueda ser leída en la dirección de observación del dibujo.
                        1. Cuando la lista de ítemes se incluye en un documento separado, este debe identificarse con el mismo numero que el dibujo de procedencia.
                          1. Se recomienda organizar la lista de ítemes en columnas por medio de lineas continuas, gruesas o delgadas (Tipo A o B de NTC 1777) Para permitir introducir la información bajo los encabezados siguientes:
                            1. * Ítem *Descripción *Cantidad * Referencia * Material
                              1. La columna ÍTEM muestra el numero de referencia del ítem correspondiente según aparece en el dibujo respectivo.
                                1. La columna DESCRIPCIÓN incluye la denominación del ítem, pueden emplearse abreviaturas siempre que no afecten la claridad.
                                  1. La columna CANTIDAD muestra el numero total de ese ítem requerido para un ensamblaje completo.
                                    1. La columna REFERENCIA se emplea para identificar ítemes que no estén totalmente totalmente representados en el dibujo de procedencia.
                                      1. La columna MATERIAL incluye el tipo y calidad del material a usar.
                                        1. ENTRADA DE DATOS: Los datos se deben ingresar en la columna correspondiente, en filas horizontales.
                                          1. La secuencia de las entradas debe seguir el orden de las referencias de ítemes.
                                            1. Las entradas pueden ingresarse rotuladas a mano o con plantillas, usando preferiblemente letras mayúsculas.
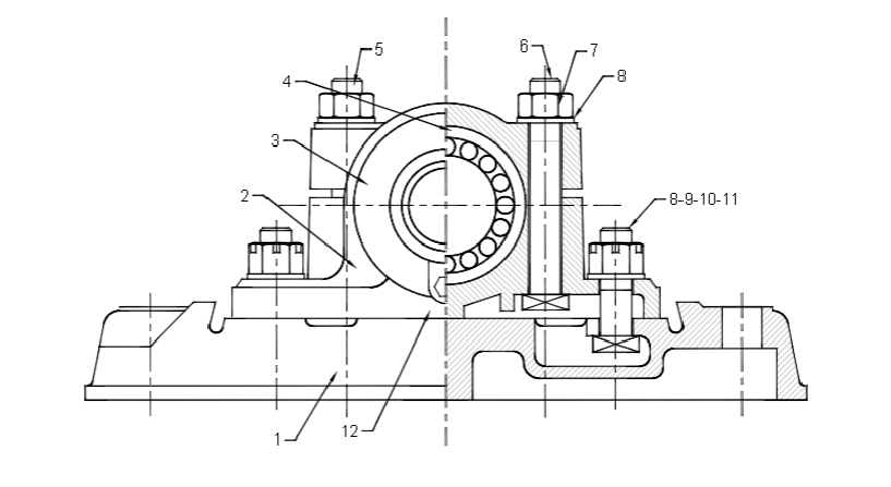
    2. PLANO DE CONJUNTO.
      1. El plano de conjunto presenta una visión general del dispositivo a construir, de forma que se puede ver la situación de las distintas piezas que lo componen, con la relación y las coordenadas existentes entre ellas.
        1. La función principal del plano de conjunto consiste en hacer posible el montaje, esto implica que debe prevalecer la visión de la situación de las distintas partes, sobre la representación de detalle.
          1. Los dibujos de conjunto representan una maquina o un mecanismo en su totalidad. Dan una idea general de la constitución del mecanismo y por consiguiente de su funcionamiento y del servicio o trabajo que realizan.
            1. En los planos de conjunto deben verse todas las piezas que lo componen, evitando las lineas de trazos; para ello sera necesario dibujar las vistas, cortes y roturas necesarias para interpretar el funcionamiento del conjunto, y visualizar al menos parcialmente cada una de las piezas del conjunto .
              1. La ventaja de identificar las piezas del conjunto perfectamente en la tabla de información, esta en que entonces podemos representar los elementos normalizados o comercializados de forma simplificada.
                1. SIMPLIFICADO: La simplificación persigue la reducción de tiempo en la realización del dibujo, y con ellos el ahorro de costos.
                  1. La simplificación se realizara solo en aquellos casos donde la persona a realizar el montaje este perfectamente capacitada en la interpretación de los elementos de unión.
                    1. Algunos elementos agrupados, de fácil reconocimiento, pueden ser asociados en las respectivas marcas por medio de una única linea de referencia.
                      1. Lista de materiales:Es una lista detallada de todos los componentes que aparecen en el dibujo de ensamble o en el detallado.
      2. REFERENCIA DE LOS ELEMENTOS.
        1. Esta norma internacional establece las reglas generales de utilización y representación de las referencias de los elementos de los dibujos técnicos.
          1. REQUISITOS GENERALES.
            1. Se recomienda atribuir las referencias de una forma sucesiva a cada uno de los elementos que componen un conjunto o las partes de los elementos representadas en el dibujo.
              1. Los elementos idénticos de un mismo conjunto deben identificarse por una misma referencia.
                1. Cada uno de los subconjuntos completos, incorporados en el conjunto que figura en el dibujo debe identificarse por una sola referencia.
                  1. Todas las referencias deben figurar en un cuadro que especifique las informaciones apropiadas sobre los elementos en cuestión.
                    1. REPRESENTACIÓN.
                      1. Todas las referencias que figuran como un mismo dibujo deben ser del mismo tipo y tener la misma altura de escritura.
                        1. ASEGURAMIENTO DE LA CALIDAD DEL DIBUJO.
                          1. El conocimiento que tenga el dibujante, el supervisor y otros revisores de los requisitos del diseño el proceso de manufactura involucrado y las practicas de dibujo tienen una influencia tienen una influencia definitiva en la exactitud y costo de partes y ensambles.
        2. DIBUJO TÉCNICO - REFERENCIAS DE ÍTEMES.
          1. La NTC 2099 (Primera actualización) fue ratificada por el consejo directivo del 2002 - 05 - 29
            1. Esta norma esta sujeta a ser actualizada permanentemente con el objeto de que responda en todo momento a las necesidades y exigencias actuales.
              1. Las referencias de ítemes deben estar compuestas, por lo general, de números arábicos solamente. Sin embargo pueden incluirse letras mayúsculas cuando sea necesario.
                1. Todas las referencias de ítemes en un mismo dibujo deben ser del mismo tipo y altura del rotulado, deben distinguirse claramente de otras indicaciones, por ejemplo: A) Usando caracteres con una altura mayor, por ejemplo el doble de la altura empleada para cotas e indicaciones similares. B) Encerrado en un circulo los caracteres de cada referencia de ítemes. C) Combinando los metodos A y B.
                  1. Las referencias de ítemes deben ubicarse fuera de los contornos generales de los ítemes correspondientes.
                    1. Cada referencia de ítem debe estar vinculada a su ítem asociado por medio de una linea directriz.
                      1. Las lineas directrices no deben intersectarse. Deben mantenerse lo mas cortas posible y generalmente deben trazarse en angulo con referencia al ítem. En el caso de las referencias de ítemes encerradas en círculo, la linea directriz debe estar dirigida hacia el centro del circulo.
                        1. Para mayor claridad y legibilidad del dibujo, las referencias de ítemes deben disponer preferiblemente de columnas verticales y/o filas horizontales
                          1. Deben adoptar una secuencia de numeración clara, de acuerdo con el orden de montaje probable, de acuerdo con la importancia de las partes componentes (sub - ensamblajes), partes mayores, partes menores, de acuerdo con otra secuencia lógica.
                            1. PLANO DE DETALLE O DESPIECE
                              1. En el dibujo de despiece hay que indicar todos los detalles y datos técnicos para su realización como: Dimensiones, signos superficiales y tratamientos específicos, tolerancias, materiales, identificación, etc.
                                1. IDENTIFICACIÓN DEL PLANO - DATOS INDICATIVOS
                                  1. UNIDAD DIMENSIONAL LINEAL: Se recomienda indicar cuando sea distinta al milímetro.
                                    1. SÍMBOLO DEL MÉTODO DE PROYECCIÓN: Incluir el símbolo de representación del método o sistema empleado.
          2. REPRESENTACIÓN SIMPLIFICADA Y DESIGNACIÓN.
            1. La representación simplificada de orificios de centrado se emplea particularmente cuando no es necesario mostrar la forma y dimensión exactas y cuando la designación normalizada de orificios de centro es suficiente información.
              1. CONDICIONES GENERALES - REPRESENTACIÓN SIMPLIFICADA.
                1. Los símbolos que representan los orificios de centrado y su aplicación del dibujo del extremo de un eje se muestran en la columna 2 de la siguiente imagen.
                  1. La designación de orificios de centrado depende del diámetro del taladro y se puede indicar con cualquier referencia de una norma internacional.
            2. INDICACIONES DE LOS ESTADOS SUPERFICIALES.
              1. La presente norma internacional especifica los símbolos y las indicaciones complementarias de los estados superficiales de los dibujos técnicos.
                1. REFERENCIAS: ISO/R 129 (= UNE 1-039) - DIBUJO INDUSTRIAL. ACOTACIÓN. ISO/R 468 (=UNE 82-301)-RUGOSIDAD SUPERFICIAL
                  1. SÍMBOLOS UTILIZADOS EN LOS INDICADORES DE LOS ESTADOS SUPERFICIALES
                    1. El símbolo básico está formado por dos trazos desiguales, inclinados aproximadamente 60° con relación a la linea que representa la superficie considerada
                      1. Cuando se exige un mecanizado con arranque de viruta, se debe añadir el símbolo básico un trazo.
                        1. Si no se permite el arranque de viruta, debe añadirse al símbolo básico un circulo.
                          1. Cuando sea necesario indicar características especiales del estado de la superficie, el trazo mas largo se completa con otro horizontal.
                            1. SÍMBOLO PARA LA DIRECCIÓN DE LAS ESTRÍAS.
                              1. PROPORCIONES Y DIMENSIONES DE LOS SÍMBOLOS.
                                1. EXIGENCIAS GENERALES: Los símbolos y sus complementos deben escribirse con una anchura de trazo (d´) igual a 1/10 de altura h de la escritura utilizada para la acotación del dibujo.
                                  1. Los números y mayúsculas que se utilicen para especificaciones adicionales de estado superficial deben escribirse con la misma anchura de trazo (d) y la misma altura (h) y el mismo tipo de escritura que el utilizado para la acotación del dibujo.
                                    1. El espacio mínimo entre los trazos contiguos no deben ser nunca inferior a dos veces la anchura del trazo mas grueso.
                                      1. PROPORCIONES.
                                        1. El símbolo básico y sus complementos deben dibujarse de acuerdo a las figuras.
                                          1. Los símbolos para la dirección de las estrías de mecanismo deben dibujarse conforme a las siguientes.
                                            1. DIMENSIONES: La gama de los tamaños a utilizar para los símbolos y las indicaciones complementarias son las siguientes.
              2. DIBUJO DE DETALLE.
                1. FABRICACIÓN DE METALES.
                  1. MAQUINADO: La mayor parte de los materiales se pueden maquinar. La maquinabilidad es lo mejor para los metales que permiten la eliminación de la rebata con un mínimo desgaste de la herramienta.
                    1. COMPACTACIÓN DE METALURGIA DE POLVOS: La pieza se puede reducir a partir de la mayor parte de metales y aleaciones por composición.
                      1. MOLDEO: Teóricamente cualquier metal se puede fundir y vaciar de su molde sin embargo existen algunas dificultades económicas.
                        1. EXTRUSIÓN Y FORJA: Los metales a forjar o a extruir deben ser dúctiles y no endurecerse por la temperatura a la que se realiza el trabajo.
                          1. ESTAMPADO Y FORJADO: La mayor parte de los metales excepto las aleaciones frágiles, se pueden trabajar con prensa.
                            1. ENCABEZADO EN FRÍO: Los metales deben ser dúctiles y no endurecerse con rapidez por trabajo.
                              1. Alzaprima de traviesa.
                                1. Llave de machos
                                  1. Gusano para gato de engrane.
                                    1. Brazo de cerrador de puertas.
                Show full summary Hide full summary

                Similar

                ELECTRÓNICA EXAMEN EN LÍNEA
                Admin telefonistas
                Productos de Gestión
                Maria Montaña
                Imágenes Satelitales
                JORGE ALBERTO TORRES CASAS
                EPICURO
                Irving Uscanga
                LEGISLACION TURISTICA
                consultorescorpo
                Auditoria de tributos
                dsep.gerencia
                Ética y Relaciones Humanas
                Dalia Manzano
                los numeros
                marcela carmona rodas