UNIDAD 1: DIBUJO NORMALIZADO

Description

Mapa mental unidad 1
Diana Mendoza
Mind Map by Diana Mendoza, updated more than 1 year ago
Diana Mendoza
Created by Diana Mendoza over 9 years ago
24
0

Resource summary

UNIDAD 1: DIBUJO NORMALIZADO
  1. 1.1 TERMINOLOGÍA DEL DIBUJO
    1. ICONTEC: NTC 1594
      1. Definiciones
        1. Dibujo técnico
          1. Dibujo lineal
            1. Descriptiva
              1. Perspectiva
                1. Boceto
                  1. Esquema
                    1. Croquis
                      1. Dibujo de tamaño natural
                        1. Gráfica
                          1. Documentos de redacción
                            1. Nomenclatura
                              1. Apuntes
                                1. Pliego de condiciones
                                  1. Términos particulares
                                  2. ICONTEC: NTC 1912
                                      1. Términos generales
                                        1. Diagrama
                                          1. Vista seccional
                                            1. Detalle
                                              1. Elevación
                                                1. Elemento
                                                  1. Nomograma
                                                    1. Planta
                                                      1. Sección
                                                        1. Croquis
                                                          1. Dibujo técnico
                                                            1. Vista
                                                        2. 1.2 FORMATOS DE PAPEL NORMALIZADO
                                                          1. LIBRO DE JENSEN: CAPITULO 3.1
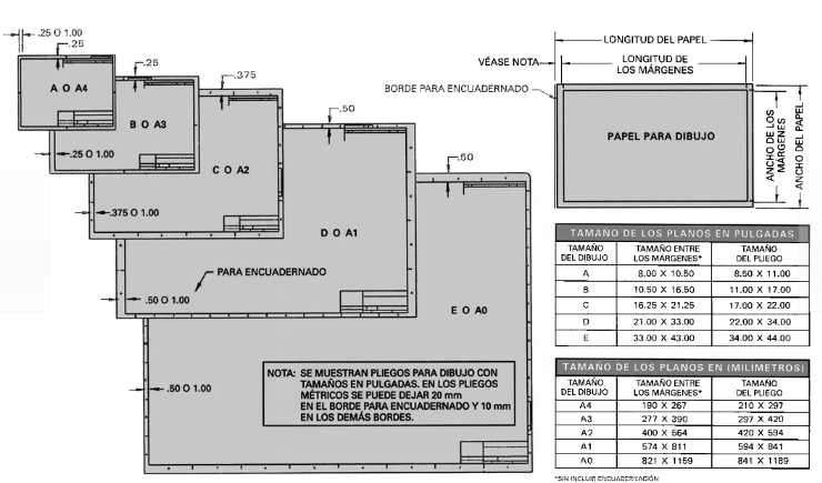
                                                            1. Medios y formatos para dibujo
                                                              1. Medios para dibujo
                                                                1. Tamaños estándar de los planos
                                                                    1. Formatos
                                                                    2. ICONTEC: NTC 1001
                                                                      1. ICONTEC: NTC 1687
                                                                      2. 1.3 ROTULADO DE PLANOS
                                                                        1. 1.4 ESCALAS
                                                                              1. ICONTEC: NTC 1580
                                                                              2. 1.4 ELABORACIÓN DE CROQUIS
                                                                                1. LIBRO DE JENSEN: CAPITULO 4.4
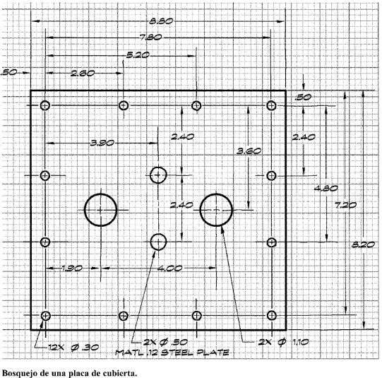
                                                                                  1. BOSQUEJOS
                                                                                        1. Pasos básicos para hacer bosquejos
                                                                                      1. LIBRO DE JENSEN: CAPITULO 14
                                                                                        1. DIBUJO PANORÁMICO
                                                                                          1. Dibujos isométricos
                                                                                        2. CROQUIZACIÓN: TRAZADO A MANO LIBRO
                                                                                          1. CROQUIZACIÓN
                                                                                            1. Trazado
                                                                                            Show full summary Hide full summary

                                                                                            Similar

                                                                                            EVALUACIÓN DE DIBUJO TECNICO
                                                                                            Jorge Arevalo
                                                                                            CÁLCULO DE ÍNDICES REACTIVOS Y PROACTIVOS
                                                                                            Andrs
                                                                                            EL DIBUJO COMO MEDIO DE COMUNICACION
                                                                                            gonzalo04p
                                                                                            UNIDAD 3 (DIBUJO DE CONJUNTO)
                                                                                            sandra herrera
                                                                                            Medios y formatos para dibujo
                                                                                            jefferodriguez
                                                                                            Dibujo normalizado
                                                                                            david fernando zamudio
                                                                                            NORMAS ICONTEC
                                                                                            Sonia Velandia
                                                                                            unidad 3
                                                                                            hamilton cortes
                                                                                            DIBUJO DE CONJUNTO
                                                                                            Hilda Neira
                                                                                            DIBUJO DE CONJUNTO
                                                                                            Estefania Calderon
                                                                                            DIBUJO NORMALIZADO
                                                                                            rogerandresherre