UNIDAD II DIBUJO PROYECTIVO. PRINCIPIOS GENERALES DE REPRESENTACIÓN, DIMENSIONAMIENTO

Description

UNIDAD II DIBUJO PROYECTIVO
Viviana Pérez
Mind Map by Viviana Pérez, updated more than 1 year ago
Viviana Pérez
Created by Viviana Pérez over 9 years ago
71
0

Resource summary

UNIDAD II DIBUJO PROYECTIVO. PRINCIPIOS GENERALES DE REPRESENTACIÓN, DIMENSIONAMIENTO
  1. FORMATOS NORMALIZADOS
    1. LIBRO CECIL JENSEN CAPITULO 3
      1. Los tamaños de los pliegos para dibujo en mm están basados en el tamaño A0 con un área de 1 metro cuadrado y una proporción largo por ancho de 1:V2.
        1. cada uno de los pliegos mas pequeños tiene una área que es la mitad del área en el tamaño anterior y la proporción largo por ancho sigue siendo la misma
      2. NTC 1687
        1. tamaño de un papel en orden a sus dimensiones de largo y ancho
          1. los formatos pueden ser regulares, oblongos o exepcionales
      3. LINEAS NORMALIZADAS
        1. LIBRO CECIL JENSEN CAPITULO 4 HABILIDADES BASICAS DE DIBUJO
          1. Las lineas se usan para ayudar a ilustrar y describir la forma de objetos que se convertirán después en piezas reales
            1. las líneas deben ser claramente visibles y diferenciarse bien unas de otras
          2. NTC 1777
            1. Espesor de las líneas. se usan líneas de dos espesores diferetes, la relación entre la línea gruesa y la fina no debe ser inferior a 2:1
              1. Espacio entre líneas. el espacio minimo entre líneas paralelas, incluyendo achurado, no debe ser nunca inferior a dos veces el grosor de la línea mas gruesa, nunca sea inferior a 0,7mm
          3. ESCALAS NORMALIZADAS
            1. NTC 1580
              1. La relación existente entre la dimensión lineal de un objeto tal como se representa en el dibujo y la dimensión real del mismo elemento
                1. Escala de Ampliación. escala en la cual la relación en mayor que 1.1. se dice que son mayores a medida que la razón aumenta
                  1. Escala de Reducción. escala en la cual la relación es menor que 1.1. se dice que son menores a medida que la razón decrece
                    1. Escala Natural. escala con relación 1.1
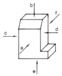
                2. VISTAS
                  1. NTC 1777
                    1. Posición relativa de la vista
                      1. Método de proyección del primer ángulo (conocido antes como método E)
                        1. Método de proyección del tercer ángulo (conocido antes como método A)
                        2. Selección de las vistas
                          1. se debe usar la vista que proporcione mayor información sobre un objeto como vista de frente o principal
                            1. cuando son necesarias otras vistas (incluyendo secciones ) se seleccionar incluyendo estos principios
                              1. se limitara la cantidad de vistas y secciones al mínimo necesario y suficiente para delinear bien el objeto
                                1. para evitar la necesidad de contornos y artistas ocultos
                                  1. para evitar la repetición innecesaria de detalles
                            2. LIBRO CECIL JENSEN CAPITULO 6 Y 7
                              1. Espaciar las vistas. para que sean claras y tengan apariencia agradable, las vistas deben de estar bien balanceadas en el papel del dibujo, ya sea que se muestren una, dos, tres o mas vistas.
                                1. Vistas especiales
                                  1. Vistas Auxiliares primarias
                                    1. determinar las dimensiones de las vistas auxiliares. una de las reglas basicas es medir los elementos donde se encuentren en su forma y tamaño reales
                              2. CORTES, SECCIONES Y ROTURAS
                                1. LIBRO CECIL JENSEN CAPITULO 9
                                  1. Las vistas en corte comúnmente llamadas Secciones, se usan para mostrar detalles interiores demasiado complejos para mostrarse en vistas regulares, ya que contiene muchas lineas ocultas
                                    1. Secciones completas. cuando el plano de corte se extiende completamente a través del objeto en línea recta y la mitad frontal del objeto se elimina teóricamente
                                      1. Rayado de sección. algunas veces llamado ashurado, puede servir para un doble propósito, puede indicar la superficie en que teóricamente se realizara el corte haciéndolo sobresalir, y puede indicar el material en que esta hecho el objeto cuando se usan los simbolos
                                  2. NTC 1777
                                    1. Secciones delgadas. se pueden mostrar totalmente negras, se debe dejar un espacio no inferior a 0,7 entre secciones adyacentes de esta clase
                                  Show full summary Hide full summary

                                  Similar

                                  UNIDAD II DIBUJO PROYECTIVO
                                  anyimartinezrued
                                  principales tópicos del OVI Teoría de descripción de la forma, capítulo 6 libro Jensen (Dibujo y diseño en ingeniería) y OVA Reconocimiento de vistas.
                                  yenny paola mondragon
                                  Unidad 2: Dibujo proyectivo
                                  El Javier
                                  Dibujo Proyectivo / UNAD
                                  Eduard Andrei Sandoval Garcia
                                  Unidad II Dibujo Proyectivo
                                  CARMIÑA CHICO
                                  Dibujo del Conjunto UNIDAD III
                                  Jhon Freddy Ortiz Gallego
                                  Dibujo proyectivo
                                  Alexander Escobar Perez
                                  DIBUJO PROYECTIVO
                                  Norbey Chamorro
                                  UNIDAD II DIBUJO PROYECTIVO
                                  fabparco
                                  Dibujo Tecnico
                                  Oscar Balanta