UNIDAD 3 DIBUJO DE CONJUNTO

Description

unidad 3 dibujo de conjunto
Nicolas Domínguez
Mind Map by Nicolas Domínguez , updated more than 1 year ago
Nicolas Domínguez
Created by Nicolas Domínguez over 9 years ago
1007
0

Resource summary

UNIDAD 3 DIBUJO DE CONJUNTO
  1. DIBUJO DE DESPIECE DE UN OBJETO
    1. Son dibujos que se emplean para facilitar la construcción y el montaje de un objeto. En ellos se muestran las distintas partes o piezas del objeto y las posiciones de una con respecto a las otras.
      1. datos técnicos para su realización
        1. - Dimensiones. - Signos superficiales y tratamientos específicos. - Tolerancias, materiales, identificación, etc.
        2. Las piezas normalizadas
          1. (tornillos, tuercas, arandelas, etc.) no deben dibujarse, basta designarlas en la lista de despiece.
          2. el orden en el que se colocaran estos planos será el siguiente:
            1. - Lista de despiece - Plano de conjunto - Planos de despiece; ordenados estos últimos según la sucesión de las marcas de cada pieza.
          3. DIBUJO DE CONJUNTO
            1. Es la representación gráfica de un grupo de piezas que constituyen un mecanismo, una máquina o una instalación, realizada de modo que todos estos elementos aparecen montados y unidos, según el lugar que les corresponde, para asegurar un correcto funcionamiento del órgano diseñado.
              1. Existen diferentes tipos de dibujos de conjunto:
                1. - Dibujo de conjunto general, corresponde con la representación completa del mecanismo, máquina o instalación con todos sus elementos componentes montados.
                  1. - Dibujo de subconjunto, los conjuntos formados por una gran cantidad de piezas, debido a su gran complejidad, se pueden descomponer en dibujos de subconjunto, representativo cada uno de ellos de una parte de la máquina o mecanismo.
                  2. Por la forma de representarlos se pueden clasificar en:
                    1. - Perspectiva isométrica del conjunto, representa en perspectiva isométrica las diferentes piezas que componen el conjunto, ocupando estas su posición normal de trabajo (conjunto montado).
                      1. - Perspectiva isométrica explosionada (o estallada) del conjunto, representa en perspectiva isométrica las diferentes piezas que componen el conjunto tras sufrir estas un desplazamiento (conjunto desmontado).
                        1. - Representación por medio de vistas, se representan las vistas, cortes, secciones y roturas más apropiadas para poder visualizar con claridad la posición de las diferentes piezas que componen el conjunto; teniendo en cuenta que las piezas exteriores se representan en corte para poder visualizar las piezas interiores.
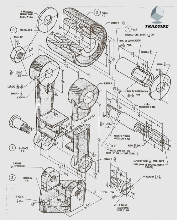
                      2. DIBUJO DE CONJUNTO EN EXPLOSION
                        1. El plano en perspectiva explosiva tiene como finalidad indicar en forma ordenada y precisa la secuencia de ubicación de las piezas que conforman un conjunto, permitiendo con ello a cualquier operario realizar un desarme y posteriormente; realizada la reparación, armar el conjunto siguiendo las informaciones del plano.
                        Show full summary Hide full summary

                        Similar

                        Variació Lingüística
                        Flor Belda
                        SECCIONES CÓNICAS
                        maluna_02
                        Impronta unadista - Catedra Unadista
                        Cristhian Perez Ponce
                        LA PERPENDICULARIDAD, EL PARALELISMO Y LOS ÁNGULOS
                        Chenxi Ye
                        Axonometría
                        Micaela Reinoso
                        Sistemas de proyección. Geometría descriptiva I
                        idsh24
                        MÉTODO MONGE O SISTEMA DIÉDRICO
                        Alex Martínez
                        Tangencias.
                        Paco Sanchidrián
                        DIBUJO NORMALIZADO
                        Daniel Ramirez Martinez
                        Dibujo Proyectivo
                        carlos murillo
                        Dibujo de ingenieria 1
                        Moises Enrique Jimenez Obispo