Momento 3 DIBUJO DE CONJUNTO

Description

Dibujo de conjunto, dibujo de despiece, dibujo de explosión.
Julieth Ayure Mercado
Mind Map by Julieth Ayure Mercado, updated more than 1 year ago
Julieth Ayure Mercado
Created by Julieth Ayure Mercado over 9 years ago
98
0

Resource summary

Momento 3 DIBUJO DE CONJUNTO
  1. Libro de JENSEN cap. 13 Dibujo de Detalle y ensamble
    1. Aseguramiento de la calidad del dibujo
      1. Debe hacerce una revisión del dibujo antes que se apruebe para garantizar el aseguramento de la calidad del dibujo
        1. Teniendo en cuenta las diferentes consideraciones como:
          1. Considereciones de revisión, consideraciones de dibujo, considereciones de fabricación, consideraciones de instalaciones.
      2. Dibujo funcional
        1. Debe hacer uso de todos los medios posibles para comunicar dicha información en la forma más ecnómica posible.
          1. Aplica a cualquier método de abarate el costo de producción de la parte
        2. Dibujo ejecutivo
          1. Dibujos de detalle
            1. Proporcionan la información necesaria para la manufactura de las partes
            2. Dibujos de ensamble
              1. Brindan la información necesaria para su ensamblado
            3. Dibujo de ensamble
              1. Es un dibujo que muestra al producto en su estado final
              2. Dibujos de subensambles
                1. Los subensambles se diseñan para simplificar el ensamble final tanto como lo permita el artículo por ser ensamblado en un lugar mas adecuado o comprado de un proveedor externo.
              3. NTC 2099
                1. Referencia de itemes
                  1. Esta norma proporciona reglas generales para la aplicación y representación de referencias de ítems en dibujos técnicos.
                    1. Las referencias de itemes deben estar compuestas de números arábigos solamente
                      1. Aplicación de referencias de itemes para un ensamblaje
                2. NTC 2058
                  1. Esta norma hace referencia a la lista de itemes
                    1. La lista de itemes es una lista detallada de los ítemes que constituyen un ensamble que figuran en un dibujo tecnico
                  2. NTC 2048
                    1. Representación simplificada
                      1. Los símbolos que representan los orificios en el dibujo externo de su eje
                      2. Designación de orificios de centrado
                        1. Depende del diámetro del taladro y se puede indicar con cualquier referencia de una norma internacional.
                        2. Interpretación de indicación
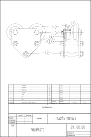
                        3. PLANO DE CONJUNTO
                          1. Se denomina dibujo de conjunto a la representación gráfica de un grupo de piezas que constituyen un mecanismo.
                            1. Realizado de modo que todos los elementos aparecen montados y unidos, según el lugar que les corresponde
                              1. Sirve para asegurar un correcto funcionamiento del órgano diseñado
                          2. DIBUJO DE DESPIECE
                            1. Por medio del cual se representan todas y cada una de las piezas no normalizadas que constituyen un mecanismo o un producto.
                              1. En el dibujo de despiece cada pieza se dibujará con el mínimo número de vistas, cortes y detalles necesarios para la perfecta definición de la pieza.
                                1. Se emplean para facilitar la construcción y el montaje de un objeto
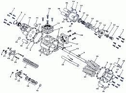
                            2. Dibujo en explosivo
                              1. Es una representación pictórica que se realiza en tres dimensiones en el cual sus elementos deben estar numerados.
                                1. El plano en perspectiva explosiva tiene como finalidad indicar en forma ordenada y precisa la secuencia de ubicación de las piezas que conforman un conjunto
                                  1. Tienen un gran valor para llevar a cabo el mantenimiento en todo tipo de aparatos. Se utiliza también para los kits de montaje. Es de gran utilidad a la hora de pedir las piezas de repuesto
                              Show full summary Hide full summary

                              Similar

                              MOMENTO 3 DIBUJO DE CONJUNTO
                              DIANNY VARGAS
                              Elizabeth_Chacón_Hernández_Dibujo_de_Ingeniería_212060A_291_Periodo 16-4
                              Elizabeth Chacon
                              DIBUJO DE CONJUNTO
                              Mayra Alejandra Barbosa
                              Dibujo de Conjunto
                              Alexander Hernandez
                              unidad 3 / Dibujo de conjunto
                              valentina Arrieta
                              MOMENTO 3 DIBUJO DE CONJUNTO
                              Cristhian Aragon
                              MAPA MENTAL UNIDAD 1 DIBUJO DE INGENIERIA
                              Sergio Fernandez
                              Dibujo de despiece de un objeto
                              Laura Hinojosa
                              UNIDAD 3: DIBUJO EN CAD PARAMÉTRICO
                              Johanna Solano
                              MOMENTO 3 DIBUJO DE CONJUNTO
                              adriana m. cruz
                              MOMENTO 3 DIBUJO DE CONJUNTO
                              Jenifer Joanna Ariza Rojas