DIBUJO DE INGENIERIA MOMENTO 3

Description

Dibujo de despiece de un objeto: Qué es y cómo se representa. / Dibujo de conjunto: Qué es y cómo se representa. / Dibujo de conjunto en explosión: Qué es y cómo se representa.
Fredy Escobar
Mind Map by Fredy Escobar, updated more than 1 year ago
Fredy Escobar
Created by Fredy Escobar about 9 years ago
61
0

Resource summary

DIBUJO DE INGENIERIA MOMENTO 3
  1. DIBUJO DE DESPIECE DE UN OBJETO
    1. lista de elementos
      1. planos de despiece
        1. cuando se hayan utilizado multples planos para realizar el dibujo de conjunto y despiece e incluso la lista vaya en un plano separado
          1. orden de los planos
            1. lista de despiece
              1. planos de despiece
                1. plano de conjunto
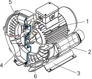
            2. DIBUJO DE CONJUNTO
              1. En la representacion grafica de un grupo de piezas que constituyen un mecanismo , una maquina o una instalacion, realizada de modo que todos estos elementos aparecen montados y unidos
              2. DIBUJO DE CONJUNTO EN EXPLOSION
                1. Tipos de dibujo de conjunto
                  1. montado de forma que muestra el conjunto tal como queda despues de completar el montaje
                    1. en exposcicion, de forma que muestra el conjunto con algunas, o todas las piezas separadas de forma arbitrariapero "sugiriendo" la forma del montaje del dibujo
                  Show full summary Hide full summary

                  Similar

                  principales tópicos del OVI Teoría de descripción de la forma, capítulo 6 libro Jensen (Dibujo y diseño en ingeniería) y OVA Reconocimiento de vistas.
                  yenny paola mondragon
                  DIBUJO DE INGENIERIA UNIDAD #1 DIBUJO NORMALIZADO PARTE 2
                  Miguel Angel Pulgarin Giron
                  Entorno de conocimiento, normas Icontec y libro de Jensen.
                  jeisson camacho
                  DIBUJO DE INGENIERIA
                  ERKA PAOLA GARCIA PINZON
                  DIBUJO DE INGENIERIA
                  jose mauricio
                  Dibujo de Ingenieria
                  hugo andres melo teatin
                  entorno conocimiento
                  paola monroy
                  Mapa mental de dibujo de ingenieria
                  luis eduardo orejuela chacon
                  MAPA MENTAL DIBUJO DE INGENIERIA
                  mechas.24
                  Dibujo de despiece de un objeto
                  Laura Hinojosa