PIC18F4550

Description

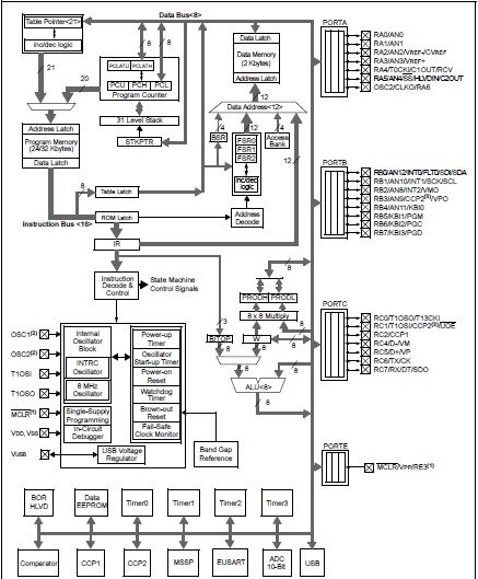
Arquitectura del PIC18f4550
Juan Carlos Ruiz Gonzalez
Mind Map by Juan Carlos Ruiz Gonzalez, updated more than 1 year ago
Juan Carlos Ruiz Gonzalez
Created by Juan Carlos Ruiz Gonzalez about 9 years ago
62
0

Resource summary

PIC18F4550
  1. ARQUITECTURA HARVARD

    Annotations:

    • Dispone de buses diferentes para el acceso a la memoria de programa y a la memoria de datos. Esto permite acceder simultáneamente a la memoria de programa y a la memoria de datos. Es decir, se puede ejecutar una instrucción mientras se lee de la memoria de programa la siguiente instrucción.
    1. MEMORIA DE PROGRAMA

      Annotations:

      • Memoria Flash interna, almacena instrucciones y constantes/datos, puede ser escrita/leída/borrada mediante un programador externo o durante la ejecución del programa.
      1. MEMORIA DE DATOS

        Annotations:

        • Memoria SRAM interna, en la que están los registros de funciones especiales, almacena datos de forma temporal durante la ejecución del programa y puede ser leída/escrita en tiempo de ejecución La memoria RAM de datos se compone de registros de propósitos generales (GPRs) y de registros de función especial (SFRs)
      2. INTERRUPCIONES

        Annotations:

        • Todas las interrupciones pueden ser programadas con cualquiera de las dos prioridades, salvo las interrupciones externas. Registros de interrupciones: RCON, INTCON, INTCON2, INTCON3, PIR1, PIR2, PIE1, PIE2, IPR1, IPR2 
        1. BITS DE CONFIGURACIÓN

          Annotations:

          • Estos bits nos permite controlar las interrupciones
          1. HABILITACIÓN DE INTERRUPCIÓN
            1. BANDERA DE INTERRUPCIÓN
              1. PRIORIDAD DE INTERRUPCIÓN
            2. PERIFERICOS / UNIDADES FUNCIONALES

              Annotations:

              • Realiza tareas específicas especializadas (A/D, transmisión / recepción de datos, generación de señales con temporizadores, etc...) Optimiza el rendimiento del PIC, ya que estas unidades trabajan en paralelo a la CPU permitiendo que éste se centre en otras tareas como el procesamiento de datos, cálculos, movimiento de datos, etc.
              1. MODULO COMPARACIÓN / CAPTURA / PWM
                1. CAPTURA

                  Annotations:

                  • Se utiliza para medir eventos externos como la duración de los pulsos digitales.
                  1. PWM

                    Annotations:

                    • Se utiliza para genera señales de modulación de ancho de pulso
                    1. COMPARACIÓN

                      Annotations:

                      • Se utiliza para generar señales digitales con temporizadores programable.
                      1. PWM mejorado

                        Annotations:

                        • Se utiliza para generar señales PWM complementarias para el control de semipuentes de transistores.
                      2. COMPARADOR (CMCON)

                        Annotations:

                        • El modulo de comparadores analógico contiene dos comparadores que pueden ser configurados de distintas forma. Las entradas pueden seleccionarse entre las entradas analógicas de los pins RA0 a RA5. Las salidas digitales (normal o invertida) son accesibles exteriormente y pueden ser leidas a través de un registro de control
                        1. ADC

                          Annotations:

                          • Este modulo tiene 13 entradas y permite convertir una señal analógica a un numero digital correspondiente de 10 bitsTiene 5 registros -->A/D Result High Register (ADRESH) -->A/D Result Low Register (ADRESL) -->A/D Control Register 0 (ADCON0) -->A/D Control Register 1 (ADCON1) -->A/D Control Register 2 (ADCON2)
                          1. EUSAR

                            Annotations:

                            • Modo de comunicación serial
                            1. TEMPORIZADORES
                              1. TEMPORIZADOR 0 (T0CON)

                                Annotations:

                                • Configurable como temporizador/contador de 8-16 bits. Interrupción por desbordamiento
                                1. TEMPORIZADOR 1 (T1CON)

                                  Annotations:

                                  • Configurable como timer de 16 bits o contador. Interrupción por desbordamiento. Fuente de reloj seleccionable (interna-externa)
                                  1. TEMPORIZADOR 2

                                    Annotations:

                                    • Timer de 8 bits y configuración PWM. prescales 1:1,1:4,1:16 postescale 1:1, 1:16 Interrupciones TMR2 y PR2
                                    1. TEMPORIZADOR 3

                                      Annotations:

                                      • Configurable como timer de 16 bits o contador Registro de lectura y escritura de 8 bits Seleccion de oscilador interno-externo Interrupcion por desbordamiento
                                    2. PUERTOS E/S

                                      Annotations:

                                      • Dispone de 5 puertos de E/S
                                      1. REGISTROS ASOCIADOS
                                        1. TRIS

                                          Annotations:

                                          • Mediante este registro se configura cada una de las líneas de E/S del puerto como entrada (1) o como salida (0).
                                          1. PORT

                                            Annotations:

                                            • Mediante este registro se puede leer el nivel del pin de E/S y se puede establecer el latch de salida.
                                            1. LAT

                                              Annotations:

                                              • Mediante este registro se puede leer o establecer el valor del latch de salida
                                          2. USB
                                            1. MSSP

                                              Annotations:

                                              • Es una interfaz serie capaz de comunicarse con periféricos u otros microcontroladores, puede operar como SPI o I2C
                                            2. OSCILADOR

                                              Annotations:

                                              • Este PIC permite múltiples configuraciones (12)
                                              1. PROTEUS / ISIS

                                                Annotations:

                                                • Software que te permite realizar la simulación de circuitos electricos, en esta práctica l simulación del PIC18F4550
                                                1. MPLAB / COMPILADOR XC8

                                                  Annotations:

                                                  • MPLAB es un editor IDE gratuito, destinado a productos de la marca Microchip. Este editor es modular, permite seleccionar los distintos microcontroladoressoportados, además de permitir la grabación de estos circuitos integrados directamente al programador.
                                                  Show full summary Hide full summary

                                                  Similar

                                                  UNIDAD II DIBUJO PROYECTIVO
                                                  anyimartinezrued
                                                  Historia de la Ingeniería
                                                  Camila González
                                                  MAPA CONCEPTUAL SOBRE LA INICIATIVA CDIO
                                                  Victor Antonio Rodriguez Castañeda
                                                  Partes de Un Motor Recíproco
                                                  Emmanuel Hincapie
                                                  Orden de encendido motores de 4, 6, 10 y 12 cilincdros
                                                  Sebas ND's
                                                  las conicas en la vida cotidiana
                                                  Arturo Rosales
                                                  Rectificación del Bloque de cilindros ( mapa mental Bloque de Cilindros)
                                                  Christian Tamaquiza
                                                  Tema 8. El sistema de distribución
                                                  Juan M Berrocal
                                                  Diapositivas neumática
                                                  Victor Zamora Delgado
                                                  Ejercicios neumática
                                                  Victor Zamora Delgado
                                                  Principios de recubrimientos automotrices.
                                                  Lidia Yadira Aguillon Silva