Concepto y Modelo de Dibujo CAT CATIA

Description

modelo de dibujo CAT
Diana Carolina  Salinas Diana
Mind Map by Diana Carolina Salinas Diana , updated more than 1 year ago
Diana Carolina  Salinas Diana
Created by Diana Carolina Salinas Diana almost 9 years ago
339
0

Resource summary

Concepto y Modelo de Dibujo CAT CATIA
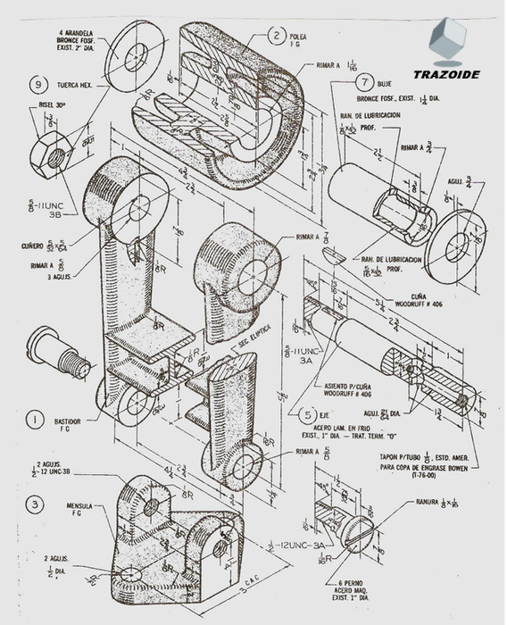
  1. Dibujo de despiece de un objeto
    1. El dibujo de despiece o de detalle es el que da información necesaria para la fabricación de una pieza. Representa Gráficamente lo que se quiere hacer; a saber
      1. Dimensiones
        1. Indicaciones sobre el Material
          1. Acabado Superficial
            1. Tratamientos especiales
              1. se representa de la siguiente manera
                1. La representación gráfica se basa en la geometría descriptiva y utiliza las proyecciones ortogonales para dibujar las distintas vistas de un objeto.
            2. Dibujo de conjunto
              1. La representación gráfica se basa en la geometría descriptiva y utiliza las proyecciones ortogonales para dibujar las distintas vistas de un objeto.
                1. En el proyecto de cualquier máquina o mecanismo se utilizan dibujos de conjunto, ya que en este tipo de dibujos, el proyectista aprecia mejor las relaciones existentes entre las diferentes piezas que componen el mismo, dando, a su vez, una imagen real del mecanismo proyectado.
                  1. diferentes tipos de dibujos de conjunto
                    1. Representación por medio de vistas, se representan las vistas, cortes, secciones y roturas más apropiadas
                      1. Perspectiva isométrica explosionada (o estallada) del conjunto
                        1. se pueden clasificar en : Perspectiva isométrica del conjunto
                          1. Dibujo de subconjunto, los conjuntos formados por una gran cantidad de piezas, debido a su gran complejidad, se pueden descomponer en dibujos de subconjunto, representativo cada uno de ellos de una parte de la máquina o mecanismo.
                            1. Dibujo de conjunto general, corresponde con la representación completa del mecanismo, máquina o instalación con todos sus elementos componentes montados.
                              1. Dibujo de conjunto esquemático
                        2. dibujo de conjunto en explosion
                          1. tiene como finalidad indicar en forma ordenada y precisa la secuencia de ubicación de las piezas que conforman un conjunto, permitiendo con ello a cualquier operario realizar un desarme y posteriormente; realizada la reparación, armar el conjunto siguiendo las informaciones del plano.
                          2. proceso de dibujo de la pieza
                            1. Estas herramientas se pueden dividir básicamente en programas de dibujo 2D y de modelado 3D. Las herramientas de dibujo en 2D se basan en entidades geométricas vectoriales como puntos, líneas, arcos y polígonos, con las que se puede operar a través de una interfaz gráfica. Los modeladores en 3D añaden superficies y sólidos.
                            2. PLM
                              1. La Gestión del ciclo de vida del producto (PLM) es un sistema de gestión de la información que puede integrar datos, procesos, sistemas de negocio y, en última instancia, personas en una empresa extendida. El software de PLM le permite gestionar esta información en todo el ciclo de vida de un producto de manera eficiente y rentable, desde la concepción, el diseño y la producción, hasta el servicio y la eliminación.
                                1. Administración de Datos de Producto /PDM
                                  1. CAD / Diseño Asisitido por Computadora
                                    1. CAM / Manufactura Asistida por Computadora
                                      1. Simulación e Ingeniería asistida por computadora (CAE) en 3D
                                        1. FEA / Finite Element Analysis
                                          1. 1D CAE / Mechatronic System Simulation
                                            1. Modal Analysis
                                              1. Digital Manufacturing
                                            2. Diana Carolina Salinas - Grupo_35
                                              1. Normas icontec
                                                1. NTC 2048 ESTABLECE REPRESENTACION Y DESIGNACION, SE ACOMPANA DE EJEMPLOS GRAFICOS.
                                                  1. NTC 2058 ESPECIFICA LAS REGLAS GENERALES Y LAS RECOMENDACIONES PARA EL ESTABLECIMIENTO DE LA LISTA DE ITEMES QUE SE UTILIZAN EN LOS DIBUJOS TECNICOS.
                                                    1. NTC 2099: Referencia de partes de un objeto representado en el dibujo
                                                Show full summary Hide full summary

                                                Similar

                                                INGENIERIA DE MATERIALES
                                                Ricardo Álvarez
                                                Elementos Básicos de Ingeniería Ambiental
                                                Evilus Rada
                                                Historia de la Ingeniería
                                                Camila González
                                                UNIDAD II DIBUJO PROYECTIVO
                                                anyimartinezrued
                                                Introducción a la Ingeniería de Software
                                                David Pacheco Ji
                                                GENERALIDADES DE LAS EDIFICACIONES
                                                yessi.marenco17
                                                MAPA MENTAL SOFTWARE APLICADOS EN INGENIERÍA CIVIL
                                                Ruben Dario Acosta P
                                                Examen Ingeniería Electromecánica II
                                                Jorge Cabrera7516
                                                Normas que Rigen la Ingenieria Mecanica
                                                Francisco Balderas Garcia
                                                Estado de la ingenería mecánica y su perspectiva a futuro
                                                Roberto Martinez
                                                MAPA CONCEPTUAL SOBRE LA INICIATIVA CDIO
                                                Victor Antonio Rodriguez Castañeda