Característcas de Conmutación

Description

Característcas de Conmutación
David Oleas
Mind Map by David Oleas, updated more than 1 year ago
David Oleas
Created by David Oleas almost 9 years ago
15
0

Resource summary

Característcas de Conmutación
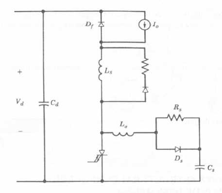
  1. los GTO por lo general deben usarse con amortiguadores
    1. cualquier descripción realista del comportamiento de conmutación del OTO debe incluir los efectos de los circuitos de amortiguadores.
      1. Es importante apreciar que los OTO sólo se usan en aplicaciones de potencia media a alta.
    2. TRANSITORIO DE ENCENDIDO
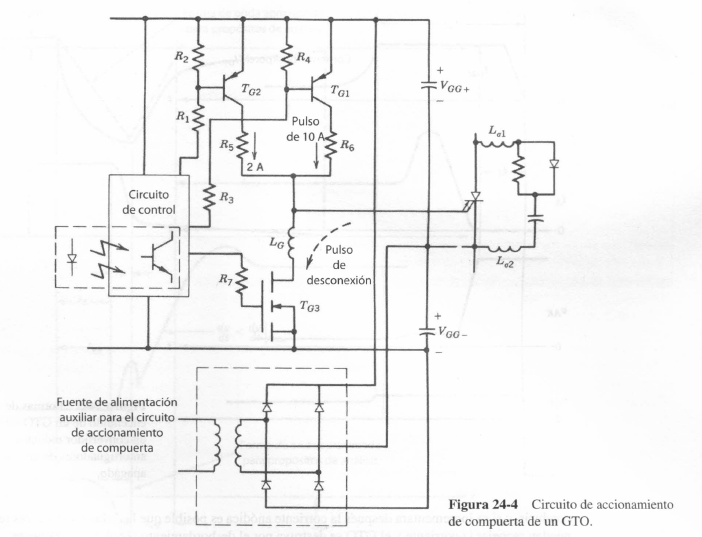
      1. se inicia por un pulso de la corriente de compuerta
        1. la corriente pico de compuerta, debe ser grande para asegurar que todas las islas de cátodos empiecen a conducir. De lo contrario, sólo un pequeño número de islas puede conducir la corriente total y se puede presentar un desbordamiento térmico, lo que provocaría la destrucción del GTO.
          1. Se proporciona un valor grande de IG para un tiempo lo bastante extenso, por ejemplo, 10 us, para asegurar que se complete el proceso de encendido.
        2. TRANSITORIO DE APAGADO
          1. El GTO se apaga mediante la aplicación de una corriente negativa grande,
            1. Cuando se retira una cantidad suficiente de carga almacenada se detiene la acción regenerativa en el GTO
          2. TIEMPOS MÍNIMOS DE ESTADO ACTIVO Y PASIVO
            1. Se recomienda mucho que el GTO no se encienda hasta que se haya apagado durante un tiempo especificado por la posibilidad de mala compartición entre las diversas islas de cátodos
              1. Del mismo modo, el GTO se debe mantener en estado activo por un periodo especificado antes de iniciar la desconexión. De nuevo, la razón es porque de lo contrario puede existir una mala compartición de corriente entre las diferentes islas de cátodos.
              Show full summary Hide full summary

              Similar

              Operación de un GTO
              David Oleas
              Test para el Transistor
              s1966nelsae
              Potenciación
              Carlos Marin
              Operación de un GTO
              Jose Luis
              Electrónica de Potencia TEST 1
              Américo Acevedo
              Transistores de unión Bipolar (BJT)
              David Oleas
              TIRISTORES
              David Oleas
              Potencias
              emiliorazomontie
              CIRCUITO ELECTRICO
              Florentino Ibarra
              ELECTRONICA DE POTENCIA
              Javier Losada
              Tercer Parcial: Energía, Trabajo y Potencia.
              Celeste Torres