DIBUJO DE INGENIERÍA M3

Description

UNAD
JHOAN BAYRON QUINTERO HERRERA
Mind Map by JHOAN BAYRON QUINTERO HERRERA, updated more than 1 year ago
JHOAN BAYRON QUINTERO HERRERA
Created by JHOAN BAYRON QUINTERO HERRERA almost 9 years ago
72
0

Resource summary

DIBUJO DE INGENIERÍA M3
  1. Dibujo de despiece de un objeto
    1. Son dibujos que se emplean para facilitar la construcción y el montaje de un objeto. En ellos se muestran las distintas partes o piezas del objeto y las posiciones de una con respecto a las otras
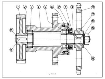
    2. Dibujo de conjunto
      1. Es la representación gráfica de un grupo de piezas que constituyen un mecanismo, una máquina o una instalación, realizada de modo que todos estos elementos aparecen montados y unidos, según el lugar que les corresponde, para asegurar un correcto funcionamiento del órgano diseñado
      2. Dibujo de conjunto en explosión
        1. Nos ayudan a comprender la posición de varios componentes en un ensamblado. Se emplea en presentaciones, catálogos y dibujos. Es una representación pictórica que se dibuja en tres dimensiones y que sus elementos deben de estar numerados. Tienen un gran valor para llevar a cabo el mantenimiento en todo tipo de aparatos. Se utiliza también para los Kist de montaje. Es de gran utilidad a la hora de pedir las piezas de repuesto
        2. Proceso de dibujo en el vídeo de la pieza en el CAD CATIA.
          1. Que es un PLM
            1. Es una estrategia que busca mejorar la competitividad de las empresas, a través del manejo óptimo e integrado de la información del producto desde su concepto inicial hasta el final de la vida del mismo, soportado en la implementación de un conjunto de soluciones informáticas.
            2. Proceso de elaboracion del prototipo digital en CATIA
              1. BOCETO
                1. EXTRUSIÓN 3D + MATERIAL (PAD)
                  1. EXTRUSIÓN 3D + MATERIAL (PAD)
                    1. EXTRUSIÓN 3D + MATERIAL (PAD)
                      1. OPERACIÓN 3D CHAMFER
                      Show full summary Hide full summary

                      Similar

                      EVALUACIÓN DE DIBUJO TECNICO
                      Jorge Arevalo
                      UNIDAD II DIBUJO PROYECTIVO
                      anyimartinezrued
                      Historia de la Ingeniería
                      Camila González
                      MAPA CONCEPTUAL SOBRE LA INICIATIVA CDIO
                      Victor Antonio Rodriguez Castañeda
                      Partes de Un Motor Recíproco
                      Emmanuel Hincapie
                      EL DIBUJO COMO MEDIO DE COMUNICACION
                      gonzalo04p
                      Orden de encendido motores de 4, 6, 10 y 12 cilincdros
                      Sebas ND's
                      las conicas en la vida cotidiana
                      Arturo Rosales
                      Rectificación del Bloque de cilindros ( mapa mental Bloque de Cilindros)
                      Christian Tamaquiza
                      Tema 8. El sistema de distribución
                      Juan M Berrocal
                      Diapositivas neumática
                      Victor Zamora Delgado