Dibujo de despiece de un objeto,Dibujo de conjunto,Dibujo de conjunto en explosión CAD CATIA.PLM

Description

Dibujo de despiece de un objeto: Qué es y cómo se representa. / Dibujo de conjunto: Qué es y cómo se representa. / Dibujo de conjunto en explosión: Qué es y cómo se representa. / Proceso de dibujo en el video de la pieza en el CAD CATIA. / Que es un PLM.
Magda liliana Cely
Mind Map by Magda liliana Cely, updated more than 1 year ago
Magda liliana Cely
Created by Magda liliana Cely almost 9 years ago
338
0

Resource summary

Dibujo de despiece de un objeto,Dibujo de conjunto,Dibujo de conjunto en explosión CAD CATIA.PLM
  1. dibujo de conjunto
    1. Se denomina dibujo de conjunto a la representación gráfica de un grupo de piezas queconstituyen un mecanismo, una máquina o una instalación, realizada de modo que todos estoselementos aparecen montados y unidos, según el lugar que les corresponde, para asegurar uncorrecto funcionamiento del órgano diseñado
      1. DIBUJO DE CONJUNTO GENERAL
        1. .DIBUJO DE SUBCONJUNTO
        2. NORMAS PARA SU REPRESENTACION
          1. En los dibujos de conjunto se deben dibujar las vistas necesarias para poder ver y referenciar todas las piezas que lo componen, no siendo necesario definir todos los detalles constructivos delas mismas, ya que éstos quedarán plenamente definidos en los correspondientes dibujos dedespiece, a no ser que dichos detalles tengan una importancia evidente para efectuar el montajedel conjunto o para poder interpretar su funcionamiento
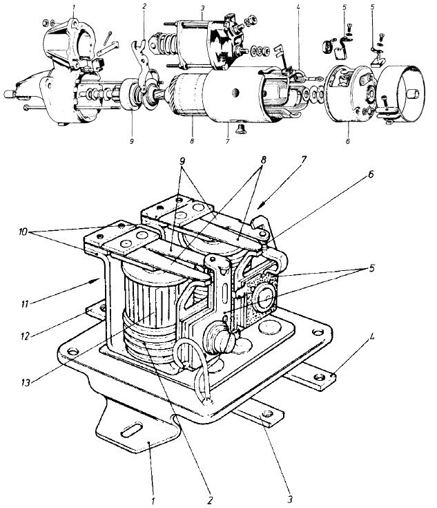
        3. dibujo de conjunto en explosivo
          1. representa en perspectiva isométrica las diferentes piezas que componen el conjunto tras sufrir estas un desplazamiento (conjunto desmontado). Recibe también el nombre de dibujo demontaje , ya que sirve de guía para realizar los trabajos de montaje del mecanismo a partir de laspiezas sueltas
          2. CAD CATIA
            1. plataforma CAD parametrica desarrollada por casa Francesa Dassault Sistemes para proporcionar apoyo desde la concepción del diseño hasta la producción y análisis de productos.
              1. CATIA es una solucion completa de software para diseño y desarrollo de productos 3D y PLM, el programa es usado en la industria automotriz, aeroespacial por ingenieros y disenadores, esta orientado a diseño avanzado de proyectos, su aplicación principal es el modelado avanzado de solidos, superficies, ensamble, producción de dibujos, manufactura y análisis.
            2. PLM (PRODUCT LIFECICLE MANAGENET
              1. La Gestión del Ciclo de Vida de Productos, en inglés Product Lifecycle Management (PLM), es el proceso que administra el ciclo de vida completo de un producto desde su concepción, pasando por su diseño y fabricación, hasta su servicio y eliminación
                1. Son soluciones integradas de software, del ciclo completo de vida del producto, desde la concepción del producto con soluciones CAD, pasando por el análisis y la optimización del producto con soluciones CAE (Computer Aided Engineering), llegando al análisis de cómo se va a producir y dar mantenimiento a este producto con soluciones DMF (Digital Manufacturing) y capturando, reutilizando y compartiendo con cada uno de los actores del ciclo productivo toda la información generada en cada una de las etapas antes mencionadas con soluciones PDM (Product Data Management)
              2. es la representación detallada e individual de cada uno de los elementos y piezas no normalizadas que constituyen un conjunto.
                1. Este tipo de dibujos incluirá: formas y dimensiones de los diferentes detalles constructivos,tolerancias, acabados superficiales, tratamientos y recubrimientos, materiales, etc, y cuantainformación sea necesaria para poder fabricar las diferentes piezas; asegurando el montaje y uncorrecto funcionamiento del mecanismo en el cual van insertadas
                2. Dibujo de despiece de un objeto:
                  Show full summary Hide full summary

                  Similar

                  COMPRENSION LECTORA
                  libeyuco33
                  EL ARTE DE LA GUERRA
                  YONATAN ALEXANDER AROCA CERON
                  trini
                  airaminirt
                  comunidades virtuales de aprendizaje en red
                  ealexander333
                  PROPUESTAS MMMM
                  mary AU
                  Anàlisi de frases valencià 2 (Àlex Lluch)
                  Álex Lluch
                  Complementos verbales
                  Marc Amorós Llovera
                  Elementos que hacen un proceso académico exitoso en la modalidad a distancia
                  Magda liliana Cely
                  ELEMENTOS INTANGIBLES DE LA COMPUTADORA (SOFTWARE)
                  Abraham Ruiz Che
                  Complements verbals (Àlex Lluch)
                  Àlex Lluch