unidad 3 dibujo de conjunto

Description

es este mapa mental se encuenta las ideas de la unidad 3 de dibujo de ingenieria
edisson suarez suarez
Mind Map by edisson suarez suarez, updated more than 1 year ago
edisson suarez suarez
Created by edisson suarez suarez almost 9 years ago
56
0

Resource summary

unidad 3 dibujo de conjunto
  1. dibujo de conjunto
    1. El plano de conjunto presenta una visión general del dispositivo a construir, de forma que se puede ver la situación de las distintas piezas que lo componen, con la relación y las concordancias existente entre ellas.
      1. La función principal del plano de conjunto consiste en hacer posible el montaje.
        1. debe prevalecer la visión de la situación de las distintas partes, sobre la representación de detalle.
          1. Los dibujos de conjunto representan una máquina o un mecanismo en su totalidad.
            1. Dan una idea general de la constitución del mecanismo y, por consiguiente, de su funcionamiento y del servicio o trabajo que realizan.
              1. la representacion en los planos de conjunto deben verse las piezas que lo componen, evitando las líneas de trazos; para ello será necesario dibujar las vistas, cortes y roturas necesarios para interpretar el funcionamiento del conjunto, y visualizar, al menos parcialmente, cada una de las piezas del conjunto para poder posteriormente referenciarlas con un número (marca). En los dibujos de conjunto a veces es muy práctico añadir algún dibujo de detalle a mayor escala ya que se consigue mayor claridad.
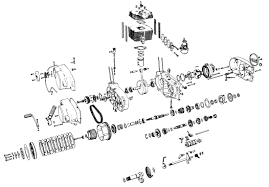
    2. dibujo en explosion
      1. Este tipo de dibujo se emplea en las secciones de lista de piezas de catálogos de las compañías y en manuales de instrucción. Los dibujos de este tipo son comprendidos con facilidad por personas que tengan muy poca experiencia en la lectura de dibujos con vistas múltiples ortogonales y facilita el ensamble o mantenimiento de dispositivos. no suelen incluirse dimensiones de los elementos de la máquina o dispositivo, pero si se incluyen listas de partes con algunas características que se referencian con la numeración agregada al plano en cada componente.
      2. Dibujo de despiece de un objeto
        1. Es la representación gráfica de cada una de las piezas que constituyen un mecanismo o maquina obtenido del correspondiente dibujo de contenido haciendo posible la fabricación individual de las mismas.
          1. Capieza debe ser representada por las vista cortes, tolerancias dimencionales, tolerancias geometricas, carateristicas superficiales y detalles del mecanismos en la escala conveniente y acotadas. A cada dibujo de despiese debe tener su lista de partes al igual que en el dibujo de conjunto
            1. cada pieza de del despiece debe ser representada en un plano
        2. PML
          1. (Product Lifecycle management) es una estrategia para mejorar la competitividad empresarial, manejando integradamente la información del producto desde el concepto inicial hasta el final de su vida, a través de soluciones informáticas convergentes como el CAD, CAE, FEA, PMI, MRP, CAPP, CAM, PDM. es transversal a todo el proceso y retro alimentada
          2. proceso de dibujo
            1. Edisson Raul Suarez Suarez grupo 212060_26
              1. Edisson Raul Suarez Suarez grupo 212060_26
                Show full summary Hide full summary

                Similar

                Unidad 3 Dibujo Ingenieria Yenifer Alvarez
                Ing Industrial
                UNIDAD-3-GRUPO-212060_76-EDISON-RIVERA-DIBUJO DE CONJUNTO
                Edison Rivera
                DIBUJO DE CONJUNTO
                Diana Castro
                Diego Armando Pulido Nossa Curso Dibujo de Ingeniería Periodo 4 UNIDAD 3 Dibujo de Conjunto
                diego pulido
                DIBUJO DE CONJUNTO
                laura cristina mendoza cupa
                DIBUJO DE CONJUNTO 1
                fredy moreno
                Dibujo de Conjunto
                Helena Rodriguez
                Unidad 3: dibujo de conjunto Alfonso_Nuñez
                Alfonso nuñez
                TIPOS DE DIBUJO
                Lida martinez garzon
                Dibujo de Conjunto
                Samir Antonio Truyol Otero