cont..3° Dinâmica de Sabatina

Description

Sabatina para preparar alunos para o PROVÃO
SENAI Matozinhos
Quiz by SENAI Matozinhos, updated more than 1 year ago
SENAI Matozinhos
Created by SENAI Matozinhos almost 9 years ago
29
0

Resource summary

Question 1

Question
Na figura abaixo, a as partes números 1, 9, 11 e 14 são denominados:
Answer
  • Orelha fixa, encosto móvel, vernier mm e haste de profundidade
  • Haste de profundidade, escala fixa, vernier mm e impulsor
  • Parafuso de fixação, escala móvel, haste de profundidade e orelha fixa
  • Orelha fixa, orelha móvel, encosto fixo e haste de profundidade

Question 2

Question
A partir de determinados valores de tensão, as intervenções em instalações elétricas, de acordo com a NR-10, somente podem ser efetuadas por trabalhadores habilitados, qualificados, capacitados e considerados autorizados a esse fim. Os valores das tensões, em volts, em corrente alternada (CA) e em corrente contínua (CC) para essas intervenções, segundo a NR-10, devem ser iguais ou superiores a, respectivamente,
Answer
  • 20 e 60
  • 30 e 70
  • 40 e 80
  • 50 e 120

Question 3

Question
O valor de R no circuito resistivo ao lado o é 9 Ω. A corrente i para uma tensão da fonte CC de 60 Volts é:
Answer
  • 5 A;
  • 10 A;
  • 15 A;
  • 20 A;

Question 4

Question
A conversão de 36,5 mm para polegada fracionária e 1. 9/64” para milímetro esta respectivamente, equivale a:
Answer
  • 1. 9/16” – 36,678 mm.
  • 1. 7/64” - 14,287 mm.
  • 1. 7/16” - 39,687 mm.
  • 1. 9/32” – 26,987 mm.

Question 5

Question
Um motor de indução trifásico, 2 pólos, 60 Hz, tem um escorregamento de 2% quando operando em condições nominais. Nessas condições, sua velocidade de operação será:
Answer
  • 1836 rpm;
  • 1800 rpm;
  • 3600 rpm;
  • 3528 rpm;

Question 6

Question
Um circuito equivalente R-L série tem os seguintes parâmetros: R= 6 Ω e XL = 8 Ω. Uma corrente senoidal, 60 Hz, de valor eficaz de 5 A percorre esse circuito. A potência aparente (VA totais) solicitada da fonte é igual a:
Answer
  • 50 VA;
  • 75 VA;
  • 100 VA;
  • 125 VA.

Question 7

Question
Com base na figura isométrica abaixo, indique a melhor representação do desenho planificado:
Answer
  • A figura “A” está correta.
  • A figura “B” está correta.
  • A figura “C” está correta.
  • As vistas não correspondem ao desenho isométrico.

Question 8

Question
Calcular o valor aproximado de RPM para furar com uma broca de metal duro “WIDIA”. Dados: VC do material :195m/min, Diâmetro da broca: 10mm
Answer
  • 5000 RPM
  • 2720 RPM
  • 6207 RPM
  • 4770 RPM

Question 9

Question
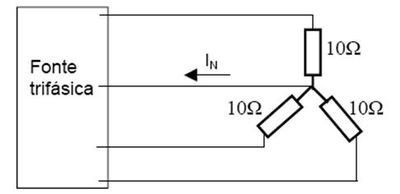
Considere o diagrama trifásico abaixo: É correto afirmar que:
Answer
  • A tensão de linha é igual à tensão de fase
  • A corrente de linha é 1,73 vezes maior que a corrente de fase
  • A tensão de fase para neutro é sempre nula
  • A corrente de linha é igual à corrente de fase

Question 10

Question
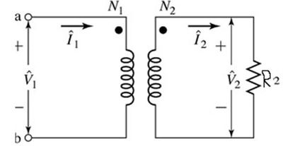
Seja o transformador ideal mostrado abaixo, em que a relação de transformação é N1/N2 =10. O valor eficaz da tensão V1 aplicada é de 240 Volts e a resistência da carga R2 é de 8 Ω. A esse respeito, pode-se afirmar que:
Answer
  • o valor eficaz da tensão V2 é de 1200 Volts;
  • a potência consumida na carga é de 72 Watts;
  • a potência consumida na carga é de 12 Watts;
  • a corrente I1 é igual a 3 A.

Question 11

Question
Uma sala de aula tem 4 x 10 m de tamanho. Quais seriam suas medidas (em cm) em uma planta de escala 1:50 que será usada para um projeto elétrico?
Answer
  • 1,6 x 4,0
  • 76 x 34
  • 8 x 20
  • 16 x 40

Question 12

Question
Em uma associação em paralelo de três resistores iguais é instalado um amperímetro com o objetivo de medir a corrente total do circuito. Se um dos resistores da associação for desligado, é Correto afirmar que:
Answer
  • A corrente total do circuito diminuirá.
  • A corrente total do circuito aumentará.
  • A corrente total do circuito não variará.
  • A tensão dissipada em cada resistor aumentará.
Show full summary Hide full summary

Similar

Quiz Sobre Atualidades do Vestibular
Alessandra S.
Revisão Para o ENEM em 20 dias
Alessandra S.
Ferramentas de estudo Online GoConqr
GoConqr suporte .
Plano de estudos ENEM - Parte 2 *Exatas/Biológicas
GoConqr suporte .
Plano de estudos ENEM - Parte 2 *Exatas/Biológicas
Alice Sousa
Direito Tributário - Revisão
Maria José
Avaliação de Alunos
Alessandra S.
Plano de estudos ENEM - Parte 1 *Humanas
GoConqr suporte .
Plano de estudos ENEM - Parte 1 *Humanas
Alice Sousa
Plano de estudos ENEM - Parte 2 *Exatas/Biológicas
sarahnjife