Topic 5 Electricity & Magnetism

Description

Typical questions asked on new IB Physics Topic 5 Electricity and Mangetism
Jeffrey Piggott
Quiz by Jeffrey Piggott, updated more than 1 year ago
Jeffrey Piggott
Created by Jeffrey Piggott almost 10 years ago
1396
9

Resource summary

Question 1

Question
Two parallel metal plates, a distance of 2 mm apart, have a potential difference of 1000 V across them. What is the electric field strength between the plates?
Answer
  • A 500 V m^–1
  • B 50 000 V m^–1
  • C 50 000 N C^–1
  • D 500 000 N C^–1

Question 2

Question
The diagrams show two different circuits. The cells in each circuit have the same electromotive force and zero internal resistance. The three resistors each have the same resistance R. In the circuit on the left, the power dissipated in the resistor is P. What is the total power dissipated in the circuit on the right?
Answer
  • A P/4
  • B P/2
  • C P
  • D 2P

Question 3

Question
The charge that an electric battery can deliver is specified in ampere-hours. For example, a battery of capacity 40 ampere-hours could supply, when fully charged, 0.2 A for 200 hours. What is the maximum energy that a fully charged 12 V, 40 ampere-hour battery could supply?
Answer
  • A 1.7 kJ
  • B 29 kJ
  • C 1.7 MJ
  • D 29 MJ

Question 4

Question
A battery with e.m.f. E and internal resistance r is connected in series with a variable external resistor. The value of the external resistance R is slowly increased from zero. Which statement is correct? (Ignore any temperature effects.)
Answer
  • A The potential difference across the external resistance decreases.
  • B The potential difference across the internal resistance increases.
  • C The power dissipated in r increases and then decreases.
  • D The power dissipated in R increases and then decreases.

Question 5

Question
A wire RST is connected to another wire XY as shown. Each wire is 100 cm long with a resistance per unit length of 10 Ω/m. What is the total resistance between X and Y?
Answer
  • A 3.3 Ω
  • B 5.0 Ω
  • C 8.3 Ω
  • D 13.3 Ω

Question 6

Question
Two lamps are connected in series to a 250 V power supply. One lamp is rated 240 V, 60 W and the other is rated 10 V, 2.5 W. Which statement most accurately describes what happens?
Answer
  • A Both lamps light at less than their normal brightness.
  • B Both lamps light normally.
  • C Only the 60 W lamp lights.
  • D The 10 V lamp blows.

Question 7

Question
The wire of a heating element has resistance R. The wire breaks and is replaced by a different wire. Data for the original wire and the replacement wire are shown in the table. What is the resistance of the replacement wire?
Answer
  • A R/4
  • B R/2
  • C R
  • D 2R

Question 8

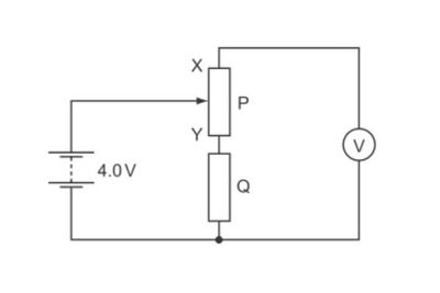
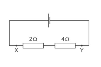
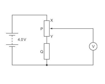
Question
In the circuit below, P is a potentiometer of total resistance 10 Ω and Q is a fixed resistor of resistance 10 Ω . The battery has an electromotive force (e.m.f.) of 4.0 V and negligible internal resistance. The voltmeter has a very high resistance. The slider on the potentiometer is moved from X to Y and a graph of voltmeter reading V is plotted against slider position. Which graph would be obtained?

Question 9

Question
A 2 Ω resistor and a 4 Ω resistor are connected to a cell. Which graph shows how the potential V varies with distance between X and Y?

Question 10

Question
Two electrically-conducting cylinders X and Y are made from the same material. Their dimensions are as shown in the image. The resistance between the ends of each cylinder is measured. What is the ratio resistance of X/ resistance of Y?
Answer
  • A 2/1
  • B 1/1
  • C 1/2
  • D 1/4

Question 11

Question
Which symbol represents a component whose resistance is designed to change with temperature?

Question 12

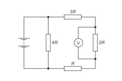
Question
Four resistors of resistance R, 2R, 3R and 4R are connected to form a network. A battery of negligible internal resistance and a voltmeter are connected to the resistor network as shown. The voltmeter reading is 2 V. What is the electromotive force (e.m.f.) of the battery?
Answer
  • A 2 V
  • B 4 V
  • C 6 V
  • D 10 V

Question 13

Question
A battery is marked 9.0 V. What does this mean?
Answer
  • A Each coulomb of charge from the battery supplies 9.0 J of electrical energy to the whole circuit.
  • B The battery supplies 9.0 J to an external circuit for each coulomb of charge.
  • C The potential difference across any component connected to the battery will be 9.0 V.
  • D There will always be 9.0 V across the battery terminals.

Question 14

Question
A pencil is used to draw a line of length 30 cm and width 1.2 mm. The resistivity of the material in the pencil is 2.0 × 10^–5 Ω m and the resistance of the line is 40 k Ω . What is the thickness of the line?
Answer
  • A 1.25 × 10^–10 m
  • B 1.25 × 10^–8 m
  • C 1.25 × 10^–7 m
  • D 1.25 × 10^–5 m

Question 15

Question
A conductor consists of three wires connected in series. The wires are all made of the same metal but have different cross-sectional areas. There is a current I in the conductor. Point Y on the conductor is at zero potential. Which graph best shows the variation of potential V with distance along the conductor?

Question 16

Question
The graph shows how the electric current I through a conducting liquid varies with the potential difference V across it. At which point on the graph does the liquid have the smallest resistance?
Answer
  • A
  • B
  • C
  • D

Question 17

Question
The combined resistance R T of two resistors of resistances R 1 and R 2 connected in parallel is given by the formula shown. 1/RT = 1/R1 + 1/R2 Which statement is used in the derivation of this formula?
Answer
  • A The currents through the two resistors are equal.
  • B The potential difference across each resistor is the same.
  • C The supply current is split between the two resistors in the same ratio as the ratio of their resistances.
  • D The total power dissipated is the sum of the powers dissipated in the two resistors separately.

Question 18

Question
In the potentiometer circuit shown, the reading on the ammeter is zero. The light-dependent resistor (LDR) is then covered up and the ammeter gives a non-zero reading. Which change could return the ammeter reading to zero?
Answer
  • A Decrease the supply voltage.
  • B Increase the supply voltage.
  • C Move the sliding contact to the left.
  • D Move the sliding contact to the right.

Question 19

Question
Six resistors, each of resistance R, are connected as shown. The combined resistance is 66 k Ω . What is the value of R ?
Answer
  • A 11 k Ω
  • B 18 k Ω
  • C 22 k Ω
  • D 36 k Ω

Question 20

Question
What is the current in the 40 Ω resistor of the circuit shown?
Answer
  • A zero
  • B 0.13 A
  • C 0.25 A
  • D 0.50 A

Question 21

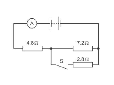
Question
A battery of negligible internal resistance is connected to a resistor network, an ammeter and a switch S, as shown. When S is open, the reading on the ammeter is 250 mA. When S is closed, what is the change in the reading on the ammeter?
Answer
  • A 1.07 A
  • B 1.32 A
  • C 190 mA
  • D 440 mA

Question 22

Question
A charge of 7.5 C flows through a resistor in 5.0 s. A student has ammeters with different ranges that he can use to measure the current in the resistor. Which ammeter range is the most appropriate?
Answer
  • A 0 - 1 A
  • B 0 - 2 A
  • C 0 - 5 A
  • D 0 - 40 A

Question 23

Question
Three identical cells are connected in parallel to a resistor. What is the advantage of using three cells in parallel, rather than using a single cell?
Answer
  • A Each cell produces more energy.
  • B Each cell supplies more charge.
  • C Each cell takes longer to run down.
  • D The total electromotive force (e.m.f.) is larger.

Question 24

Question
When the flash on a camera is used, a charge of 1.5 C flows through the flash-tube in 0.0030 s. The average voltage across the flash-tube is 3600 V. What is the electrical energy supplied to the flash-tube and what is the average power supplied?
Answer
  • A Energy = 2400 J; Power = 7.2 W
  • B Energy = 2400 J; Power = 800 000 W
  • C Energy = 5400 J; Power = 16.2 W
  • D Energy = 2400 J; Power = 1.8 x 10^6 W

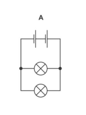
Question 25

Question
The diagram shows a circuit. Which circuit diagram shows this circuit?

Question 26

Question
Two straight electrical conductors are parallel to one another. Each carries a current, one into the plane of the paper and one out of the plane of the paper. Which diagram shows the magnetic field around the two wires?

Question 27

Question
A current-carrying wire is placed between the poles of a magnet. What is the direction of the force on the wire due to the current?
Answer
  • A
  • B
  • C
  • D

Question 28

Question
The diagrams below show connected wires which carry currents I1, I2, I3 and I4. The currents are related by the equation I1 + I2 = I3 + I4. To which diagram does this equation apply?

Question 29

Question
Which path shows a possible movement of an electron in the electric field shown?
Answer
  • A
  • B
  • C
  • D

Question 30

Question
A copper wire of cross-sectional area 2.0 mm^2 carries a current of 10 A. How many electrons pass through a given cross-section of the wire in one second?
Answer
  • A 1.0 x 10^1
  • B 5.0 x 10^6
  • C 6.3 x 10^19
  • D 3.1 x 10^25

Question 31

Question
The I-V characteristics of two electrical components P and Q are shown at left. Which statement is correct?
Answer
  • A P is a resistor and Q is a filament lamp.
  • B The resistance of Q increases as the current in it increases.
  • C At 1.9 A the resistance of Q is approximately half that of P.
  • D At 0.5 A the power dissipated in Q is double that in P.

Question 32

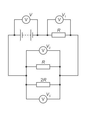
Question
The diagram shows a circuit with four voltmeter readings V, V1 , V2 and V3. Which equation relating the voltmeter readings must be true?
Answer
  • A V = V1 + V2 + V3
  • B V + V1 = V2 + V3
  • C V3 = 2(V2)
  • D V – V1 = V3

Question 33

Question
In the circuit shown, P is a potentiometer of total resistance 10 Ω and Q is a fixed resistor of resistance 10 Ω. The battery has an e.m.f. of 4.0 V and negligible internal resistance. The voltmeter has a very high resistance. The slider on the potentiometer is moved from X to Y and a graph of voltmeter reading V is plotted against slider position. Which graph is obtained?

Question 34

Question
A cell is connected in series with a 2.0 Ω resistor and a switch. The voltmeter is connected across the cell and reads 12 V when the switch is open and 8.0 V when the switch is closed. What is the internal resistance of the cell?
Answer
  • A. 1.0 Ω
  • B. 2.0 Ω
  • C. 3.0 Ω
  • D. 4.0 Ω

Question 35

Question
A resistor has a resistance R. The potential difference across the resistor is V. Which of the following gives the energy dissipated in the resistor in time t?
Answer
  • A Vt/R
  • B Rt/V^2
  • C CV^2t
  • D V^2t/R
Show full summary Hide full summary

Similar

Physical Science 2nd Quarter Assessment
Selam H
Using GoConqr to study science
Sarah Egan
Junior Cert Physics formulas
Sarah Egan
Units of measurement - physics
Sarah Egan
JC Science: Force, Work and Power
Bubble_02
GCSE AQA Physics 1 Energy & Efficiency
Lilac Potato
AQA Physics P1 Quiz
Bella Statham
GCSE AQA Physics - Unit 3
James Jolliffe
Physics Revision
Tom Mitchell
Energy, Mass, & Conversions
Selam H
OCR Physics P4 Revision
Dan Allibone