Przemysłowe Systemy Sterowania egzamin Kwaśniewski

Description

Pytania do egzaminu z pliku Test 60 pytań_pwnio.pdf Poprawki i uwagi mile widziane
Łukasz Drożdż
Quiz by Łukasz Drożdż, updated more than 1 year ago
Łukasz Drożdż
Created by Łukasz Drożdż over 9 years ago
764
0

Resource summary

Question 1

Question
Dynamiczny system to:
Answer
  • stan wyjścia zależy od stanu wejścia i od poprzednich chwil czasowych wyjścia i wejścia
  • opisany jest równaniem y = x + 6
  • „jak przelewa się energia”
  • opisuje statykę i dynamikę

Question 2

Question
Statyczny system:
Answer
  • otrzymujemy po przyrównaniu pochodnych do zera
  • otrzymujemy po przyrównaniu chwil czasowych do jedności
  • otrzymujemy po przyrównaniu chwil czasowych do zera
  • otrzymujemy po przyrównaniu jednej strony równania algebraicznego do zera

Question 3

Question
Dynamika w obiekcie opisanym równaniem mx'' + Dx' + kx = y zależy od:
Answer
  • współczynnika x''
  • parametru konstrukcyjnego D w sposób liniowy
  • współczynnika D w sposób nieliniowy
  • współczynnika D w sposób liniowy

Question 4

Question
Stacjonarność w obiekcie opisanym równaniem mx'' + Dx' + kx = y zależy od:
Answer
  • współczynnika k
  • współczynnika x'
  • parametru konstrukcyjnego D
  • zmienności w czasie współczynników

Question 5

Question
Zmienne w równaniu mx'' + D^2x' + k^3 x = y zależą od:
Answer
  • czasu i opisują obiekt nieliniowy
  • są nieliniowe
  • uniemożliwiają jego rozwiązanie
  • są liniowe

Question 6

Question
Równanie mx'' + D^2x' + k^3 x = y opisuje obiekt:
Answer
  • niestacjonarny
  • nieliniowy
  • stacjonarny
  • liniowy

Question 7

Question
Liniowość obiektu umożliwia:
Answer
  • dodawanie w równaniu współczynników do siebie
  • zastosować zasadę superpozycji
  • dodawanie w równaniu parametrów do siebie
  • dodawanie zmiennych i ich pochodnych do siebie

Question 8

Question
Ciągły obiekt to taki, który (którego):
Answer
  • czas próbkowania dąży do nieskończoności
  • nie zależy od czasu próbkowani
  • czas próbkowania dąży do zera
  • zależy od czasu próbkowani

Question 9

Question
Obiekt opisany równaniem różnicowym m_i = 0,1x_i + x_(i-1) + 2t*x_(i-2) - m_(i-1)
Answer
  • jest nieliniowy
  • jest niestacjonarny
  • jest ciągły
  • jest dynamiczny

Question 10

Question
Za pomocą transmitancji s lub z możemy opisać obiekt:
Answer
  • dynamiczny
  • liniowy
  • nieliniowy
  • statyczny

Question 11

Question
System jest obserwowalny wtedy, jeżeli:
Answer
  • zapala się zielona lampka RUN w sterowniku (PLC)
  • w przebiegu wyjściowym występują wszystkie zmienne stanu
  • na podstawie sygnału wyjściowego możemy określić stan obiektu w dowolnej chwili w przeszłości
  • jeden ze współczynników w macierzy A jest zależny od czasu

Question 12

Question
System jest sterowalny wtedy, jeżeli:
Answer
  • możemy za przyspieszenie podstawić prędkość
  • w skończonym czasie jesteśmy w stanie przeprowadzić go do dowolnego punktu w przestrzeni
  • jesteśmy w stanie oddziaływać za pomocą sygnału sterującego na wszystkie składowe występujące we współrzędnych stanu
  • wyznaczyć dobre sterowanie (spełniające narzucone kryterium jakości sterowania)

Question 13

Question
Obiekt dynamiczny można opisać za pomocą:
Answer
  • równania różniczkowego
  • równania algebraicznego
  • nieliniowego równania różnicowego
  • równań stanu

Question 14

Question
Transmitancje dyskretne opisują
Answer
  • dwa różne obiekty
  • ten sam obiekt
  • ten sam obiekt ale przesunięty do przodu o dwie próbki
  • ten sam obiekt ale przesunięty do tyłu o dwie próbki

Question 15

Question
Jaka jest różnica pomiędzy algorytmem prędkościowym a przyrostowym ?
Answer
  • przyrostowy ma całkowanie w sobie
  • tylko w nazwie
  • nie ma różnicy
  • prędkościowy nadaje się do wpisania do sterownika a przyrostowy nie jest przystosowany

Question 16

Question
Model ARMA :
Answer
  • jest najpopularniejszym modelem
  • nie zawiera części autoregresyjnej
  • zapewnia dobre wygładzanie nawet przy małej liczbie elementów
  • jest filtrem

Question 17

Question
Czy w systemie rozproszonym:
Answer
  • sterowniki można połączyć jednym przewodem do przesyłania danych
  • komputery (sterowniki) można połączyć w sieć
  • możliwe jest, ze jak komputer się uszkodzi to sąsiedni przejmuje jego zadania
  • sterownikowym dane można przesyłać na odległości większe niż 3000 m

Question 18

Question
Sieć przemysłowa powinna cechować się:
Answer
  • połączeniem pierścieniowym
  • większa odpornością na zakłócenia przemysłowe
  • tylko protokółem komunikacyjnym Ethernet Industrial
  • wymogiem pracy w czasie rzeczywistym

Question 19

Question
Czy w języku maszynowym widoczne są:
Answer
  • rozkazy
  • instrukcje
  • polecenia
  • kody, listy rozkazów procesora

Question 20

Question
Czy w języku symbolicznym niższego poziomu stosujemy:
Answer
  • instrukcje
  • rozkazy
  • polecenia
  • zakazy

Question 21

Question
Oprogramowanie po uruchomieniu musi być:
Answer
  • przejrzyste
  • jednoznaczne
  • kompletne
  • dychotomiczne

Question 22

Question
Po faktoryzacji transmitancja jest:
Answer
  • mniej przejrzysta
  • lepiej są widoczne bieguny i zera
  • stabilna
  • minimalnofazowa

Question 23

Question
Zastosowanie układu regulacji z regulatorem typu P:
Answer
  • likwiduje uchyb ustalony
  • ogranicza zmienność parametrów
  • likwiduje wpływ zakłóceń
  • zwiększając wartość współczynnika wzmocnienia (P) zwiększamy uchyb ustalony

Question 24

Question
Sterowanie adaptacyjne stosujemy gdy obiekt:
Answer
  • ma duże stałe czasowe
  • ma duży czas opóźnienia
  • jest nieliniowy
  • jest niestacjonarny

Question 25

Question
Sterownik kompaktowy to taki, który
Answer
  • przystosowany jest do ognioszczelnych obudów
  • może być stosowany jako inteligentny przekaźnik
  • ma wiele zaawansowanych cech dużego sterownika w stosunkowo tanim i małym sterowniku
  • można go programować w języku C++

Question 26

Question
Zjawisko stroboskopowe:
Answer
  • to jest to samo co aliasing
  • pokazują się w sygnale wyjściowym wysokie częstotliwości
  • należ zmniejszyć częstotliwość próbkowania
  • należy zwiększyć częstotliwość próbkowania

Question 27

Question
Program do sterownika powinien:
Answer
  • mięć jak najmniej czasówek i zegarów
  • dla szczebla drabinki powinien mieć strukturę trójkąta od największej liczby styków do mniejszej
  • mieć jak najmniej instrukcji do komunikacji miedzy sterownikami
  • im większą liczbą instrukcji rozwiążemy dane zadanie tym program będzie lepszy

Question 28

Question
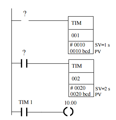
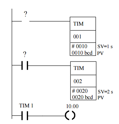
W generatorze impulsów jak na rysunku należy wstawić na górze:
Answer
  • styk normalnie otwarty z adresem TIM2 a na dole TIM1
  • styk normalnie otwarty z adresem TIM1 a na dole TIM2
  • styk normalnie zamknięty z adresem TIM1 a na dole TIM2
  • styk normalnie zamknięty z adresem TIM2 a na dole TIM1

Question 29

Question
Zakładają, że są poprawnie wpisane adresy i styk to czasówka TIM2:
Answer
  • będzie w stanie jedynki przez 2 sekundy
  • będzie w stanie jedynki przez 20 sekund
  • będzie w stanie jedynki przez czas jednego cyklu
  • będzie w stanie jedynki przez 1 sekundę

Question 30

Question
Jak w licznikach eliminuje się „drgania” styków aby nie zliczały tych drgań:
Answer
  • równolegle podłącza się diodę rozładowczą z cewką
  • dodaje się na wejście dodatkową indukcyjność
  • wprowadza się minimalną długość trwania stanu jedynki aby uznać ten stan za poprawny
  • po zliczeniu odejmuje się liczbę niepotrzebnych „drgań”

Question 31

Question
Sygnał deterministyczny:
Answer
  • da się opisać parametrami statystycznymi (wartością średnią, wariancją itd.)
  • jest powtarzalny
  • da się opisać amplitudą, okresem i przesunięciem fazowym
  • da się opisać równaniem różnicowym

Question 32

Question
Jeżeli tor pomiarowy jest sprzężeniem zwrotnym to:
Answer
  • powinien on być zwrócony przeciwnie do toru głównego
  • zaczynać się od węzła sumacyjnego a kończyć na wyjściu
  • być maksymalnie odpornym na wpływ zakłóceń
  • nie zawierać elementów całkujących

Question 33

Question
Aby dobrać nastawy regulatora PID niezbędny jest
Answer
  • model matematyczny obiektu
  • wstępna znajomość parametrów regulatora
  • w układzie zamkniętym pozostawić tyko wzmocnienie i zwiększać go do wystąpienia oscylacji
  • w układzie otwartym określić wartości opóźnienia L i dominującej stałej czasowej Tp

Question 34

Question
Do oceny układu regulacji niezbędna jest znajomość:
Answer
  • punktu pracy
  • czy układ jest stabilny
  • czy uchyb ustalony zmierza asymptotycznie do nieskończoności
  • czy układ jest wrażliwy na zmianę pogody

Question 35

Question
Czy wskaźniki całkowe są:
Answer
  • funkcjonałami
  • nie informują o wartości uchybu ustalonego
  • nadają się tyko dla stanów ustalonych
  • nadają się tyko dla stanów nieustalonych

Question 36

Question
Regulator Smitha stosujecie dla układów:
Answer
  • o dużej dominującej stałej czasowej
  • z dużym czasem opóźnienia
  • niesterowalnych
  • z dużą histerezą

Question 37

Question
Superkomputery stosuje się:
Answer
  • tylko do gry w szachy
  • do obliczania wartości Flopów
  • do obliczenia macierzy co najmniej 1 000 na 1 000
  • z systemem operacyjnym Windows

Question 38

Question
Sterowanie zaawansowane:
Answer
  • ułatwia sterowanie ręczne
  • stosuje do dostrajania regulatora PID
  • zmniejsza straty podczas porodukcji i podnosi jakość wyrobu
  • stosuje identyfikację do określenia optymalnego sterowania

Question 39

Question
Jedno wyjście cyfrowe (dwustanowe) ze sterownika pozwala sterować;
Answer
  • zmianą kierunków obrotu bez dodatkowego elementu
  • zadowalająco w sposób ciągły obiektem o dużej stałej czasowej
  • pracą trzystanowego urządzenia
  • grzałką zmieniającą temperaturę w zbiorniku
  • C. Obiektem o mocy 10kW
  • D. Grzałką o mocy 200 W, która stabilizuje temperaturę wody w zbiorniku

Question 40

Question
Bifurkacja przyczynia się do:
Answer
  • zwiększenia prędkości obiektu
  • rozdwojenia rozwiązania równania liniowego
  • rozgałęzienie rozwiązania na skutek zmiany parametru
  • zmniejszenia wartości parametru bifurkacyjnego

Question 41

Question
Chaos występuje gdy:
Answer
  • mała zmiana warunków początkowych powoduje bardzo duże zmiany wyjścia
  • mamy do czynienia z nieliniowymi algebraicznymi równaniami
  • mamy do czynienia z nieliniowymi równaniami różniczkowymi lub różnicowymi
  • układ zbliża się do granicy stabilności

Question 42

Question
Szeregowe połączenie regulatorów wymaga, aby:
Answer
  • pętle sprzężeń zwrotnych się krzyżowały
  • stała czasowa pletli wewnętrznej musi być większa od stałej czasowej pętli zewnętrznej
  • stała czasowa pletli wewnętrznej musi być mniejsza od stałej czasowej pętli zewnętrznej
  • regulatory były tego samego typu np. PI

Question 43

Question
Przy użyciu implikacji (JEŻELI - TO) można:
Answer
  • opisać działanie każdego układu
  • zbudować bazę wiedzy do regulatora rozmytego
  • dobrać nastawy regulatora PID
  • zlikwidować uchyb regulacji

Question 44

Question
Zagęszczenie funkcji przynależności:
Answer
  • może być stosowane tylko w modelu Majdaniego
  • utrudnia pisanie reguł
  • zwiększa w tym obszarze wrażliwość na sygnał wejściowy
  • stosuje się dla układów nieliniowych
  • stosuje się dla układów przełączających

Question 45

Question
Regulator rozmyty w stosunku do klasycznego PID:
Answer
  • nie generuje fałszywych sygnałów w stanach przejściowych
  • może regulować obiektem nieliniowym
  • może regulować obiektem niestacjonarnym
  • ma bazę wiedzy, która jest zawsze pełne i precyzyjne

Question 46

Question
Impuls 9.1 na rysunku:
Answer
  • czas wypełnienia wynosi 10% czasu 0,1 sekundy
  • służy do synchronizacji czasowej jako czas próbkowania
  • musi być krótszy od czasu cyklu programu
  • ma czas trwania równy cyklowi programu

Question 47

Question
Układ zatrzaskowy, z samopodtrzymaniem:
Answer
  • stosuje się w przerzutnikach aby nie zmieniały stanu
  • umożliwia załączać urządzenia połączone z wyjściami sterownika bez uciążliwego trzymania przycisku START
  • może być zrealizowany na układach pamięciowych SET i RSET
  • kolejność instrukcji nie wpływa na priorytet załączania lub wyłączania

Question 48

Question
Przy priorytecie dla warunku STOP, równoczesne naciśnięcie przycisku START I STOP powoduje:
Answer
  • załączenie wyjścia
  • o stanie wyjścia decyduję ostatni wypracowany warunek (RLO)
  • wyłączenie wyjścia
  • zatrzymanie pracy sterownika

Question 49

Question
Czy omronowska czasówka bez dodatkowych warunków jest układem, który:
Answer
  • przechodzi w stan wysoki po zadanym czasie i wyłącza się po 10 ms
  • przechodzi w stan niski po zadanym czasie
  • ma stan wysoki przez zadany czas
  • przechodzi w stan wysoki po zadanym czasie

Question 50

Question
Dane w sieci komputerowej, gdy przechodzą z górnych warstw do dolnych to:
Answer
  • „przybierają” na objętości
  • pozostają zawsze stałe
  • są w każdej warstwie kontrolowane na parzystość lub inną kontrolę
  • operator może zmieniać ramki

Question 51

Question
Co jest główną wadą w sterownikach wyjść przekaźnikowych:
Answer
  • brak izolacji pomiędzy sterownikiem a elementem wykonawczym
  • zbyt szybka zmiana wyjścia często krótsza od czasu cyklu np. 2 ms
  • mała żywotność mechaniczna rzędu 10 000 przełączeń
  • brak sygnalizacji ich stanu

Question 52

Question
Przy stosowaniu algorytmu prędkościowego obiekt musi być:
Answer
  • nieliniowy
  • całkujący
  • odporny na zakłócenia
  • niestacjonarny

Question 53

Question
Układ regulacji traktujemy jako jednowymiarowy typu SISO a mamy dwa wejścia: zadające i zakłócające:
Answer
  • bo zakładamy, że zakłócenie jest pomijalne
  • bo zakłócenie oddziałuje w innym miejscu, nie na wejściu
  • bo zakładamy, że zakłócenie jest stałe lub typu białego szumu
  • bo znamy przebieg zakłócenia

Question 54

Question
Czas próbkowania można określić:
Answer
  • z najwęższego impulsu w przebiegu
  • na podstawie wartości częstotliwości granicznej
  • z przeregulowania
  • z wartości uchybu ustalonego

Question 55

Question
Synchronizacja z czasem rzeczywistym:
Answer
  • przerzutniki mogą zmieniać stan co cykl
  • umożliwia przetłaczać licznik w początku czasu próbkowania
  • umożliwia utrzymanie stałych wartości współczynników równania, niezależnych od czasu próbkowania
  • umożliwia zsynchronizowanie się z czasówkami znajdującymi się w programie

Question 56

Question
Gdy zwłoka czasowa wynosi L to czas próbkowania powinien:
Answer
  • być równy L
  • być równy 0,1 L
  • być równy 1/3 L
  • być równy ½ L

Question 57

Question
Modulacja:
Answer
  • szerokości impulsów (PWM) i czasu trwania (PDM) to nie te same typy
  • cyfrowa nie umożliwia przesyłanie sygnału o stałej wartości
  • umożliwia przesłanie sygnału na dużą odległość
  • po tym procesie sygnał jest mniej wrażliwy na zakłócenia

Question 58

Question
Enkoder:
Answer
  • bezwzględny 12 bitowy nie wykrywa kierunku
  • przyrostowy nie wykrywa kierunku
  • tewersyjny nie wykrywa kierunku
  • bezwzględny nie stosuje kodu Gray’a

Question 59

Question
Przerwania:
Answer
  • na różnych wejściach (sprzętowe) ich priorytet nie zależą od numeru wejścia
  • szybkie licznikowe mają wyższy priorytet niż sprzętowe
  • sprzętowe maja wyższy priorytet niż czasowe (programowe)
  • mają priorytety, które są potrzebne wtedy gdy mamy wiele przerwań z tego samego źródła
  • dla kilku urządzeń mają priorytety od najniższego numeru wejścia do najwyższego

Question 60

Question
Na długość czasu cyklu sterownika ma wpływ:
Answer
  • czas odpowiedzi sterownika
  • długości programu
  • moment włączania wejść
  • temperatura otoczenia
  • stała czasowa obiektu sterowania
  • liczba urządzeń peryferyjnych obsługiwanych przez sterownik

Question 61

Question
W systemie rozproszonym:
Answer
  • sterownik można odłączyć na pewien czas od modułu komunikacyjnego bez utraty danych
  • komputery (sterowniki) można połączyć w sieć
  • możliwe jest, ze jak komputer (sterownik) się uszkodzi to sąsiedni przejmie jego zadania
  • dane w sterownikach przewodowo można przesyłać na odległości większą niż 100 km

Question 62

Question
Program do sterownika powinien:
Answer
  • mieć mniej więcej równą liczbę czasówek i zegarów
  • dla szczebla drabinki powinien mieć strukturę trójkąta od największej liczby styków do mniejszej
  • mieć jak najmniej instrukcji do komunikacji miedzy sterownikami
  • im większą liczbą instrukcji rozwiążemy dane zadanie tym program będzie lepszy

Question 63

Question
Sygnał deterministyczny:
Answer
  • wystarczy opisać parametrami statystycznymi (wartością średnią, wariancją itd.)
  • jest powtarzalny dla tego samego wymuszenia i zakłócenia
  • da się opisać równaniem różniczkowym
  • da się opisać równaniem różnicowym o stałych współczynnikach

Question 64

Question
Przy priorytecie dla warunku STOP, równoczesne naciśnięcie przycisku START I STOP powoduje:
Answer
  • załączenie wyjścia
  • dla instrukcji SET i RSET o stanie wyjścia decyduje ostatni wypracowany warunek (RLO)
  • wyłączenie wyjścia
  • awarię w pracy sterownika

Question 65

Question
Czas cyklu jest w stosunku do czasu odpowiedzi:
Answer
  • taki sam
  • dłuższy o 10 ms
  • nieprecyzyjnie dłuższy o 1,5÷2,5 cyklu
  • pomijalnie krótki

Question 66

Question
Jeżeli w programie uruchamiane są np. dwa wyjścia (cewki) o tych samych adresach to:
Answer
  • załączy się druga a nie pierwsza
  • o stanie cewki decyduje ostatni wyliczony wynik operacji logicznej
  • załączy się pierwsza a druga nie
  • wystąpi ostrzeżenie w sterowniku

Question 67

Question
W kodzie BCD pojemność licznika to 9 999:
Answer
  • jego pojemność możemy zwiększyć przechodząc na zapis binarny
  • nie wymaga zerowania
  • można zastosować bit CARRY (przeniesienia) do zwiększenia pojemności
  • najczęściej minimalny czas trwania impulsów wejściowych ustawiony jest na około 8 ms

Question 68

Question
Symulator sterownika umożliwia:
Answer
  • sprawdzić program bez posiadania sterownika
  • umożliwia podłączenie do Twojego PC sterownika
  • wykorzystać model (symulator) w innych programach
  • tylko on monitorować stany styków podczas pracy sterownika

Question 69

Question
Adresowanie pośrednie z rejestrami indeksowymi:
Answer
  • wyklucza obliczenia na macierzach
  • jest przydatne dla obiektów o dużych stałych czasowych
  • umożliwia realizować skomplikowane obliczenia na tablicach danych
  • korzysta z pamięci podręcznej

Question 70

Question
Po wprowadzeniu wskaźnika instrukcją MOVR 3 IR2 co się stanie po instrukcji MOV #5 ,-IR2
Answer
  • uruchomi się w sterowniku wyjście 3.1 i 3.2
  • uruchomi się w sterowniku wyjście 2.5
  • uruchomi się w sterowniku wyjście 3.1 i 2.14
  • uruchomi się w sterowniku wyjście 2.0 i 2.2

Question 71

Question
Bezszwowe komunikacyjne systemy sterownikowe polegają
Answer
  • wyeliminowaniu potrzeby stosowania mastera w sieci
  • możliwościach komunikacyjnych, które wzajemnie się nakładają
  • wyeliminowaniu stosowania modułu komunikacyjnego w sterowniku
  • złagodzeniu kolizji pomiędzy pakietami i komórkami w protokole komunikacyjnym

Question 72

Question
Urządzenia peryferyjne można połączyć ze sterownikiem w celach komunikacyjnych kabelkiem do RS 232C
Answer
  • po wybraniu z biblioteki gotowego bloku funkcji
  • po dokonaniu ustawień w set-upie sterownika
  • po wcześniejszym odłączeniu od laptopa
  • po napisaniu protokołu komunikacyjnego w CX-Protocol

Question 73

Question
Rynek zdominowały superkomputery o architekturze:
Answer
  • jednoprocesorowej i szybkim połączeniu między nimi
  • klastrowej i konstelacyjnej
  • wieloprocesorowej typu MIMD
  • wektorowej

Question 74

Question
Dlaczego w przyciskach bezpieczeństwa zaleca się stosować styki normalnie zamknięte?
Answer
  • bo są większość czasu zwarte i nie utleniają się w miejscu styku
  • przerwa w okablowaniu natychmiast objawia się wyłączeniem
  • bo sprężyna w nich występująca nie ulega szybkiemu zużyciu
  • podczas zadziałania przycisku łuk prądowy mniej niszczy styki

Question 75

Question
Czy program w języku tekstowym do sterownika można pisać w Wordzie?
Answer
  • nie można
  • można
  • jest celowe (wtf??)
  • tak, ale bez znaku średnika „;”

Question 76

Question
Na sprzęcie podawana jest dwucyfrowa klasa zabezpieczenia obudowy IP.
Answer
  • pierwsza cyfra dotyczy wielości otworów zabezpieczających od wody a druga od pyłów i obcych ciał stałych
  • im klasa niższa tym lepiej zabezpieczone jest urządzenie
  • pierwsza cyfra dotyczy wielości otworów zabezpieczających od pyłów i obcych ciał stałych a druga od wody
  • im klasa wyższa tym lepiej zabezpieczone jest urządzenie

Question 77

Question
Czym się różni w sterownikach ALARM od BŁĘDU?
Answer
  • to jest to samo
  • ALARM wyłącza sterownik a BŁĄD pokazuje się w oknie edycyjnym
  • ALARM informuje a BŁĄD wyłącza sterownik
  • ALARM wyłącza sterownik i informuje o przyczynie a BŁĄD po kompilacji pokazuje się w oknie wyjściowym

Question 78

Question
W jaki sposób stosując regulator PID do sterowania obiektem nieliniowym uzyskać zadowalającą jakość sterowania?
Answer
  • zlinearyzować obiekt
  • podzielić zakres sterowania na przedziały i np. regulatorem rozmytym zmieniać odpowiednio przedziały
  • zastosować układ adaptacyjny i zmieniać nastawy regulatora wraz ze zmianą punktu pracy
  • regulator PID stosować można tylko dla obiektów liniowych

Question 79

Question
Najlepszego programistę można poznać po:
Answer
  • po jego samochodzie
  • po rzadkim stosowaniu instrukcji MOV
  • najkrótszym kodzie wynikowym i oprogramowaniu jednoznacznym i kompletnym
  • liczbie użytych podprogramów

Question 80

Question
Jak wydrukować raporty o produkcji ze sterownika?
Answer
  • podłączyć drukarkę do wyjścia cyfrowego (drukarka musi być przystosowana do współpracy ze złączem szeregowym)
  • jeżeli korzystamy z ekranu LCD to mają one złącze szeregowe i można wydrukować ekrany
  • jeżeli jesteśmy podłączeni sterownikiem do sieci to z komputera z oprogramowaniem SCADA
  • jeżeli sterownik ma USB to automatycznie drukują się pliki z raportami

Question 81

Question
Na poniższym schemacie :
Answer
  • Stan jedynki styku start ( przyciśnięty ) powinien trwać dłużej niż 3 sekundy, aby było opóźnienie wyjścia 1.00 o 3 sekundy
  • Krótkie naciśnięcie styku START uruchamia wyjście 1.00 po 3 sekundach
  • TIM 2 jest jedynką przez jeden cykl jeżeli START był naciśnięty krócej niż 3 sekundy
  • Wyjście 1.00 załączy się po czasie 3 sek a wyłączy po 5 sek jak START przestanie być jedynką

Question 82

Question
Jaki styk uruchomi wyjście 10.0 po minucie?
Answer
  • Każdy NZ oprócz jednego z poniższych
  • Styk NO 2.0
  • Styk NO 2.4
  • Styk NO 2.2

Question 83

Question
Który krótszy?
Answer
  • A, ponieważ realizuję mniejszą liczbę linii kodu
  • B, ponieważ realizuję mniejszą liczbę linii kodu
  • A, ponieważ ma bardziej optymalną strukturę
  • Nie ma znaczenia, gdyż użyto tej samej ilości styków

Question 84

Question
Po wciśnięciu przycisku start (NO) zostanie załączone wyjście:
Answer
  • 101.01
  • 101.02
  • 101.03
  • 101.01 i 101.03

Question 85

Question
Po wciśnięciu przycisku start (NO) zostanie załączone wyjście:
Answer
  • LAMP 1
  • LAMP 2
  • Obydwa
  • Żadne

Question 86

Question
Po wciśnięciu przycisku start (NO) ustawione zostaną następujące bity słowa W200
Answer
  • Nie można określić, gdyż zależy to od czasu wykonania programu i długości wciśnięcia przycisku
  • 0,4,13,13,14
  • 1,5,6,14,15
  • Nie zostaną żadne bity , gdyż w programie nie ma żadnej cewki ani instrukcji SET i KEEP

Question 87

Question
Po 2 krotnym wciśnięciu przycisku start (NO) ustawi się:
Answer
  • Nie można określić , gdyż zależy to od czasu wykonania programu i długości wciśnięcia przycisku
  • Bit 6 słowo IR 80
  • Bit 6 słowo W200
  • Bity 1,2 słowa W200

Question 88

Question
Po wciśnięciu przycisku start (NO) słowo W200 przyjmie wartość:
Answer
  • #4
  • #3
  • #2
  • #1

Question 89

Question
Po wciśnięciu przycisku start (NO) słowo W200 przyjmie wartość:
Answer
  • #000D
  • #0001
  • #000C
  • #0003

Question 90

Question
Po naciśnięciu przycisku START i puszczeniu go
Answer
  • A. Lamp 1 ustawi się po 25 sekundach na stałe
  • B. Lamp 1 ustawi się po 2.5 sekundach na stałe
  • C. Lamp 1 ustawi się po 2.5 i zgaśnie po jednym cyklu programu
  • Nic się nie stanie
Show full summary Hide full summary

Similar

Egzamin PSS 2016
Łukasz Drożdż
Chemistry Module C1: Air Quality
James McConnell
O654 C11 Air & Water Quiz
Jeffrey Piggott
Air & Combustion
za4321
Theory's Of Disease (early middle ages)
First Name
Transport modes
Filippo Franchetto
Airspace
Pablo Carpio
air and water
Jessica West
Air Pollution
mrj224
Strumenti musicali orchestra classica
annamaria spezzati