8) Legierung

Description

-Mischkristallbildung -Phasendiagramme -Legierungssysteme -Eutektikum -Löslichkeit
Mary Wonderland
Flashcards by Mary Wonderland, updated more than 1 year ago
Mary Wonderland
Created by Mary Wonderland almost 12 years ago
539
5

Resource summary

Question Answer
Legierung (Def.) + Bsp. -Gemisch aus mehreren Atomsorten und hat METALLISCHEN Charakter (leitet elektr. Strom, ..) -Bsp.: Fe+C (Stahl)
Legierung (Vorteile) 4 Stk. -Festigkeitssteigerung -Erhöhung dess Verschleißwiderstandes (z.B. Titan) -Erhöhung der Korrosionsbeständigkeit (z.B. Chrom) -Erniedrigung der Schmelztemp.
Chem. Zusammensetzung/Konzentration 2 Stk. Massenanteil/Massenprozent Atomanteil/Atomprozent
Bsp.: 25 Masse% Nickel, Rest Kupfer Bsp: 25 Masse-% Nickel, Rest Kupfer> 100 g der Legierung = 25 g Nickel und 75 g Kupfer
Bsp.: 25 Atom-5 Nickel, Rest Kupfer 25 % der Atome in der Legierung sind Nickelatome und 75 % Kupferatome (Bezug auf ZAHL der Atome!)
Phase (Def. + Bsp.) Phasen bezeichnen Zustandsformen von Stoffen mit gleicher chem. Zusammensetzung, gleicher Struktur und gleichen Eigenschaften :Bsp.: Luft (einphasig) Nebel (zweiphasig)
Mischkristall (Entstehung + Def.+2 Arten) -Entsteht bei Legierungen: feste Lösung (fest in fest GELÖST durch DIFFUSION) -chem. homogener, gleichartiger Kristall, der aus mehreren Atomsorten aufgebaut ist -Arten: Substitutionsmischkristalle/ Einlagerungsmischkristalle
Substitutionsmischkristalle (einphasig) Wirtsgitteratome sind durch Fremdatome ersetzt -Geht gut, wenn sich Atome ähneln (Durchmesser, ...) >Vollständige gegenseite Löslichkeit möglich
Einlagerungsmischkristalle(Entstehung + Bsp.) einphasig Zwischengitteratome (kleine Fremdatome) werden in Lücken des Kritallgitters eingelagert -Löslichkeit begrenzt -Bsp.: Einlagerung von Kohlenstoffatomen im Eisengitter
Zustandsdiagramm Stellt den Zustand von Legierungen in Abhängigkeit von der chem. Zusammensetzung/Temperatur/.. dar
Zustandsdiagramm (x-und y-Achse) Zwischen A (reine Komponente) und B [Legierung aus A und B] wird der Konzentrationsverlauf c_B eingetragen (Masse-%) und TEMPERATUR (2 y-Achsen)>Bei 3 Komponenten = 3 Temperaturachsen(gleichseitiges Dreieck)!
1)Unlöslichkeit im flüssigen und festen Zustand (Entstehung+Bsp) -Unlöslichkeit im flüssigen Zustand: Legierung aus 2 Komponenten lassen sich nicht ineinander lösen -Bsp. Wasser + Öl -Unlöslichkeit im festen Zustand: Keine Bildung von Mischkristallen >Tritt auf, wenn die 2 Komponenten unterschiedliche Gitter, Durchmesser usw haben.
Unlöslichkeit im flüssigen und festen Zustand: Bsp.: Eisen-Blei (Diagramm) Eisen: <T_s = 1536° (fest) >T_s: flüsslig (Schmelze) Blei: <T_s= 327°C (fest) >T_s: flüssig (Schmelze) >3 Phasen: fest/fest (bis 327°C) fest/flüssig (bis 1536°C) flüssig/flüssig (über 1536°C) >Eine Konzentration aussuchen (z.B. 20 % Eisen; 80 % Blei)>Beides flüssig bei über 1536°C (Blei höhere Dichte, beim Abkühlen schwimmt Eisen oben drauf, später zwei Klötze (Eisen + Blei)
2)Völlige Löslichkeit im flüssigen und festen Zustand (Def. + Bsp.) -Völlige Löslichkeit im flüssigen Zustand: A und B lösen sich in jedem beliebigen Mischungsverhältnis ineinander -Bsp.: Wasser + Alkohol -Völlige Löslichkeit im festen Zustand: Substitutionsmischkristalle können problemlos gebildet werden >tritt bei ähnlichen Atomeigenschaften auf (Gitter, Atomdurchmesser, ...)
Völlige Löslichkeit im flüssigen und festen Zustand (Bsp. Kupfer-Nickel+ Diagramm) Kupfer: <T_s= 1085°C (fest) >T_s= flüssig Nickel:<T_s = 1453°C >T_s = flüssig >Eine Konzentration aussuchen >Bis 1140 °C fest/fest >über 1200°C flüssig/flüssig >Dazwischen Kristalle+Schmelze(S+alpha) gleichzeitig >>Dieser Bereich verbindet sich durch obere und untere Linie (LINSENDIAGRAMM)
-Obere Linie (Liquiduslinie) -Untere Linie (Soliduslinie) -darüber flüssig/flüssig (nur S) dazwischen (S und alpha) -darunter fest/fest(nur alpha) >Erstarrungsprozess >WICHTIG: Kein Schmelzpunkt, sondern SCHMELZBEREICH!
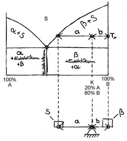
Chemische Zusammensetzung ablesen (3 Schritte) 1) Horizontale Linie durch betrachteten Punkt 2) Bis zur Liquidus-und Soliduslinie>Dort Senkrechten nach unten! 3) Ablesen: links Konzentration der Schmelze Rechts Konzentration des Mischkristalls
Hebelgesetz im Schmelzbereich Verhältnis Konzentration Schmelze und Mischkristall m_s/m_alpha= b/a= c_alpha-c_L/c_L-c_s a= Strecke von Senkrechte(SP mit Liquiduslinie) bis zum betrachteten Punkt b= Strecke von Senkrechte (SP mit Soliduslinie) bis zum betrachteten Punkt >c_L = Konzentration des betrachteten Punkt
Unterschied Schmelze und alpha-Mischkristalle Schmelze: Atome durcheinander Mischkristall: schön angeordnet
Was geschieht mit der chem. Zusammensetzung bei Erstarrung? Verändern sich bei Schmelze und Mischkristallen durch DIFFUSION (langsame Abkühlung) -Bei schneller Abkühlung: wenig Diffusion>Entstehung von Zonenmischkristallen
3) Völlige Löslichkeit im flüssigen und teilweise Löslichkeit im festen Zustand -Teilweise Löslivhkeit im festen Zustand: Mischkristalle bilen sich nicht lückenlos, aber in einem bestimmten Maße >tritt auf bei verschiedenen Atomeigenschaften (Atomdurchmesser, Gitter, ..)
Eutektikum Zustandsdiagramm von völlige Löslichkeit im flüssigen, teilweise Löslichkeit im festen Zustand
Vom Linsendiagramm zum Eutektikum 1) Aus einfacher Linse wird "doppelte" Linse 2) Im Gebiet der alpha-Mischkristalle ist eine Löslichkeitslücke entstanden(alpha_1+alpha_2 liegen vor) >Keine lückenlose Mischkristallbildung möglich (Der Atome kann der Kristall nicht lösen) 3) Löslichkeit besser bei höheren Temperaturen (Überwinden der Löslichkeitslücke)
Eutektikum Bsp.: Silber-Kupfer (30 g Kupfer/70 g Silber) -Löslichkeitslinien anstatt von Löslichkeitslücke -Horizontale Gerade: Eutektikale -V-förmige Liquiduslinie 1100°C : flüssig/flüssig (20 % Silber/80% Kupfer) 800°C: flüssig/flüssig (obwohl <T_s>SCHMELZPUNKTERNIEDRIGUNG 780°C: T_s >Bildet zwei verschiedene Kristallarten GLEICHZEITIG!(alpha-und beta-Mischkristalle) -Legierung bildet sich durch DIFFUSION!
Übereutektische Legierung: 67% Kupfer/33% Silber 1)1000°C: flüssig/flüssig 2)<1000°C: Bildung von beta-Mischkristallen (Kupfer): Konzentration kann durch Hebelarmgesetz ermittelt werden 3) noch weniger Temp.: 70 % Silber 4) beta-Mischkristalle umgeben von eutektischen Kristallgemisch (alpha+beta)
Was passiert bei wenn bei A und B der Atomdurchmesser sich stark unterscheidet? Die Löslichkeitslinien bewegen sich zur T-Achse (schmiegen sich ihr an), größere Lücke entsteht
Vorteile von eutektischen Legierungen 3 Stk. Gute Gießbarkeit/Schmelzbarkeit und Lötbarkeit
Phasengleichgewichtsdiagramme gelten für ... 1 bar Druck
Welche Form hat die Liquiduslinie im Eutektikschen Diragmm? V-förmig
Was sind Binoden und Kanoden? Binode: z.B. Liquiduslinie Kanode: z.B. Eutektikale durch Min. der Liquiduslinie!
Hebelgesetz (Bild)
Legierung vollkommene Löslichkeit im festen Zustand (Zustandsdiagramm+Abkühlungskurve)[Bild]
Seigerung/ Schichtenmischkristalle (Bild)
Vollkommene Unlöslichkeit im festen Zustand (Bild)
Begrenzte Löslichkeit im festen Zustand (bild)
Abhängigkeit der Leitfähigkeit von Zustandsdiagramm (Bild) Wie verhält es sich bei einem reinem WK, bei feinem Gefüge (Eutektikum), bei MK ?
Peritektische Systeme (Bild)
Zusammengesetzte Zustanddiagramme +Eigenschaften (4) [Bild]
Wozu legiert man überhaupt? Die Eigenschaften des legierten Werkstoffes sind besser (z.B. fester, härter)
Show full summary Hide full summary

Similar

Allgemeinwissen Chemie
Cassibodua
Chemische Grundlagen-Auffrischung
anna garcias
3) Aufbau der Materie
Mary Wonderland
Alkalimetalle
Cassibodua
Phyikum (Biologie/ Biochemie)
anna.grillborzer0656
Laborgeräte
Stefan Pw
Gefahrenzeichen
Stefan Pw
Chemieabitur 2016
peteka
Chemische Verbindungen und Elemente
JohannesK
Laborgeräte
Verena Jendrock