Electronica

Description

electronica Electronica Quiz on Electronica, created by noe212009 on 29/05/2016.
noe212009
Quiz by noe212009, updated more than 1 year ago
noe212009
Created by noe212009 over 9 years ago
116
1

Resource summary

Question 1

Question
Cuando el valor de la resistencia total es igual a la suma de los valores de las resistencias. Significa que las resistencias están:
Answer
  • Serie
  • Paralelo
  • Circuito mixto
  • Ciercuito cerrado

Question 2

Question
Como es la corriente y el voltaje en todos los elementos de un circuito en paralelo:
Answer
  • La corriente es variable y el voltaje es igual
  • La corriente es igual y el voltaje es variable
  • La corriente es variable y el voltaje es variable
  • La corriente es igual y el voltaje es igual

Question 3

Question
Cual es la resistencia total de 3 resistencias en paralelo con un valor de 330Ω cada una.
Answer
  • 990
  • 330
  • 110
  • 660

Question 4

Question
Es un conjunto de elementos o dispositivos eléctricos que unidos de forma adecuada permiten el paso de electrones en un sistema.
Answer
  • ALTERNADOR
  • TRANSFORMADOR
  • CIRCUITO
  • BATERIA

Question 5

Question
Al conectar dos fuente en serie, que pasa con el voltaje y con la capacidad de corriente total?
Answer
  • EL VOLTAJE AUMENTA Y LA CORRIENTE ES IGUAL
  • EL VOLTAJE AUMENTA Y LA CORRIENTE ES DISMINUYE
  • EL VOLTAJE ES IGUAL Y LA CORRIENTE AUMENTA
  • EL VOLTAJE ES IGUAL Y LA CORRIENTE ES IGUAL

Question 6

Question
Al conectar dos fuente en paralelo, como debe ser el voltaje y que pasa con la capacidad de corriente total?
Answer
  • EL VOLTAJE DEBE SER IGUAL Y LA CORRIENTE ES IGUAL
  • EL VOLTAJE DEBE SER IGUAL Y LA CORRIENTE AUMENTA
  • EL VOLTAJE DEBE SER DIFERENTE Y LA CORRIENTE ES IGUAL
  • EL VOLTAJE DEBE SER DIFERENTE Y LA CORRIENTE AUMENTA

Question 7

Question
Como es la corriente y el voltaje en todos los elementos de un circuito en serie
Answer
  • LA CORRIENTE ES IGUAL Y ELVOLTAJE ES IGUAL
  • LA CORRIENTE ES VARIABLE Y EL VOLTAJE ES IGUAL
  • LA CORRIENTE ES IGUAL Y EL VOLTAJE ES VARIABLE
  • LA CORRIENTE ES VARIABLE Y EL VOLTAJE ES VARIABLE

Question 8

Question
Cuando en un circuito no es posible que la corriente circule por cualquier causa, recibe el nombre de:
Answer
  • CIRCUITO SERIE
  • CIRCUITO PARALELO
  • CIRCUITO ABIERTO
  • CIRCUITO CERRADO

Question 9

Question
LA GRÁFICA REPRESENTA:
Answer
  • UN CIRCUITO ABIERTO Y SERIE
  • UN CIRCUITO CERRADO Y PARALELO
  • UN CIRCUITO ABIERTO Y PARALELO
  • UN CIRCUITO CERRADO Y SERIE

Question 10

Question
En los rectificadores con filtrado de condensador, se obtiene mejor factor de ondulación cuando
Answer
  • la capacidad del filtro y la resistencia de carga son altas
  • la capacidad del filtro es alta y la resistencia de carga es baja
  • la capacidad del filtro y la resistencia de carga son bajas

Question 11

Question
En los rectificadores de onda completa con transformador (el de dos diodos y el de puente de diodos), tomando la misma tensión en el primario del transformador, la corriente que atraviesa los diodos (suponer diodos ideales).
Answer
  • es el doble en el puente de diodos
  • es la misma en los dos casos
  • es el doble en el rectificador con dos diodos

Question 12

Question
En un rectificador de media onda
Answer
  • La tensión de pico en la resistencia de carga es la mitad de la tensión de pico en el generador.
  • La tensión que cae en el diodo es la misma que cae en la resistencia de carga
  • La corriente que atraviesa el diodo es la misma que la que atraviesa la resistencia de carga.

Question 13

Question
En los rectificadores con filtrado de condensador, se obtiene un mejor factor de ondulación cuando
Answer
  • La capacidad del filtro y la resistencia son bajas.
  • El producto RC es alto.
  • El cociente R/C es alto.

Question 14

Question
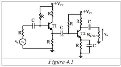
En el dibujo de la figura el transistor T1 está en:
Answer
  • Colector común
  • Base común
  • Emisor común

Question 15

Question
El transistor puede usarse como amplificador o como conmutador. Para ello debe trabajar en:
Answer
  • La zona activa y de saturación, respectivamente, en un MOSFET.
  • La zona de saturación y resistiva, respectivamente, en un BJT.
  • La zona activa y de corte-saturación, respectivamente, en un BJT.
  • La zona resistiva y de corte-saturación, respectivamente, en un BJT.

Question 16

Question
Si la ganancia de corriente de un transistor es de 100 y la corriente de emisor es de 300mA, la corriente de la base es exactamente de:
Answer
  • 0,3 ma
  • 2,97 Ma
  • 3,3 mA
  • ninguna de los anteriores

Question 17

Question
En un amplificador operacional ideal, el CMRR es
Answer
  • Infinito
  • Cero
  • 3dB
  • Ninguna de las anteriores

Question 18

Question
En un amplificador operacional ideal
Answer
  • la corriente de salida es nula
  • la impedancia de salida es nula
  • la impedancia de entrada es finita
  • ninguna de las anteriores

Question 19

Question
El amplificador operacional puede amplificar
Answer
  • Sólo señales de alterna
  • Sólo señales de continua
  • Tanto señales de alterna como de continua
  • Ni señales de alterna ni de continua

Question 20

Question
Un amplificador operacional presenta:
Answer
  • Baja impedancia de entrada.
  • Alta impedancia de entrada.
  • Alta impedancia de salida

Question 21

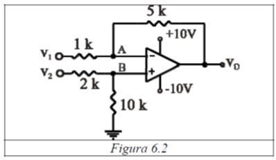
Question
Si en el circuito de la figura V1= 1 V y V2= 3,5 V. Indicar cuál de las siguientes afirmaciones es la correcta:
Answer
  • VA= VB y Vo = 12,5 V
  • VA no es igual VB y Vo = 10 V
  • VA= VB y Vo = 10 V

Question 22

Question
Si la entrada de un circuito integrador es un escalón, la salida es
Answer
  • Una onda senoidal
  • Una rampa
  • Un pulso rectangular

Question 23

Question
Una atenuación de 3 dB en una señal significa que:
Answer
  • La potencia de la señal se mantiene igual
  • La potencia de la señal es la mitad de la original
  • La potencia de la señal es el doble de la original

Question 24

Question
El ancho de banda es:
Answer
  • La frecuencia más alta a la que trabaja el amplificador
  • La potencia media medida a la salida del amplificador
  • El rango de frecuencias en el que se concentra la mayor parte de la potencia de la señal

Question 25

Question
La tasa de transmisión de un canal digital telefónico para el estándar europeo es:
Answer
  • 50 kbps
  • 33 kbps
  • 64 kbps
  • ninguna de las anteriores

Question 26

Question
La modulación en amplitud implica:
Answer
  • Disminuir la amplitud de la señal para transmisión
  • El cambio de fase con respecto a la amplitud
  • La variación de la amplitud de la señal transmitida en relación con la información que se envía

Question 27

Question
Una comunicación half-dúplex es:
Answer
  • Modo de envío de información es bidireccional y simultaneo
  • Modo de envío de información es bidireccional pero no simultáneo
  • Modo de envío de información unidireccional

Question 28

Question
En comunicaciones las siglas UHF se refieren a:
Answer
  • Frecuencia Ultra Alta
  • Frecuencia Alta
  • Frecuencia media

Question 29

Question
La banda asignada para la radiodifusión en frecuencia modulada en el Ecuador es:
Answer
  • 88.0 a 108.0 MHz
  • 3.30 a 4.90 GHz
  • 470 MHz - 861 MHz

Question 30

Question
La escala de integración VLSI para la fabricación de circuitos integrados contiene:
Answer
  • miles de compuertas lógicas en solo chip
  • varias decenas de miles de compuertas en un solo chip
  • Menos de mil compuertas lógicas en un solo chip

Question 31

Question
La siguiente tabla de verdad corresponde a una compuerta lógica:
Answer
  • AND
  • OR
  • XOR

Question 32

Question
El circuito de la figura corresponde a la expresión lógica

Question 33

Question
Indique cual es el estándar de televisión analógica utilizado en nuestro país
Answer
  • PWM
  • NTSC
  • PAL

Question 34

Question
Un chopper es un dispositivo que permite cambiar la corriente de:
Answer
  • AC-DC
  • DC-AC
  • DC-DC

Question 35

Question
Un cable coaxial es un medio de transmisión:
Answer
  • No balanceado
  • Balanceado
  • Los dos anteriores

Question 36

Question
La impedancia característica de un cable coaxial para transmisión de video es:
Answer
  • 50 ohm
  • 300 ohm
  • 75 ohm

Question 37

Question
La siguiente figura representa la distribución de colores para el estándar
Answer
  • TIA/EIA 568a
  • TIA/EIA 568b
  • Las dos anteriores

Question 38

Question
La siguiente figura corresponde a un conector:
Answer
  • DB-9
  • DB-15
  • DB-25

Question 39

Question
A la línea de alimentación de un motor monofásico se conecta un vatímetro, un voltímetro y un amperímetro, que indican 525W, 220V y 3A respectivamente. Calcular el factor de potencia
Answer
  • 0.80
  • 0.90
  • 0.60

Question 40

Question
¿Cuál es el significado de PLC?
Answer
  • Controlador lógico programable
  • Programador lógico controlado
  • Programa lingüístico computacional

Question 41

Question
¿Cuál de las siguientes opciones NO corresponde a un lenguaje para programar un PLC?
Answer
  • Microcontrolador PIC
  • Ladder o contactos
  • Bloques de Funciones

Question 42

Question
¿Cuál de los siguientes conductores es de menor sección?
Answer
  • AWG 16
  • AWG 10
  • AWG 24

Question 43

Question
¿A qué es equivalente 1MW?
Answer
  • 10 elevado a la 4 W
  • 1000 KW
  • 10 elevado a la 9 W

Question 44

Question
¿Qué tipo de rectificador representa la imagen?
Answer
  • Rectificador de media onda
  • Rectificador de onda completa
  • Asociación de diodos rectificadores en serie

Question 45

Question
La capacitancia de un condensador se mide en:
Answer
  • Faradios
  • Henrios
  • Ohmios

Question 46

Question
Tres condensadores de capacidades 6, 4 y 10µF, respectivamente, se conectan en paralelo. ¿Cuál es la capacitancia total?
Answer
  • 20 µF
  • 1.9 µF
  • 0.05 µF

Question 47

Question
Una corriente alterna senoidal tiene de valor máximo 20A ¿Cuál será su valor eficaz?
Answer
  • 10 A
  • 28.28 A
  • 14.14 A

Question 48

Question
¿Cuál es la intensidad total del circuito?
Answer
  • 0.7 A
  • 1.4 A
  • 0.4 A

Question 49

Question
La resistencia Eléctrica es….
Answer
  • ..la dificultad que opone un cuerpo a la circulación de corriente eléctrica
  • .. directamente proporcional a la corriente eléctrica
  • .. un conjunto de electrones en movimiento

Question 50

Question
En el circuito de la figura, indique qué lámparas se encenderían cuando se accione el pulsador.
Answer
  • La lámpara A
  • La lámpara B
  • Ninguna de las dos

Question 51

Question
Qué quiere decir el término de RF?
Answer
  • Frecuencia Relativa
  • Radiofrecuencia
  • Frecuencia Repetida

Question 52

Question
Cuáles son las tres propiedades de una onda senoidal que se puede variar:
Answer
  • Amplitud, Velocidad y Aceleración
  • Fase, Frecuencia y Aceleración
  • Fase, Frecuencia y Amplitud

Question 53

Question
Los sonidos son ondas físicas que se propagan en:
Answer
  • En el aire, agua
  • Acero, vidrio, suelo
  • Todas las anteriores

Question 54

Question
El sonidos es:
Answer
  • Omnidireccional
  • Unidireccional
  • Ninguna de las anteriores

Question 55

Question
Los sonidos tienden a propagarse más rápido en:
Answer
  • Aire y Agua
  • Medio solido
  • Aire
  • Agua

Question 56

Question
Los tipos de ondas que necesitan de un material para propagarse, como por ejemplo las producidas por las campanas son:
Answer
  • Sonoras
  • Electromagnéticas
  • Sonoras y Electromagnéticas
  • Ninguna de las anteriores

Question 57

Question
Las ondas que no necesitan de un material para propagarse, como las ondas de radio son:
Answer
  • Electromagnéticas y sonoras
  • Sonoras
  • Electromagnéticas
  • Ninguna de las anteriores

Question 58

Question
Las propiedades básicas del sonido son:
Answer
  • Potencia y Color
  • Altura e Intensidad
  • Duración, timbre
  • Altura, Intensidad, Timbre y Duración

Question 59

Question
La propiedad del sonido que indica si el sonido es grave es:
Answer
  • Intensidad
  • Timbre
  • Altura
  • Duración

Question 60

Question
Es la cantidad de energía que contiene un sonido, es decir, si es fuerte o es suave el sonido se define como:
Answer
  • Timbre
  • Intensidad
  • Potencia
  • Duración
Show full summary Hide full summary

Similar

PRUEBA EXAMEN ELECTRONICA 2
Jonathan Meixueiro
FISICA ELECTRÓNICA
Diego Santos
Leyes de Kirchhoff (Voltaje y corriente)
dianamardp
ELECTRÓNICA!!
Miguel Mina
ELECTRÓNICA BÁSICA
sindo.fdez
Conocimientos Previos para Electronica
MANUEL ALONSO NE
Conocimientos Previos para Electronica
Asesores Físicomatemáticos de Veracruz
Conocimientos Previos para Electronica
Asesores Físicomatemáticos de Veracruz
Test para el Transistor
s1966nelsae
Examen Electricidad Básica LRGR
Jahn Christian Moreno
Curso Arduino 2: Corriente eléctrica e Intensidad
Florentino Cueto