Fichas práctica 2

Description

Fichas para la realización de la práctica 3
MARTA LOUGEDO
Flashcards by MARTA LOUGEDO, updated more than 1 year ago More Less
MARTA LOUGEDO
Created by MARTA LOUGEDO over 10 years ago
MARTA LOUGEDO
Copied by MARTA LOUGEDO over 10 years ago
1640
0

Resource summary

Question Answer
PRACTICA 2 DIFERENCIA DE POTENCIAL Y CAIDA DE TENSIÓN CALCULAR
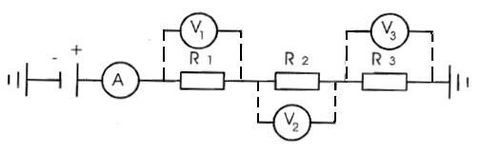
CIRCUITO SERIE. Dado el circuito calcular las tensiones y la intensidad. Siendo R1, R2, R3 son de 100 ohmios y la fuente de alimentación de 24 Voltios. ¿Qué lectura marcaran los diferentes aparatos de medida? R1= 100 Ω, R2= 100 Ω, R3= 100 Ω RT= I= V/R V1 =IxR V2 = IxR V3 = IxR
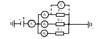
CIRCUITO PARALELO Dado el circuito calcular las tensiones y la intensidad. Siendo R1, R2, R3 son de 1000 ohmios (1k) y la fuente de alimentación de 24 Voltios. A= V/R A1 = V/R A2 =V/R A3= V/R V1=
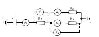
CIRCUITO MIXTO R1, R2, R3 =1000 OHM (1k) V= 24 v Calcular A1 =V/R A2 = V/R A3= V/R V1 =IxR V2 = IxR
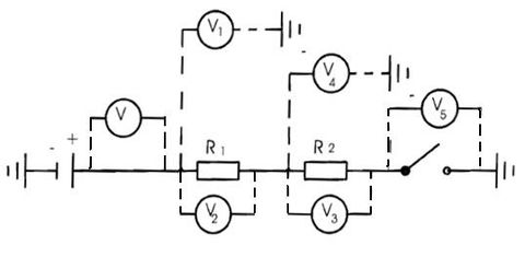
CIRCUITO PARALELO POTENCIAL Y CAIDA DE TENSIÓN EN CIRCUITOS SERIE. ¿Qué marcarían los distintos aparatos de medida? CIRCUITO CERRADO V = V1= V2= V3= V4= V5= CIRCUITO ABIERTO V = V1= V2= V3= V4= V5=
Show full summary Hide full summary

Similar

Test de Física - Selectividad
Virginia Vera
ELECTROMAGNETISMO
maya velasquez
Pilas y electrolisis - Repaso para Selectividad
Diego Santos
Fundamentos Básicos de la electricidad
SC IDEA
INSTRUMENTOS DE MEDIDAS Y SIMBOLOGÍA ELECTRICA - VOLTAJE.
Teresa Villa
PRUEBA EXAMEN ELECTRICIDAD 2
Jonathan Meixueiro
Electrotecnia Básica
Felipe Soto
Efecto Fotoeléctrico
Katharine Poloche
Examen Ayudante Electricista
Juan Milland
Transporte y Movilidad
juliana Clavijo
Fenómenos eléctricos son habituales en los seres vivos y en el entorno.
paola vazquez