Transformadores trifásicos

Description

Pequeña introducción al funcionamiento de transformadores trifásicos
juandiegocotes
Mind Map by juandiegocotes, updated more than 1 year ago
juandiegocotes
Created by juandiegocotes about 10 years ago
35
0

Resource summary

Transformadores trifásicos
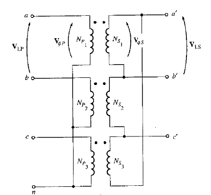
  1. Tipos de construcción
    1. Banco transformadores monofásicos
      1. Bobinados combiandos
      2. Conexión Δ-Δ
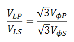
          1. Relación de voltaje
          2. No presenta problemas
          3. Conexión Y-Δ
              1. Relación de voltaje
              2. Problemas
                1. Desplazamiento 30° voltaje del secundario
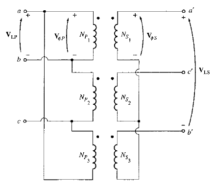
              3. Conexión Δ-Y
                  1. Relación de voltaje
                  2. Problemas
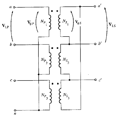
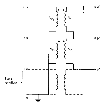
                  3. Conexión Y-Y
                      1. Relación de voltaje
                      2. Problemas
                        1. Desbalance de cargas genera desbalance de fases
                          1. Soluciones
                            1. Tercer embobinado
                              1. Conexión sólida a tierra los neutros
                            2. Terceros armónicos
                          2. Otros tipos de conexión
                            1. Conexión V-V
                              1. Solo usa dos transformadores
                                1. Presenta una fase "Fantasma"
                                  1. Suministra 57,7% de potencia nominal original
                                  2. Conexión Y-abierta Δ-abierta
                                    1. Similar conexión V-V
                                      1. Voltajes primarios a partir de dos fases y un neutro
                                        1. Desventaja
                                          1. Fluye corriente de retorno muy grande
                                    Show full summary Hide full summary

                                    Similar

                                    MAPA MENTAL DE LAS MAQUINAS ELECTRICAS.
                                    neavyseal
                                    Examen de Ingeniería Electromecánica III
                                    Jorge Cabrera7516
                                    Transformadores trifasicos
                                    Alfredo D'luyz
                                    Máquinas eléctricas
                                    josephramirezure
                                    ANALISIS DE VIBRACIONES
                                    Miguel Depablos
                                    Autotransformador
                                    juandiegocotes
                                    Accionamientos Eléctricos
                                    Alexander A. Bueno Montilla
                                    maquinas electricas rotativas
                                    Aleajndro Ozaeta Eidelman
                                    Máquinas eléctricas
                                    ernesto3758
                                    MAPA MENTAL DE LAS MAQUINAS ELECTRICAS.
                                    Yessinonot Hashzuke
                                    Transformadores trifasicos
                                    Marco Encarnación