Contadores Assíncronos

Description

Eletrônica Digital (Contador Assíncrono) Mind Map on Contadores Assíncronos, created by victorguimaraesd on 19/01/2014.
victorguimaraesd
Mind Map by victorguimaraesd, updated more than 1 year ago
victorguimaraesd
Created by victorguimaraesd almost 12 years ago
233
2

Resource summary

Contadores Assíncronos
  1. Contadores são circuitos digitais que variam seus estados, sob comando de um clock, de acordo com uma sequência predeterminada. São divididos em duas categorias: assíncronos e síncronos.
    1. (1) Os FF não possuem as entradas clock em comum; (2) São arranjados de forma que a entrada clock do flip-flop de ordem n seja a saída do flip-flop de ordem n-1; (3) Possuem saída binária sequencial; e (4) O bit mais significativo da contagem (MSB) está sempre no último flip-flop, considerando como primeiro flip-flop o que recebe os pulsos de clock.
      1. Módulo do Contador: Indica o número de estados da sequência de contagem. Para N flip-flops o contador resultante terá 2^N estados diferentes, e portanto, será um contador de módulo 2^N.
        1. Divisão de frequência
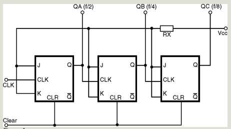
          1. N FF produzem uma f de saída no último FF igual a [1/(2^N)]*F(in)
          2. 2^N é o módulo do contador, sendo N o número de FF.
            1. ex: contador de 0-7 ,N=3, módulo: 2^3
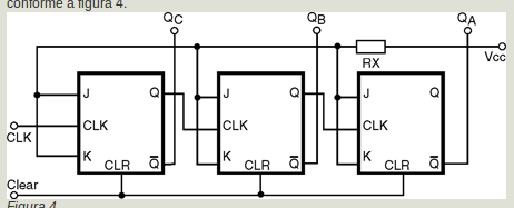
            2. Crescentes:
              1. Decrescentes:
                Show full summary Hide full summary

                Similar

                Eletrônica Digital
                Roberto Frossard
                Algebra booleana
                victorguimaraesd
                Sistemas de Numeração
                victorguimaraesd
                Flip-Flops
                victorguimaraesd
                Contadores síncronos
                victorguimaraesd
                Eletrônica Digital (Conversões numéricas)
                Amanda Coradini
                Máquina de Moore
                victorguimaraesd
                Máquina de Mealy
                victorguimaraesd
                Eletrônica Digital
                Wellington Diniz
                Sistemas de Numeração - Aulas 2 e 3
                Guilherme Mello