CAD/CDA

Description

ESTA ES UN ACTIVIDAD DE LOS CONVERTIDORES PARA LA CLASE DE INTERFAZ HOMBRE-MAQUINA
victor garcia
Mind Map by victor garcia, updated more than 1 year ago
victor garcia
Created by victor garcia almost 9 years ago
147
0

Resource summary

CAD/CDA
  1. CAD
    1. ES EL ENLACE ESENCIAL ENTRE LAS PARTES ANALOGICAS Y DIGITAL DE UN SISTEMA
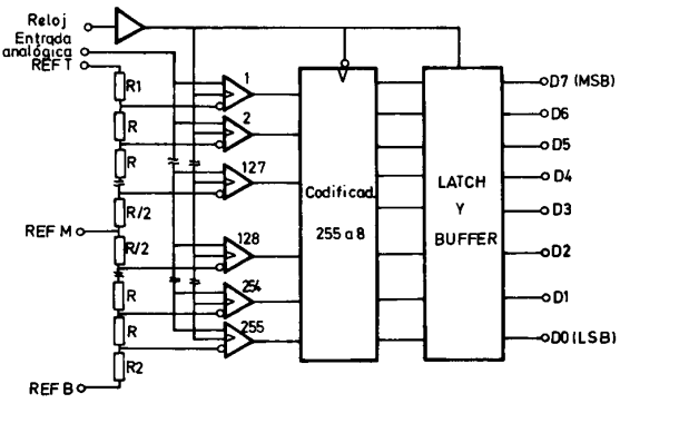
      1. TOMA LA SEÑAL DE ENTRADA, LA MUESTREA Y DESPUES PRODUCE UNA PALABRA EN CODIGO DIGITAL
        1. TIPOS DE SISTEMAS
          1. LAZO ABIERTO
            1. VOLTAJE A FRECUENCIA VOLTAJE A AMPLITUD DE PULSO CONVERSION SIMULTANEA
            2. LAZO CERRADO
              1. UNA RAMPA Y CONTADOR RAMPA DUAL APROXIMACION SUCESIVA
            3. TIEMPO DE CONVERSION
              1. EL INTERVALO DE TIEMPO ENTRE LA ORDEN QUE SE DA PARA EFECTUAR LA CONVERSION
              2. VELOCIDAD DE CONVERSION
                1. ES LA FRECUENCIA A LA CUAL SE PUEDEN HACER LAS CONVERCIONES
                2. RESOLUCION
                  1. LA HABILIDAD DEL CONVERTIDOR PARA DISTINGUIR ENTRE VALORES ADYACENTES DE LA ENTRADA ANALOGICA
                  2. CDA
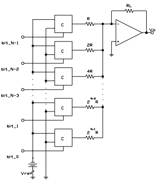
                    1. ES EL CIRCUITO DE INTERFASE ENTRE LOS SISTEMAS DIGITALES Y LOS DISPOSITIVOS DE TIPO ANALOGICO
                      1. MONOTONICIDAD
                        1. ES LA CAPACIDAD DE UN CDA PARA PROPORCIONAR UNA SALIDA POR CADA CODIGO POSIBLE DE ENTRADA
                        2. METODO DE CONSTRUCCION
                          1. CONSISTE EN USAR UNA RED PONDERADA DE RESISTORES Y UN AMPLIFICADOR OPERACIONAL SUMADOR
                          2. CIRCUITO DE ESCALERA PARA CONVERSION DE D/A PARA SALIDA DE VOLTAJE
                              1. VENTAJAS
                                1. SOLO SE USAN DOS VALORES DE RESISTORES
                                  1. SE PUEDE EXTENDER AL NUMERO DE BITS QUE DESEE FACILMENTE
                                    1. EL VALOR ABSOLUTO DE LOS RESISTORES NO ES IMPORTANTE
                                  2. RESOLUCION
                                    1. LA HABILIDAD DE DISTINGUIR ENTRE LOS VALORES ADYACENTES DE LA ENTRADA
                                    2. LINEALIDAD
                                      1. ES LA CANTIDAD DE ERROR EN LA SALIDA ANALOGICA ENTRE LOS VALORES ADYACENTES DE LA ENTRADA
                                      2. TIEMPO DE ASENTAMIENTO
                                        1. ES UNA MEDIDA DE LA VELOCIDAD CON LA CUAL EL CONVERTIDOR DECODIFICA UNA ENTRADA DIGITAL EN SU VALOR ANALOGICO
                                        2. Attachments:

                                        Show full summary Hide full summary

                                        Similar

                                        CONVERTIDORES ADC Y DAC
                                        Rodrigo Barbosa
                                        ADC Y DAC
                                        Andres Rosales
                                        código binario.
                                        Daniel Uribe
                                        MAPA CONCEPTUAL ADC y DAC
                                        new sedf
                                        CONVERTIDORES ADC Y DAC
                                        Mike Fake
                                        Data representation, types and structures
                                        bubblesthelabrad
                                        GO INTERFACE'S
                                        Alex Danyluik
                                        System Design
                                        bubblesthelabrad
                                        GLOSARIO EN FICHAS SOBRE CONCEPTOS RELACIONADOS CON LAS EMPRESAS EXPONENCIALES
                                        Lisandro Perez
                                        Abstract Classes & Interfaces & Polymorphism
                                        Nik Nguyen