Simulado Provão Instalações Elétrica.

Description

Provão Instalações Elétricas
SENAI Matozinhos
Quiz by SENAI Matozinhos, updated more than 1 year ago
SENAI Matozinhos
Created by SENAI Matozinhos about 9 years ago
219
1

Resource summary

Question 1

Question
A NBR 5410 - Instalações Elétricas de Baixa Tensão - é a norma aplicada a todas as instalações elétricas cuja tensão nominal é?
Answer
  • exclusivamente contínua
  • exclusivamente alternada com frequências superiores a 800 Hz.
  • superior a 1.000 V em corrente alternada (CA) e inferior a 36.200 V em corrente alternada (CA).
  • igual ou inferior a 1.000 V em corrente alternada (CA) ou a 1.500 V em corrente contínua (CC).

Question 2

Question
Um consumidor tem uma potência instalada de 34.620 W. Aplicando-se um fator de demanda de 0,85, podemos afirmar que sua demanda máxima é igual a?
Answer
  • 40.729 W.
  • 55.302 W.
  • 62.146 W.
  • 29.427 W.

Question 3

Question
A figura abaixo mostra um esquema de aterramento utilizado em instalações elétricas de baixa tensão, conforme a NBR 5410. Na imagem acima, T é o secundário do transformador, L1, L2 e L3 são as fases e PEN é o condutor de proteção e neutro. De acordo com essas informações, o esquema de aterramento da imagem é denominado
Answer
  • IT.
  • TT.
  • TN-C.
  • TN-CS.

Question 4

Question
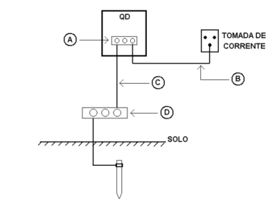
O aterramento de proteção de uma instalação de baixa tensão está representado na imagem abaixo. Os componentes A, B, C e D são, respectivamente,
Answer
  • terminal de aterramento principal, condutor de proteção, condutor de proteção principal e terminal de aterramento.
  • terminal de aterramento, condutor de proteção, condutor de proteção principal e terminal de aterramento principal.
  • terminal de aterramento, condutor de proteção principal, condutor de proteção e terminal de aterramento principal.
  • terminal de aterramento principal, condutor de proteção principal, condutor de proteção e terminal de aterramento.

Question 5

Question
Considere o seguinte diagrama funcional onde estão esquematizados uma lâmpada e um interruptor. Os condutores indicados por I, II e III são, respectivamente,
Answer
  • fase, retorno e neutro
  • retorno, neutro e fase
  • retorno, fase e neutro
  • neutro, fase e retorno
  • neutro, retorno e fase
Show full summary Hide full summary

Similar

Concordância nominal
Jizabely Atanasio
Senai-Bruna
brunnahrodrigues
Simulado PROVÃOManutenção Industrial
SENAI Matozinhos
Simulado SAEP 2017
SENAI Matozinhos
Estrutura App Android/Java Web para Escola SENAI Antônio Simões
Samir Batalha
Sinalizadores, Temporizador e Conectores
Gui Henrique
EQUIPES DE TRABALHO
Isabelle Duarte
senai Letícia
leticia201627
Aprendizagem Industrial : IntegraÇÃo de novos funCionários à empresa
Éderson Fernandes de Souza - SENAI CBA
ENC (1996 - 2003)
Othon Oliveira