Simulado PROVÃOManutenção Industrial

Description

Simulado Provão com o objetivo de avaliar o desempenho dos alunos.
SENAI Matozinhos
Quiz by SENAI Matozinhos, updated more than 1 year ago
SENAI Matozinhos
Created by SENAI Matozinhos about 9 years ago
318
0

Resource summary

Question 1

Question
Um forno elétrico alimentado por uma tensão elétrica de 220V possui quatro resistência em série de 5 cada. Calcule a potência ativa desse forno:
Answer
  • 2425 W
  • 2500 W
  • 1895 W
  • 2420 W

Question 2

Question
Das configurações abaixo de uma máquina CC, ligada como motor, podemos afirmar:
Answer
  • Em A, a corrente que circula no campo é diferente da corrente que circula na armadura
  • Em B, a velocidade tende a se manter constante com a variação da carga
  • O motor com grande torque e grande regulação de velocidade será o configurado em B
  • Em A deve-se ter uma carga acoplado ao seu eixo

Question 3

Question
De acordo com a NBR 5410, identifique as seguintes simbologias:
Answer
  • I-Interruptor de uma seção; II- Disjuntor a seco; III- Condutor de Fase; IV- Tomada de corrente na parede, baixa.
  • I-Ponto de luz no teto; II- Interruptor de uma seção; III- Condutor neutro; IV- Tomada de corrente na parede, baixa.
  • I-Interruptor de uma seção; II- Disjuntor a seco; III- Condutor de Fase; IV- Tomada de corrente na parede, alta.
  • I-Interruptor de uma seção; II- Disjuntor a seco; III- Condutor de neutro; IV- Tomada de corrente na parede, baixa.

Question 4

Question
Em eletromagnetismo, existe a seguinte Lei: “Todo condutor submetido a um campo magnético variável é portador de uma força eletromotriz induzida FEMi em suas extremidades.” Assinale a alternativa que apresenta o nome desta lei.
Answer
  • Lei de Gauss
  • Lei de Lenz
  • Lei de Faraday
  • Lei de Henry

Question 5

Question
Seja um resistor que tem três faixas: 1- Marron 2- Preto 3- Marron O valor correto do resistor é em Ohms:
Answer
  • 1
  • 10.
  • 100.
  • 1000.

Question 6

Question
Considere os seguintes equipamentos: I- luva isolante de borracha II- óculos de segurança III- conjunto de aterramento temporário IV- cinturão de segurança e talabarte V- bota de segurança Desses equipamentos, qual(quais) não é (são) EPI?
Answer
  • Somente III.
  • Somente II e IV.
  • Somente I, II e III.
  • Somente III e V.

Question 7

Question
Três elementos, duas resistências e uma fonte de 12V, estão todos conectados em paralelo. A potência total consumida pelas resistências é igual a 72W. Sabendo-se que uma resistência é igual ao dobro da outra, pode-se afirmar que os seus valores são:
Answer
  • 1Ω e 2Ω;
  • 1,5Ω e 3Ω;
  • 3Ω e 6Ω;
  • 2,5Ω e 5Ω;

Question 8

Question
Um resistor de 4Ω é ligado em série com um indutor de 0,03H. O conjunto é alimentado por uma fonte de tensão CA com freqüência angular de 100rd/seg. Se o valor eficaz da amplitude da fonte de tensão é 20V, o valor eficaz da corrente é:
Answer
  • 5,037A;
  • 5A;
  • 4,962A;
  • 4A;

Question 9

Question
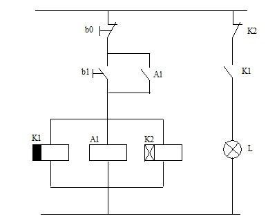
Considerando o diagrama de comando ao lado com o circuito energizado, ao acionarmos b0, como se comporta a lâmpada L?
Answer
  • Acende com retardo e permanece acesa.
  • Acende imediatamente e se desliga com retardo.
  • Apaga-se imediatamente e se acende com retardo.
  • Nunca se acende.

Question 10

Question
Veja o diagrama a seguir e responda à questão que se segue: Nas entradas do PLC estão conectados os seguintes dispositivos: I1 – Contato NF do relé térmico I3 – Botoeira NA I2 – Botoeira NA Q1 – Contator Para que possamos fazer o acionamento do contator pressionando a botoeira conectada a entrada I3 e o desligamento acionando a botoeira conectada a entrada I2, que atitude devemos tomar com relação ao programa do PLC?
Answer
  • Não deverá se fazer nenhuma alteração no mesmo.
  • Alterar o operando examine on (NA) da entrada I3 para examine off (NF).
  • Alterar o operando examine on (NA) da entrada I2 para examine off (NF).
  • Alterar o operando examine on (NA) da entrada I1 para examine off (NF).

Question 11

Question
Um eletricista foi contratado para dimensionar o cabo de entrada de uma residência. Os equipamentos da residência são os descritos na tabela abaixo. Dado: Fd = fator de demanda fornecido pela concessionária pública de energia elétrica. Nesta situação a potência instalada e a potência demandada, em kW, serão, respectivamente, de:
Answer
  • 36kW e 5,4kW.
  • 45,75kW e 28,55kW.
  • 11,27kW e 16,95kW.
  • 16,95kW e 28,55kW.

Question 12

Question
Os diagramas acima referem-se ao esquema para reversão da rotação de um motor de indução trifásico “M”. Com base nesses diagramas, se os botões “B1” e “B2” estiverem simultaneamente pressionados, o que ocorrerá no circuito?
Answer
  • O contato normalmente fechado 95-96 de “RL” será atuado por uma sobrecarga no motor trifásico “M”.
  • Fecharão-se, simultaneamente, os contatores “C1” e “C2” no Diagrama de Potência, e ocorrerá um curto-circuito na rede de alimentação.
  • Apenas um dos contatores será energizado, devido ao intertravamento realizado pelos contatos “NF” de “C1”
  • Nenhum contator estará energizado.

Question 13

Question
Com relação a um motor que tem sua partida através de uma chave estrela-triângulo em relação a partida direta, é correto afirmar:
Answer
  • Seu conjugado é 1/3 menor e sua corrente é 1/3 menor.
  • Seu conjugado é 1/√3 menor e sua corrente é 1/√3 menor.
  • Seu conjugado é 1/3 menor e sua corrente é 1/√3 menor.
  • Seu conjugado é 1/√3 menor e sua corrente é 1/3 menor.

Question 14

Question
Um transformador monofásico ideal de 5 kVA, 440/220 volts, alimenta uma carga de 3kVA, 220 V. Um amperímetro colocado do lado da alimentação do transformador indicará uma corrente de:
Answer
  • 13,6 A.
  • 6,8 A
  • 19,8 A
  • 12,8 A

Question 15

Question
Um motor trifásico de 220 volts exige da rede 25 ampères por fase, com o fator de potência de 80%. A parcela de potência ativa fornecida pela rede é:
Answer
  • 4400 W
  • 5500 W
  • 6521 W
  • 7621 W

Question 16

Question
Considere os números a seguir apresentados, cujos subscritos representam as respectivas bases numéricas. O resultado da soma de 101100101001 (2) com 5A3C (16) é:
Answer
  • 6464 (16)
  • 6565 (16)
  • 22674 (10)
  • 25789 (10)

Question 17

Question
Analise as afirmativas conclusivas abaixo: I. O retificador de onda completa converte a tensão de entrada CC em uma tensão pulsante negativa. Este processo de conversão de AC para CC é conhecido como “retificação”. II. O capacitor é um componente eletrônico, constituído por duas placas, uma condutora e outra isolante, separadas por um material semicondutor. III. O capacitor pode armazenar carga elétrica porque se opõe à variação da corrente elétrica. IV. Ao ligar uma bateria com um capacitor descarregado, haverá uma distribuição de cargas. Após certo tempo, as tensões na bateria e no capacitor serão as mesmas, deixando com isso, de circular corrente elétrica. Está correto o que se afirma em:
Answer
  • Apenas um item
  • Apenas dois itens
  • Apenas três itens
  • Em todos os itens.

Question 18

Question
Os esquemas de aterramento previstos na norma que regula os procedimentos em instalações elétricas de baixa tensão (NBR 5.410) são: TN-S, TN-C, TN-C-S, TT e IT. Com relação a esses esquemas de aterramento, analise as afirmativas abaixo: I - Para o esquema TN-C, as cargas são aterradas em um ponto diferente da fonte. II - Para o esquema IT, é obrigatória a utilização de DR em todos os circuitos terminais. III - Para o esquema TN-S, os quadros de distribuição de circuitos terminais são dotados de barramentos de terra, onde não podem ser conectados os condutores de neutro. É (São) correta(s) APENAS a(s) afirmativa(s):
Answer
  • I
  • II
  • III
  • I e II

Question 19

Question
Analise o problema abaixo e indique o melhor acionamento que deverá ser adotado como solução. “Uma carga deve ser acionada com grande torque de partida, controlando a corrente máxima, pois a empresa não dispõe de grande capacidade instalada para partir este motor diretamente. Além disto, precisamos de partida com aceleração e desaceleração progressiva, de acordo com o tipo de carga a ser levantada. Teremos que optar por uma velocidade diferente, porém constante durante o percurso”.
Answer
  • (A) Chave Compensadora.
  • (B) Chave Estrela Triângulo
  • (C) Chave de Partida Estática, Soft Starter.
  • (D) Inversor de Freqüência.

Question 20

Question
Analisando o diagrama de tempo abaixo de uma função especial, pode se concluir que ele representa o funcionamento do bloco de:
Answer
  • Retardamento de Ligação
  • Retardamento do Desligamento
  • Retardamento de ligação/ Desligamento
  • Retardamento de ligação a ser memorizado

Question 21

Question
Dentro do universo dos componentes denominados Controladores Lógicos Programáveis, podemos afirmar que: I - a comunicação entre CPU e CLP é unidirecional, ou seja, somente a CPU envia o programa para o CLP; II - o número de entradas e saídas pode oscilar entre um fabricante e outro; III - é possível realizarmos via software uma função equivalente ao temporizador comum; IV - a mesma programação pode ser realizada em diferentes linguagens.
Answer
  • As alternativas I e II estão corretas.
  • As alternativas I e III estão corretas.
  • As alternativas II, III e IV estão corretas.
  • Todas as alternativas estão corretas.

Question 22

Question
Utilizando-se a configuração ao lado para a ligação de dois wattímetros, é possível realizar a medição das potências ativa e reativa em uma carga trifásica. Sabendo-se que as medições dos wattímetros são W1 e W2, a soma de W1 e W2 é igual à potência:
Answer
  • reativa para qualquer carga e o módulo da diferença é numericamente igual à potência ativa sobre raiz de três, para cargas equilibradas.
  • ativa para qualquer carga e o módulo da diferença é numericamente igual à potência reativa sobre raiz de três, para carga equilibrada.
  • ativa e o módulo da diferença é numericamente igual à potência reativa, para qualquer tipo de carga.
  • aparente para qualquer carga e o módulo da diferença é numericamente igual à potência reativa sobre raiz de três, para carga equilibrada.

Question 23

Question
Ao fazer o diagrama unifilar dos circuitos 1: iluminação dos banheiros e 2: tomadas dos banheiros, foi cometido um erro no eletroduto que liga:
Answer
  • as lâmpadas a e b: há um terra a menos.
  • a lâmpada b à tomada: falta um retorno.
  • a lâmpada b ao interruptor: há um neutro no lugar de um retorno.
  • a lâmpada a ao interruptor: há um retorno no lugar de um neutro.

Question 24

Question
Um dos circuitos da instalação será o das tomadas dos banheiros, isto é, duas TUG's de 600 VA x127 V. Sendo unitários o fator de potência e o rendimento, a corrente de projeto vale, aproximadamente:
Answer
  • 25 A
  • 20 A
  • 15 A
  • 10 A

Question 25

Question
Uma dona de casa, ao tocar na máquina de lavar roupas em funcionamento, levou um choque elétrico, isto é, foi submetida a uma diferença de potencial elétrico. O técnico, ao ser chamado, verificou que o problema poderia ser resolvido de várias maneiras. Dos procedimentos abaixo, o único que, isoladamente, NÃO permite a proteção do usuário contra esse tipo de problema é o(a) :
Answer
  • aterramento da máquina na estrutura da edificação.
  • aumento da bitola do fio do circuito.
  • utilização de DR.
  • diminuição do comprimento do circuito.

Question 26

Question
Em uma dada instalação elétrica ocorreu a queima de vários equipamentos que estavam sendo alimentados por circuitos ligados a uma determinada fase. Um técnico constatou que o fio neutro do alimentador do quadro dos circuitos terminais estava rompido. Assim, possível causa da queima dos equipamentos foi o surgimento de:
Answer
  • uma sobretensão na fase de onde saía o circuito que alimentava esses equipamentos, por um desequilíbrio nas fases e posterior rompimento do fio neutro.
  • um impulso de tensão na fase de onde saía o circuito que alimentava esses equipamentos, por um desequilíbrio nas fases e posterior rompimento do fio neutro.
  • um impulso de corrente nos equipamentos danificados devido ao rompimento do fio neutro.
  • harmônicos, provocado pelo desequilíbrio nas fases e posterior rompimento do fio neutro.

Question 27

Question
Na conta de luz enviada para uma residência pela concessionária de energia elétrica constava o consumo de 120 kWh. Considerando que o intervalo entre as medidas realizadas pela concessionária tenha sido de 30 dias, o consumo médio diário de energia, em kJ, equivale a:
Answer
  • 1.200
  • 14.400
  • 4.000
  • 12.000

Question 28

Question
A respeito do instrumento abaixo, podemos afirmar que:
Answer
  • Mede potência elétrica
  • O fundo de escala é 100
  • Possui uma bobina ferro móvel
  • Mede circuitos em CA

Question 29

Question
Em relação ao ar condicionado, sendo 2000VA a carga prevista e fator de potência cós Ɵ = 0.8, a potência ativa a ser considerada no projeto será de:
Answer
  • 2500 VAR
  • 1600 KW
  • 2500 W
  • 1600 W

Question 30

Question
Uma sala possui duas portas P1 e P2. Você recebeu a incumbência de desenvolver um programa em linguagem ladder para que seja possível acender uma lâmpada quando ambas as portas forem abertas, caso qualquer porta esteja fechada a lâmpada deve estar apagada. Considere um sensor S1 “NA” e um sensor S2 também “NA” instalados respectivamente nas portas P1 e P2, que serão acionados quando as portas estiverem fechadas. O sensor S1 enviará informação para a entrada I0.6, enquanto o sensor S2 enviará informação para a entrada I0.7, a lâmpada deve ser comandada pela saída Q0.5. O programa em linguagem ladder, que atende a situação descrita acima é:
Show full summary Hide full summary

Similar

Simulado Matemática
Marina Faria
Simulado Inglês
Marina Faria
Provas anteriores de Vestibular - Fuvest 1
GoConqr suporte .
Simulado Filosofia
Marina Faria
Simulado Geografia
Marina Faria
Simulado Espanhol
Marina Faria
Provas anteriores de Vestibular - Unicamp 2014 - 1
GoConqr suporte .
Provas anteriores de vestibular - Fuvest 2
GoConqr suporte .
Atomística/ Tabela Periódica - Química
Mateus Peres
SIMULADO - 3º ANO - E. M. - 2º DIA
eesfmang_nte
SIMULADO IBGE 2016 - Matemática - Probabilidade
Alex Farias